阿摩線上測驗
登入
首頁
>
統測◆01機械群◆(一)機件原理、機械力學
> 98年 - 98 四技二專統測_機械群_專業科目(一):機件原理、機械力學#20984
98年 - 98 四技二專統測_機械群_專業科目(一):機件原理、機械力學#20984
科目:
統測◆01機械群◆(一)機件原理、機械力學 |
年份:
98年 |
選擇題數:
40 |
申論題數:
0
試卷資訊
所屬科目:
統測◆01機械群◆(一)機件原理、機械力學
選擇題 (40)
1. 對一般由前面兩個鏈輪與後面五個鏈輪組成的十段變速腳踏車而言,下列的敘述何者 正確? (A) 鏈條與鏈輪間是做純滑動接觸 (B) 鏈條與前後鏈輪組成的傳動機構可視為一種拘束運動鏈 (C) 此十段變速腳踏車只含有一個機構 (D) 構成此十段變速腳踏車的機件全部都是剛性體(剛體)
2. 如下圖,若 W 為抵抗力(輸出力,且為重力場方向),F 為作用力(輸入力),則有關螺旋的 機械利益與下列那一圖類似?
3. 在工廠所說的一般螺紋直徑,係指它的: (A) 外徑 (B) 底徑 (C) 節圓直徑 (D) 基圓直徑
複選題
4. 下列有關螺帽鎖緊裝置的敘述,何者正確? (A) 摩擦鎖緊裝置常用於大負載、反覆震動的螺旋連接的場合 (B) 使用鎖緊螺帽( locking nut )時,內側螺帽的厚度應比外側螺帽的厚度還厚 (C) 開口銷鎖緊( cotter pin locking )屬於確閉鎖緊裝置 (D) 有槽螺帽( slotted nut )屬於確閉鎖緊裝置
5. 已知一鍵之寬、高、長分別為 5、5、20 mm,裝於直徑 20 mm 之軸上,若鍵的受力 為 2000N,則有關該鍵所承受的應力,何者正確? (A) 壓應力 40N/mm
2
(B) 壓應力 20N/mm
2
(C) 剪應力 40N/mm
2
(D) 剪應力 80N/mm
2
6. 一螺旋壓縮彈簧,不受力時其自由長度為 30mm,如在線性範圍內,以 10 牛頓力壓縮, 其長度成為 10mm,則此彈簧的彈簧常數為多少 N/mm? (A) 2.0 (B) 1.5 (C) 1.0 (D) 0.5
7. 下列關於聯結器的敘述,何者錯誤? (A) 剛性聯結器所連接的兩軸必須在同一軸線上,且不允許有角度偏差 (B) 套筒聯結器構造最簡單,通常用於輕負荷動力的傳動 (C) 歐丹聯結器連接的兩傳動軸,其角速度相等,是一種剛性聯結器 (D) 萬向接頭連接的兩軸,其夾角愈大則轉速比變化愈大
8. 有大、小兩皮帶輪,小輪的直徑為 24 cm,轉速為 360 rpm,大輪的直徑為 36 cm,若不計 皮帶厚度且無滑動現象,則大輪轉速為多少rpm? (A) 180 (B) 240 (C) 280 (D) 360
9. 下列關於滾子鏈條傳動的敘述,何者錯誤? (A) 用於水平傳動時,鏈條應將其緊邊置於上方,鬆邊置於下方 (B) 鏈輪的輪齒數愈少,從動鏈輪轉速的變動範圍也愈小 (C) 鏈輪的輪齒數過少,易生擺動及噪音;過多則易脫離鏈輪 (D) 接觸角應在 120o 以上,兩軸中心距離為鏈條節距的 20~50 倍左右
10. 下列關於摩擦輪傳動的敘述,何者正確? (A) 主動輪的輪緣大都採用硬質材料,而從動輪的輪緣則使用軟質材料 (B) 傳動功率的大小與摩擦輪材質無關 (C) 外接圓柱形摩擦輪傳動時,其兩輪旋轉方向相反 (D) 外接圓錐形摩擦輪傳動時,其速比與圓錐半頂角的正弦函數值成正比
11. 一對漸開線正齒輪嚙合傳動,其輪齒自開始接觸至終止,其接觸點永遠落在何處? (A) 壓力線上 (B) 節點上 (C) 節圓上 (D) 基圓上
12. 一對漸開線標準正齒輪在組裝時,因尺寸公差使兩軸中心距離改變,下列敘述何者正確? (A) 齒頂圓直徑改變 (B) 齒根圓直徑改變 (C) 基圓直徑改變 (D) 節圓直徑改變
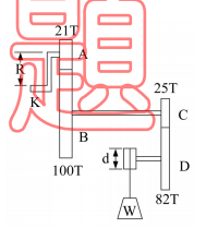
13. 如圖(一)所示之起重機輪系,其齒輪 A、B、C 與 D 的齒數標示於圖中,已知其曲柄 K 的 半徑 R 為 400 mm,捲筒直徑 d 為 250 mm,若在曲柄上施力 F=150 N,且不計摩擦損耗 下,則能吊起的重量 W 為多少 N? (A) 5000 (B) 6250 (C) 7500 (D) 8750
14. 如圖(二)所示之漸開線正齒輪與齒條傳動,已知 A 為 32 齒、 B 為 64 齒、C 為 20 齒,各 齒模數為 5,若齒 A 轉一圈,則齒條移動多少 mm? (A) 78.5 (B)157 (C) 225 (D) 314
15. 機械式制動器是利用外力作用產生摩擦阻力而對旋轉軸產生制動作用,下列那一種制動器 其產生剎車摩擦力的正壓力方向與旋轉軸的軸向平行? (A) 碟式制動器 (B) 塊狀制動器 (C) 帶式制動器 (D) 內靴式制動器
複選題
16. 關於凸輪從動件的運動,下列敘述何者錯誤? (A) 簡諧運動的時間-位移線圖為正弦曲線 (B) 等加速度運動的位移變化量成等差級數,其時間-位移線圖為拋物線 (C) 等速運動因瞬間加速度變化過大而造成震動與衝擊,僅適用於凸輪低速運轉之場合 (D) 修正等速運動沒有瞬間加速度變化過大而造成震動與衝擊,適用於凸輪高速運轉
17. 若要構成牽桿機構,使二曲柄皆可繞其各自軸心作 360o 旋轉,則下列那一條件必須成立? (A) 主動曲柄最短 (B) 從動曲柄最短 (C) 固定桿最短 (D) 連接桿最短
18. 下列何種連桿機構可以產生絕對直線運動軌跡? (A) 蔡氏( Tchebicheff )直線運動機構 (B) 瓦特氏( Watt )直線運動機構 (C) 羅氏( Robert )直線運動機構 (D) 司羅氏( Scott-Russel )直線運動機構
19. 如圖(三)所示的滑車組,已知其機械效率為 85%,若欲吊起 W=3000N 之重物,則應施力 F 多少 N? (A) 375 (B) 441 (C) 500 (D) 583
20. 下列關於間歇運動的敘述,何者錯誤? (A) 無聲棘輪是藉著機件間的摩擦力作雙方向的傳動 (B) 棘輪機構是由搖擺運動所產生的間歇運動 (C) 日內瓦機構是由迴轉運動所產生的間歇運動 (D) 利用一個搖擺機構,有節奏的阻止與縱脫一個有齒的轉輪,使其產生間歇旋轉運動的 機構,稱為擒縱器
21. 下列何者為力的單位? (A) 巴斯卡( Pa ) (B) 瓦特( W ) (C) 達因( dyne ) (D) 馬力( hp )
22. 圖(四)所示的力系,其合力的位置距離 C 點是: (A) 右 0.7m (B) 左 0.7m (C) 右 0.9m (D) 左 0.9m
23. 重量為 100N 的圓盤置於光滑的斜面與垂直面上,如圖(五)所示;若已知接觸點 A 的 反作用力為 75N,但斜面的角度為未知,則接觸點 B 的反作用力應為多少 N? (A) 115 (B) 120 (C) 125 (D) 130
24. 圖(六)面積的形心位置 y 為多少 cm? (A) 10 (B) 9 (C) 8 (D) 7
25. 如圖(七)所示,當一根重 100 N 的細長桿斜靠於光滑牆面的 A 點及粗糙地面的 B 點位置, 長桿即將開始滑動,則此長桿與粗糙地面的靜摩擦係數應為何? (A) 0.24 (B) 0.28 (C) 0.32 (D) 0.36
26. 一物體做等加速度直線運動,已知其速度的變化為 V=5 t+2m/sec,其中變數 t 代表時間, 單位為秒,求此物體在 0 至 2 秒時段內移動的距離為多少 m? (A) 12 (B) 14 (C) 20 (D) 24
27. 甲車以 60 km / hr 的速度向東等速行駛,乙車以 80 km / hr 的速度向北等速行駛,則由 乙車看甲車的相對速度大小是多少 km/ hr? (A) 20 (B) 80 (C) 100 (D) 140
28. 一汽車在高速公路以 108 km / hr 的等速率行駛,由直線進入半徑為 100 m 的圓形彎道,則 此時汽車加速度的大小為多少 m/s
2
? (A) 3.6m/s
2
(B) 4.8m/s
2
(C) 7.2m/s
2
(D) 9.0m/s
2
29. 質量為 m 的小球以 L 長的繩索繫於支點,並於水平位置由靜止狀態釋放,如圖(八)所示, 則當繩索的張力剛好等於小球重量時,試問sinθ 的值為何?
30. 一質量為 50 公斤的人站在電梯內的磅秤上量體重,若電梯以向上 2m/s
2
的加速度上昇,且 重力加速度為 9.8m/s
2
,則此人在磅秤上顯示多少公斤? (A) 54.1 (B) 58.6 (C) 60.2 (D) 63.4
31. 一線性彈簧自未拉伸或壓縮的狀態下,被壓縮 X 的位移量,需要作功 W,若繼續再壓縮 X 的位移量,則需要再作多少功? (A) W (B) 2W (C) 3W (D) 4W
32. 利用一個機械效率為 0.8 的起重機系統,將 200kg 的重物以 5m/s 的速度由地面垂直 舉起,試問此起重機因能量損失而消耗的功率為多少仟瓦( kW )? (A) 1.96 (B) 2.45 (C) 9.80 (D) 12.25
33. 一拉力試驗的試片受軸向拉力 8000N 的作用,如圖(九)所示;若試片厚度為 4mm,試片 寬度為 25mm,則試片截面上的最大剪應力是多少 MPa? (A) 40 (B) 50 (C) 60 (D) 80
34. 一圓桿的長度為 100 mm,直徑為 10 mm,已知圓桿材料的蒲松氏比為 0.25,若此圓桿受 拉力而伸長 0.1mm,則其直徑將收縮多少mm? (A) 0.025 (B) 0.01 (C) 0.0025 (D) 0.001
35. 欲以一長 1 m、等橫截面積為 300 mm2 、彈性係數為 100 GPa 的金屬圓桿,懸吊一重物 W, 如圖(十)所示;若圓桿材料的降伏強度為 400 MPa,容許的伸長量為 1 mm,試求此金屬 圓桿的安全因數? (A) 2 (B) 3 (C) 4 (D) 5
36. 三片尺寸完全相同的木材用膠黏成如圖(十一)所示的形狀,並受 8000 N 的壓力作用,則 膠黏處的平均剪應力是多少 MPa ? (A) 10 (B) 8 (C) 6 (D) 4
37. 一直徑為 100mm 的圓形面積對其形心軸的迴轉半徑為多少 mm? (A) 50 (B) 25 (C) 12.5 (D) 6.25
38. 在懸臂樑的自由端受一 60 N 的集中負載與一 60 N-m的彎矩負載作用,如圖(十二)所示,則 此樑的最大正彎曲力矩是多少 N-m? (A) 120 (B) 80 (C) 60 (D) 40
39. 圖(十三)所示為樑的四種橫截面,其長、寬均為 5a,厚度為 a,中立軸為 x - x;當承受 相同的負載作用時,則那一種橫截面的樑將會發生最大的彎曲應力? (A) A 截面 (B) B 截面 (C) C 截面 (D) D 截面
40. 一實心圓軸的長度為 L,直徑為 D,若軸的兩端分別承受大小相等,但方向相反的扭矩 T, 則圓軸內的最大剪應力為:
申論題 (0)
相關試卷
115年 - 115 身心障礙學生升學大專校院甄試試題_四技二專組_機械群_專業科目(一):機件原理、機械力學#139524
115年 · #139524
115年 - 115 四技二專統測_機械群_專業科目(一):機件原理、機械力學#139317
115年 · #139317
114年 - 114 四技二專統測_機械群_專業科目(一) :機件原理、機械力學#137655
114年 · #137655
114年 - 114 身心障礙學生升學大專校院甄試試題_四技二專組(機械群):機件原理、機械力學#137234
114年 · #137234
113年 - 113 身心障礙學生升學大專校院甄試試題_四技二專組_機械群_專業科目(一):機件原理、機械力學#125683
113年 · #125683
113年 - 113 四技二專統測_機械群_專業科目(一) :機件原理、機械力學#122234
113年 · #122234
112年 - 112 身心障礙學生升學大專校院甄試試題_四技二專組_機械群_專業科目(一):機件原理、機械力學#118651
112年 · #118651
112年 - 112 四技二專統測_機械群_專業科目(一) :機件原理、機械力學#114340
112年 · #114340
111年 - 111 身心障礙學生升學大專校院甄試試題_四技二專組_機械群_專業科目(一):機件原理、機械力學#118914
111年 · #118914
111年 - 111 四技二專統測_機械群:專業科目(一)機件原理、機械力學#107808
111年 · #107808