阿摩線上測驗
登入
首頁
>
初等/五等/佐級◆基本電學大意
> 99年 - 99 身心障礙特種考試_五等_電子工程:基本電學大意#47091
99年 - 99 身心障礙特種考試_五等_電子工程:基本電學大意#47091
科目:
初等/五等/佐級◆基本電學大意 |
年份:
99年 |
選擇題數:
40 |
申論題數:
0
試卷資訊
所屬科目:
初等/五等/佐級◆基本電學大意
選擇題 (40)
1 電阻器 R = 44 歐姆,兩端電位差為 220 伏特,則電阻器 R 所消耗的功率為多少瓦特? (A) 110 (B) 550 (C) 1100 (D) 2200
2 50 歐姆的電阻器通過 5 安培的電流,則其消耗的電功率為多少瓦特? (A) 250 (B) 625 (C) 750 (D) 1250
3 將 5 庫侖的電荷通過一元件作功 40 焦耳,則元件兩端的電位差為多少伏特? (A) 1.6 (B) 3.2 (C)4 (D)8
4 某一碳電阻器為 2 仟歐姆,額定功率為 0.5 瓦特,求其所能承受最大電流約為多少毫安? (A) 15.8 (B) 22.4 (C) 25 (D) 33.6
5 10.5 × 10
6
W與下列何者的表示式是相同的? (A) 105 kW (B) 1.05 GW (C) 10.5 MW (D) 10500 W
6 已知直流電流源之電流為 10A,並聯之內電阻為 3Ω,則轉換為戴維寧等效電路後之電壓及內電阻值為何? (A)電壓為 30V,內電阻為 3Ω (B)電壓為 30V,內電阻為 6Ω (C)電壓為 3V,內電阻為 6Ω (D)電壓為 3V,內電阻為 3Ω
7 設無限長直導線通以 I 安培電流,距離導線 r 米處之 P 點磁場強度為 H,則: I I (A)
(B)
(C)
(D)
8 一線圈的自感為 L,其通過之電流為 I,則其儲存能量為: (A)LI (B)LI
2
(C) 0.5 LI (D) 0.5 LI
2
9 三個電阻器分別為 6Ω、12Ω、36Ω,則並聯後之等效電阻為多少歐姆? (A)3 (B) 3.6 (C) 5.4 (D) 54
10 如圖所示之電路,其電流之相量 I 為多少安培? (A) 20∠53.1° (B) 20∠ − 53.1° (C) 20∠36.9° (D) 20∠ − 36.9°
11 如圖所示週期性電流波形之平均值為多少安培? (A)2 (B)4 (C)6 (D)8
12 頻寬的單位為:(A)安培 (B)伏特 (C)赫茲 (D)無單位
13 如圖所示電路,試問V
L
之相角領先V
C
之相角為多少度? (A)0 (B) 45 (C) 90 (D) 180
14 若對某一大小為 10 歐姆的電阻器分別通以 i ( t ) = 10
cos (ωt − 36.87°) 安培的交流電流以及 I = 10 安培的直 流電流兩種狀況下,試問操作在那一種電流情況下此電阻器所消耗的平均實功率較大? (A)交流電流時 (B)直流電流時 (C)一樣大 (D)都不消耗實功率
15 有正弦波、方波、三角波三種交流電源,假設其峰值均相同,分別加到白熾燈泡,則其亮度由小而大排列, 其順序應為: (A)正弦波、方波、三角波 (B)方波、正弦波、三角波 (C)方波、三角波、正弦波 (D)三角波、正弦波、方波
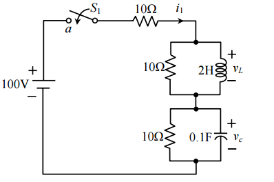
16 如圖所示,當開關S
1
置於
a
點且穩態時,電流i
1
為多少安培? (A)0(B)2 (C) 3.33 (D)5
17 如圖所示,採用諾頓定理(Norton’s theorem)求其等效電路,此
a
、b 兩端之諾頓等效電流源為多少安培? (A)5 (B) 2.5 (C) 1.5 (D) 1.25
18 如圖所示,
a
、b兩端之戴維寧(Thevenin)等效電阻Rth為多少歐姆? (A)2 (B)3 (C)4 (D)5
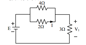
19 如圖所示電路,若V
1
= 10 V,E為多少伏特? (A) 10 (B) 15 (C) 20 (D) 25 +
20 如圖所示電路,電流 I 為多少安培? (A)3 (B)4 (C)7 (D) 10
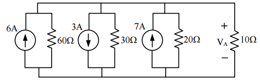
21 如圖所示電路,V
A
為多少伏特? (A) 50 (B) 80 (C) 100 (D) 160
22 如圖所示,
a
、b兩端的電壓V
ab
為多少伏特? (A)0 (B)5 (C) 10 (D) 15
23 如圖所示電路,電流 I 為多少安培? (A)1 (B)2 (C)3 (D)4
24 如圖所示,調整負載電阻R
L
可獲得負載最大功率,此R
L
為多少歐姆? (A)1 (B)2 (C)3 (D)4
25 如圖所示電路,若V
1
= 9V,電流I為多少安培? (A)1(B)2 (C)3 (D)4
26 如圖所示電路中,已知E = 36 V、R
1
= 18 Ω、R
2
= 6 Ω,則總電流I為多少安培? (A) 1.5 (B)2 (C)6 (D)8
27 某正方形磁極之邊長為 50 cm,其磁通密度為 2 Wb/m
2
。若以一根長直導體通過磁極,所需時間為 0.5 秒, 則導體兩端之感應電壓為多少伏特? (A)1 (B)2 (C)4 (D)8
28 在空氣中有兩平行導線,其長度均為 20 m、相距 4 cm,今導線各通以方向相同之電流,其大小分別為 50A 及 60A,則每一導線之作用力為多少牛頓? (A) 0.3(相斥) (B) 0.3(相吸) (C) 0.6(相斥) (D) 0.6(相吸)
29 某磁路之長度為 5 cm、截面積為 10 cm
2
、導磁係數為 5 × 10
-5
Wb/A-m,已知施加其上之磁動勢為 500 安 培-匝,假設無漏磁,則磁路之磁通量為多少韋伯? (A) 5 × 10
-3
(B) 5 × 10
-4
(C) 5 × 10
-5
(D) 5 × 10
-6
30 兩磁極在真空中之相互作用力為 10 牛頓,若維持相同架構,將其移至另一介質中,兩磁極之相互作用力變 為 5 牛頓,則該介質之相對導磁係數為何? (A) 0.25 (B) 0.5 (C)2 (D)4
31 在空氣中有相距 2 公尺之兩磁極,已知磁極強度分別為 0.041 韋伯及 0.062 韋伯,則兩磁極間之作用力約為 多少牛頓? (A) 20 (B) 30 (C) 40 (D) 50
32 一個 1200 瓦特的電熱器,連續使用 2 天,如果每度電費為 2.5 元,則應繳電費為多少元? (A) 144 (B) 115.2 (C) 72 (D) 36
33 有一導線其電阻為 30 歐姆,在體積不變下,將其均勻拉長使長度變為原來的 2 倍,則其電阻為多少歐姆? (A) 15 (B) 30 (C) 60 (D) 120
34 有一電熱水器,其電阻為 60 歐姆,使用 5 分鐘,產生的熱量為 27000 卡,試求通過的電流為多少安培? (A) 1.25 (B) 1.8 (C) 2.5 (D) 6.25
35 以 1.2 仟瓦的電熱器,對 2.4 公升的水加熱 5 分鐘,水溫將上升多少℃? (A) 36 (B) 48 (C) 60 (D) 75
36 如圖所示電路,6Ω 電阻上之功率消耗為多少瓦特? (A)6(B) 24 (C) 54 (D) 96
37 如圖所示電路,R
2
=2R
1
,R
2
消耗功率為 50 瓦特,R
1
為多少歐姆? (A)2 (B)4 (C)6 (D)8
38 有兩線圈A及B,其匝數分別為NA = 100 匝、N
B
= 200 匝,若線圈A通以 5 安培的電流,產生 0.1 韋伯的磁通 ,其中與線圈B耦合的磁通有 0.01 韋伯,則線圈B之自感量為多少亨利? (A) 0.4 (B) 1.6 (C)4 (D)8
39 某電路如圖所示,當電流到達穩定後,則兩線圈共計儲存之能量為多少焦耳? (A) 100 (B) 150 (C) 200 (D) 250
40 兩個規格分別為 20 歐姆/5 瓦特及 4 歐姆/2 瓦特的電阻器串聯後,相當於額定多少歐姆/瓦特的電阻器? (A) 24Ω/7W (B) 24Ω/6W (C) 24Ω/5W (D) 24Ω/3W
申論題 (0)
相關試卷
115年 - 115 初等考試_電子工程:基本電學大意#136711
115年 · #136711
114年 - 114 初等考試_電子工程:基本電學大意#124884
114年 · #124884
113年 - 113-2 國營臺灣鐵路股份有限公司_從業人員甄試_第 11 階-服務員-電機:基本電學大意#137070
113年 · #137070
113年 - 113 國營臺灣鐵路股份有限公司_從業人員甄試_第 11 階-服務員-電機:基本電學大意#118978
113年 · #118978
113年 - 113 初等考試_電子工程:基本電學大意#118528
113年 · #118528
112年 - 112 地方政府特種考試_五等_電子工程:基本電學大意#118365
112年 · #118365
112年 - 112 鐵路、國家安全情報特種考試_佐級、五等_電力工程、電子工程、電子組:基本電學大意#114946
112年 · #114946
112年 - 112 身心障礙特種考試_五等_電子工程:基本電學大意#113918
112年 · #113918
112年 - 112 初等考試_電子工程:基本電學大意#112884
112年 · #112884
111年 - 111 地方政府特種考試_五等_電子工程:基本電學大意#112591
111年 · #112591