阿摩線上測驗
登入
首頁
>
初等/五等/佐級◆基本電學大意
> 99年 - 99 鐵路特種考試_佐級_機檢工程、電力工程、電子工程:基本電學大意#22367
99年 - 99 鐵路特種考試_佐級_機檢工程、電力工程、電子工程:基本電學大意#22367
科目:
初等/五等/佐級◆基本電學大意 |
年份:
99年 |
選擇題數:
40 |
申論題數:
0
試卷資訊
所屬科目:
初等/五等/佐級◆基本電學大意
選擇題 (40)
1 如圖所示電路,R
L
為可變電阻,若電源v(t) =160 √2 sin 377tV ,R
L
為幾歐姆時可得最大功率?
(A) 3 (B) 4 (C) 5 (D) 6
2 週期性的波形,若頻率為 5 赫茲(Hz),則其週期為多少秒? (A) 5 (B) 2.5 (C) 0.5 (D) 0.2
3 試求如圖所示電路之時間常數:
(A) 1 ms (B) 0.5 ms (C) 0.2 ms (D) 5 ms
4 如圖所示,試求 AB 兩端之戴維寧等效電壓為多少伏特?
(A) 12 (B) 24 (C) 36 (D) 48
5 有二個電阻值相等之電阻器,並聯時總電阻R
P
為 2.5 Ω,若將此二個電阻器改為串聯時,總電阻R
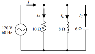
S
為 多少Ω? (A) 1.25 (B) 2 (C) 5 (D) 10
6 某電路如圖所示,電阻值為 20 Ω之電阻器上之電壓降V
X
為多少伏特?
(A) 0.3 (B) 0.75 (C) 3 (D) 5
7 某串聯電路如圖所示,電流 I 為多少毫安培?
(A) 1/6 (B) 5/6 (C) 1 (D) 1.2
8 一電容器之電容為 100 µF,接於 0.01 安培的定電流源,則此電容器充電至 100 伏特所需時間為多少 秒? (A) 1 (B) 10 (C) 60 (D) 600
9 10 安培的電流通過 2 毫亨利的電感器,求其所儲存的能量為多少焦耳? (A) 0.01 (B) 0.02 (C) 0.1 (D) 0.2
10 兩相互耦合之電感器串聯,其自感分別為 5 亨利及 3 亨利,若總電感量為 12 亨利,則其互感量為多 少亨利? (A) 0.5 (B) 1 (C) 2 (D) 4
11 一電鍋的額定為 110 V,800 W,煮一次飯約需 15 分鐘,則每煮一次飯,約需多少度電能? (A) 0.2 (B) 0.5 (C) 1.0 (D) 1.5
12 4600 個電子所含的總電量為多少庫侖? (A) − 7.369 ×10
−16
(B) − 4.6 ×10
−16
(C) − 3.204 ×10
−16
(D) - 1.602 ×10
−16
13 1000 瓦電功率約為多少馬力? (A) 4/3(B) 3/4(C) 4/5 (D) 5/4
14 一設備的輸入能量為 1000 焦耳,損失能量為 100 焦耳,此設備的效率為何? (A) 10% (B) 20% (C) 90% (D) 900%
15 有一鐵質導體在 25℃時的電阻溫度係數為 0.008℃
-1
,電阻值為 50 歐姆,試求此鐵質導體在 90℃時 的電阻值為多少歐姆? (A) 38 (B) 48 (C) 76 (D) 114
16 某銅線直徑為 8 mm,長度為 10 km,若電阻係數ρ =1.724 × 10
-6
Ω− cm
2
/ cm ,則此銅線的電阻值約 為多少歐姆? (A) 0.29 (B) 0.34 (C) 1.17 (D) 3.43
17 銅線的電阻為零歐姆之推論絕對溫度T
0
= −234.5℃,則銅線溫度在 75℃時的電阻溫度係數α
75
約為多 少℃
-1
? (A) 0.00323 (B) 0.00426 (C) 0.00646 (D) 0.00852
18 有一抽水馬達輸出功率為 600 瓦特,若其效率為 80%,則其損失為多少瓦特? (A) 100 (B) 120 (C) 150 (D) 180
19 某直流電壓源供應三具串聯之電容器,其電容值分別為 10 µF、15 µF 及 30 µF,已知 10 µF 電容器之 充電電壓為 15 V,則電壓源之電壓為多少伏特? (A) 15 (B) 30 (C) 60 (D) 120
20 某直流電壓源供應二具並聯之電容器,其電容值分別為 10 µF 及 20 µF,已知 10 µF 電容器所儲存之 電量為 75 µC,則 20 µF 電容器所儲存之電量為多少 µC? (A) 37.5 (B) 75 (C) 150 (D) 225
21 某直流電壓源供應二具串聯之電容器,其電容值分別為 10 µF 及 30 µF,已知前者所儲存之電量為 750 µC,則電壓源之電壓為多少伏特? (A) 25 (B) 75 (C) 100 (D) 150
22 某電容器之電容值為 200 µF,已知其端電壓為 60 V,若將其充電至端電壓為 100 V 時,則其儲能所 增加之量為多少焦耳? (A) 0.16 (B) 0.32 (C) 0.64 (D) 1.28
23 電壓為 100 V 之直流電源,充電某電容值為 200 µF 之電容器,若充電電流為固定 0.1 A,則將電容器 充電充滿所需之時間為多少秒? (A) 0.1 (B) 0.2 (C) 0.5 (D) 1
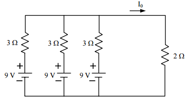
24 如圖所示電路,電流I
0
為多少安培?
(A) 1 (B) 2 (C) 3 (D) 4
25 如圖所示電路,電流I
0
為多少安培?
(A) 1 (B) 2 (C) 3 (D) 4
26 於圖中,當可變電阻R
X
為多少時,8 Ω之電阻可獲得最大功率?
(A) 3 歐姆 (B) 5 歐姆 (C) 6 歐姆(D) 8 歐姆 8 Ω(E)一律給分
27 如圖所示電路,其時間常數為多少?
(A) 1 ms (B) 1.5 ms (C) 3 ms (D) 10 ms
28 如圖所示,試求電流I
A
之值:
(A) 0.5 安培 (B) 1.5 安培 (C) 2.5 安培 (D) 3.5 安培
29 試求圖中之電壓 V 為:
(A) 19 伏特 (B) 29 伏特 (C) 39 伏特 (D) 49 伏特
30 如圖所示電路,若三個電壓表讀數分別為V
1
=80 V、V
2
=100 V、V
3
=40 V,則此電路之功率因數為 何?
(A) 0.6、滯後 (B) 0.6、超前 (C) 0.8、滯後 (D) 0.8、超前
31 如圖所示之串聯電路化為等效並聯電路,則 R' 之值為幾歐姆?
(A) 10 (B) 15 (C) 16 (D) 20
複選題
32 如圖電路,試求線電流 i(t)的相量為多少安培?
(A) 9∠-90°(B) 9∠90° (C)9 √2 ∠-90° (D)9 √2 ∠90°
33 如圖所示,其總電流 I 大小應為多少安培?
(A) 5 (B) 13 (C) 17 (D) 47
34 如圖所示,試求 AB 兩點間之戴維寧等效電阻:
(A) 11 歐姆 (B) 14 歐姆 (C) 6 歐姆 (D) 18 歐姆
35 如圖所示,試求電流 I 為多少安培?
(A)-5 (B)-10 (C) 5 (D) 10
36 某電路如圖所示,若欲使V
ab
= 3 伏特,則電阻器R為多少Ω?
(A) 1 (B) 2 (C) 3 (D) 6
37 電感串聯電路如圖所示,已知L
1
= L
2
= 5 H、L
3
= 8 H、M
12
= 1 H、M
13
= M
23
=2 H,則ab端點間之總 電感值為多少H?
(A) 4 (B) 8 (C) 16 (D) 24
38 自感量分別為 4 H 及 3 H 之線圈,兩線圈間之互感值為 0.5 H,若將其串聯且使其互感為負,並通上 2A 的電流,則此時線圈儲存之總能量為多少焦耳? (A) 8 (B) 12 (C) 16 (D) 20
39 某金屬導線之電阻係數為 1.724 ×10
− 6
Ω −cm
2
/ cm ,長度為 100 公尺,直徑為 2 mm,則該導線之電 阻值為多少歐姆(Ω)? (A)0.550 (B)1.724 (C) 3.140 (D) 100
40 一系統由兩個子系統串聯而成,若該系統總輸入能量為 1000 焦耳,輸出能量為 600 焦耳,其中一子 系統的效率為 80%,則另一子系統的效率為何? (A) 60% (B) 70% (C) 75% (D) 80%
申論題 (0)
相關試卷
115年 - 115 初等考試_電子工程:基本電學大意#136711
115年 · #136711
114年 - 114 初等考試_電子工程:基本電學大意#124884
114年 · #124884
113年 - 113-2 國營臺灣鐵路股份有限公司_從業人員甄試_第 11 階-服務員-電機:基本電學大意#137070
113年 · #137070
113年 - 113 國營臺灣鐵路股份有限公司_從業人員甄試_第 11 階-服務員-電機:基本電學大意#118978
113年 · #118978
113年 - 113 初等考試_電子工程:基本電學大意#118528
113年 · #118528
112年 - 112 地方政府特種考試_五等_電子工程:基本電學大意#118365
112年 · #118365
112年 - 112 鐵路、國家安全情報特種考試_佐級、五等_電力工程、電子工程、電子組:基本電學大意#114946
112年 · #114946
112年 - 112 身心障礙特種考試_五等_電子工程:基本電學大意#113918
112年 · #113918
112年 - 112 初等考試_電子工程:基本電學大意#112884
112年 · #112884
111年 - 111 地方政府特種考試_五等_電子工程:基本電學大意#112591
111年 · #112591