阿摩線上測驗
登入
首頁
>
初等/五等/佐級◆基本電學大意
>
97年 - 97 地方政府特種考試_五等_電子工程:基本電學大意#6937
> 試題詳解
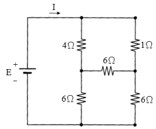
28. 如圖所示之電路中,已知E=20V時,則電流I為多少安培?
(A)2
(B)5
(C)10
(D)8
答案:
登入後查看
統計:
A(13), B(184), C(10), D(2), E(0) #296026
詳解 (共 2 筆)
V字白喵(臺鐵電務佐級)
B3 · 2018/03/19
#2679416
6歐姆跟6歐姆跟6歐姆使用三角化Y=2歐...
(共 64 字,隱藏中)
前往觀看
3
0
KB
B1 · 2014/12/13
#954692
1
0
相關試題
29. 空氣中兩電荷之排列如圖所示,其中Q1=Q2=+10微庫倫,試計算A點的電場強度為多少牛頓/庫倫及電場方向為何?(A)7.5x103,方向向右(B)10x103,方向向右(C)3x103,方向向左(D)2.5x103,方向向左
#296027
30. 將10×10-2庫倫之電荷,逆著電場方向從A點移到B點,其位能由10焦耳變為30焦耳,則A、B兩點之電位差VAB,即(VA-VB),為多少伏特?(A)160(B)100(C)-120(D)-200
#296028
31. 下列有關熱量之敘述,何者錯誤?(A)1焦耳=0.24卡(B)電流通過導體產生的熱量與電流平方成正比(C)1卡為使1磅的水升高1℉ 所需之熱量(D)電流通過導體產生的熱量與電阻大小成正比
#296029
32. 二台電動機,若一台之額定為110伏特、1馬力、效率為0.80;另一台之額定為110伏特、2馬力、效率為0.85,求並聯運轉且外接110伏特額定電壓時之總體效率為何?(A)0.85(B)0.825(C)0.83(D)0.68
#296030
33. 將3庫倫電荷由a點移至b點需要18焦耳,試求a、b二點間電壓(Va-Vb)為多少伏特?(A)-54(B)54(C)-6(D)6
#296031
34. 一燈泡於額定電壓為100伏特時,其功率為60瓦特,若降低供電電壓至50伏特,此時功率為多少瓦特?(A)15(B)30(C)120(D)240
#296032
35. 某一碳電阻為1仟歐姆,額定功率為0.25瓦特;另一碳電阻為3仟歐姆,額定功率為0.5瓦特,若兩電阻串聯連接,求其所能承受最大電流約為多少毫安?(A)13.6(B)15.8(C)10.7(D)12.9
#296033
36. 某電容器所儲存的電荷為0.4庫倫,端電壓為100伏特,則其儲存的能量為多少焦耳?(A)8(B)2000(C)40(D)20
#296034
37. 有一1000瓦特之電鍋,將其外加電壓減少一半時,則功率變為多少瓦特?(A)250 (B)500 (C)2000 (D)4000
#296035
38. 下列何種電阻器是以硫化鎘CdS作成之特殊電阻?(A)敏阻器(B)熱阻器(C)壓敏電阻器(D)光敏電阻器
#296036
相關試卷
115年 - 115 初等考試_電子工程:基本電學大意#136711
2026 年 · #136711
114年 - 114 初等考試_電子工程:基本電學大意#124884
2025 年 · #124884
113年 - 113-2 國營臺灣鐵路股份有限公司_從業人員甄試_第 11 階-服務員-電機:基本電學大意#137070
2024 年 · #137070
113年 - 113 國營臺灣鐵路股份有限公司_從業人員甄試_第 11 階-服務員-電機:基本電學大意#118978
2024 年 · #118978
113年 - 113 初等考試_電子工程:基本電學大意#118528
2024 年 · #118528
112年 - 112 地方政府特種考試_五等_電子工程:基本電學大意#118365
2023 年 · #118365
112年 - 112 鐵路、國家安全情報特種考試_佐級、五等_電力工程、電子工程、電子組:基本電學大意#114946
2023 年 · #114946
112年 - 112 身心障礙特種考試_五等_電子工程:基本電學大意#113918
2023 年 · #113918
112年 - 112 初等考試_電子工程:基本電學大意#112884
2023 年 · #112884
111年 - 111 地方政府特種考試_五等_電子工程:基本電學大意#112591
2022 年 · #112591