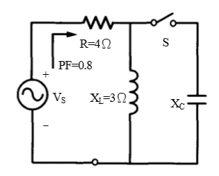
7. 如圖所示電路中,若無論開關S為on或off,電路之功率因數均為 0.8,則XC之大小為多少歐姆?
(A)3
(B)1
(C)6
(D)1.5
答案:登入後查看
統計: A(37), B(13), C(62), D(156), E(0) #295995
統計: A(37), B(13), C(62), D(156), E(0) #295995
詳解 (共 5 筆)
#1488614

9
0
#1488609
先把並聯完後的電容電感阻抗當成-j3 設xc等於-jx
2
0
#1404530
請問要怎麼算
1
0
#954615
1
0