阿摩線上測驗
登入
首頁
>
電子學(包括電力電子學)
>
102年 - 102 專技高考_電機工程技師:電子學(包括電力電子學)#38814
> 申論題
題組內容
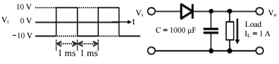
一、下圖為一半波整流濾波電路與其輸入波形,假設二極體為理想二極體,正向偏壓 V
D
= 0 V,固定負載電流I
L
=1 A。(每小題 5 分,共 20 分)
⑴畫出其輸出波形。
相關申論題
⑵輸出最高電壓Vmax 大小為何?
#115286
⑶輸出最低電壓Vmin 大小為何?
#115287
⑷若要求Vmax − Vmin ≤ 0.2 V,最小的電容值 C 為何?
#115288
⑴運算放大器為理想的。
#115289
⑵運算放大器的不理想特性為VOS = 10 mV(Offset Voltage),其餘特性理想。
#115290
⑴畫出此一電路的等效小信號模型。
#115291
⑵直流增益(DC Gain)Avo。
#115292
⑶以米勒定理將CC拆解為輸出與輸入兩個電容,求其值並畫出小信號模型。
#115293
⑷根據⑶所得的小信號模型,求出此一電路的主極點(Dominant Pole),以角頻率ω表之。
#115294
⑴直流增益(DC Gain)Avo。
#115295
相關試卷
114年 - 114 專技高考_電機工程技師:電子學(包括電力電子學)#133721
114年 · #133721
113年 - 113 專技高考_電機工程技師:電子學(包括電力電子學)#123968
113年 · #123968
112年 - 112 專技高考_電機工程技師:電子學(包括電力電子學)#117584
112年 · #117584
111年 - 111 專技高考_電機工程技師:電子學(包括電力電子學)#111979
111年 · #111979
110年 - 110 專技高考_電機工程技師:電子學(包括電力電子學)#104211
110年 · #104211
109年 - 109 專技高考_電機工程技師:電子學(包括電力電子學)#93178
109年 · #93178
108年 - 108 專技高考_電機工程技師:電子學(包括電力電子學)#80903
108年 · #80903
107年 - 107 專技高考_電機工程技師:電子學(包括電力電子學)#72994
107年 · #72994
104年 - 104 專技高考_電機工程技師:電子學(包括電力電子學)#38541
104年 · #38541
103年 - 103 專技高考_電機工程技師:電子學(包括電力電子學)#38813
103年 · #38813