阿摩線上測驗
登入
首頁
>
電子學(包括電力電子學)
>
96年 - 96 專技高考_電機工程技師:電子學(包括電力電子學)#38775
> 申論題
題組內容
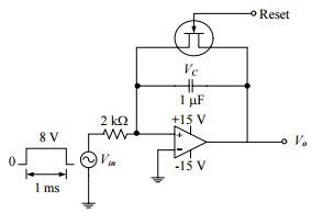
六、如下圖之積分器(Integrator):(20 分)
⑴試求在脈衝端點(End of the pulse)時之電容電壓 VC。
相關申論題
⑵若放大器之差模增益(Differential voltage gain)為 100,000,試求閉迴路時間常數 (Closed-loop time constant)。 Reset VC 1 µF 2 kΩ +15 V 8V + Vo - 0 Vin -15 V 1 ms
#115161
⑴何謂「網路拓撲(network topology)」?請舉二例,並說明其特性。
#115162
⑵「網際網路」之協定層堆疊(protocol stack)為何?並為各協定層舉一協定實例。 (10 分)
#115163
⑴ NAT
#115164
⑵ HTTP
#115165
⑶ Encapsulation
#115166
⑴約需要經過多少個 RTT 時間(round-trip time)之後,FTP Server 才能夠開始一次 送出 32 個 MSS 以上的資料給此 FTP Client?
#115167
⑵假設上述檔案大小為 188,000 位元組(byte),MSS 為 1,460 位元組,則 FTP Client 將此檔案下載完成至少約須經過多少個 RTT 時間? *請務必解釋清楚(說明理由),否則不予計分。 (10 分)
#115168
⑴何謂「FTTB」?請寫出中文或英文全名,並簡單說明之。
#115169
⑵下圖為一漸層式多模(graded-index multimode)光纖傳輸媒介的特性(profile) ,它具有較佳的聚合效果(ray focusing effect),所以傳輸失真也較小。請解釋 其原因。 (10 分) Input pulse Output pulse c Refraction index n = v n
#115170
相關試卷
114年 - 114 專技高考_電機工程技師:電子學(包括電力電子學)#133721
114年 · #133721
113年 - 113 專技高考_電機工程技師:電子學(包括電力電子學)#123968
113年 · #123968
112年 - 112 專技高考_電機工程技師:電子學(包括電力電子學)#117584
112年 · #117584
111年 - 111 專技高考_電機工程技師:電子學(包括電力電子學)#111979
111年 · #111979
110年 - 110 專技高考_電機工程技師:電子學(包括電力電子學)#104211
110年 · #104211
109年 - 109 專技高考_電機工程技師:電子學(包括電力電子學)#93178
109年 · #93178
108年 - 108 專技高考_電機工程技師:電子學(包括電力電子學)#80903
108年 · #80903
107年 - 107 專技高考_電機工程技師:電子學(包括電力電子學)#72994
107年 · #72994
104年 - 104 專技高考_電機工程技師:電子學(包括電力電子學)#38541
104年 · #38541
103年 - 103 專技高考_電機工程技師:電子學(包括電力電子學)#38813
103年 · #38813