阿摩線上測驗
登入
首頁
>
電磁學
>
109年 - 109 高等考試_三級_電子工程、電信工程:電磁學#88715
> 申論題
題組內容
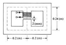
三、如圖之磁路系統,在中央分支鐵心有N = 200匝的線圈,流入 I = 3 A之穩態 電流,該鐵心的橫截面積為S = 10
-3
(m
2
)且相對導磁係數為μ
r
= 5000,試求:
(一)中央分支磁通量∅
0
及兩邊分支磁通量∅
1
。
相關申論題
一、試推導向量三重積恆等式,求得k1與k2為何?
#359778
(一)兩個球形導體上個別的電荷量。
#359779
(二)兩個球形導體表面的電場強度。
#359780
(二)中央分支鐵心磁場強度(H0 ) f 、空氣間隙磁場強度(H0 ) g 及兩邊分支鐵心 磁場強度H1。
#359782
四、在自由空間中有一平面電磁波,其電場相量及磁場相量為常數向量,為波數向量,為位置向量,應 用Maxwell方程式,證明以及自由空間本質阻抗。
#359783
五、一無損傳輸線的特徵阻抗為R0 = 50 Ω,長度為,連接另一條特徵阻抗為 R'0 ,長度為,以負載阻抗ZL = 40+j10 (Ω)匹配,試求達成匹配條件所需 的特徵阻抗R'0 及長度各為多少。
#359784
四、有一電路,包含一個內阻為 50 Ω,能產生電壓為 10 V,頻率為 300 MHz 的訊號產生器;訊號產生器連接一長度為 2 公尺,阻抗為50Ω的傳輸線; 傳輸線末端接上一阻抗為 (30 - 40 j )Ω 的負載。請詳細推導此電路中的相 位常數、傳輸線連接負載處的反射係數、傳輸線上電壓的表示式。以及若要讓負載端接收到最大的平均功率,其阻抗應設定為多少?(20 分)
#560645
三、在無損耗簡單介質(相對介電常數 relative permittivity 為 4,相對導磁係 數 relative permeability 為 1,導電率為 0)中,有一均勻平面波朝 + z 方向傳遞,已知其磁場強度 H= a y H y ,Hy 為頻率為 100 MHz 的弦波函數, 當 t= 0 且 z = 1 / 8(m) 時有最大值10-4 (A/m) 。請詳細推導此均勻平面波磁 場強度與電場強度的瞬時表示式。(20 分)
#560644
二、請詳述電磁場(包括電場強度、電通量密度、磁場強度、磁通量密度) 在兩介質交界處的邊界條件:介質 1 為介電質 dielectric、介質 2 為介電 質;介質 1 為介電質、介質 2 為完美導體。 (30 分)
#560643
(二)請詳細推導同軸電纜單位長度的電感大小。(15 分)
#560642
相關試卷
114年 - 114 地方政府公務特種考試_三等_電子工程、電信工程:電磁學#134740
114年 · #134740
114年 - 114 公務升官等考試_薦任_電子工程、電信工程:電磁學#133233
114年 · #133233
114年 - 114 高等考試_三級_電子工程、電信工程:電磁學#128778
114年 · #128778
113年 - 113 地方政府公務特種考試_三等_電子工程:電磁學#124547
113年 · #124547
113年 - 113 高等考試_三級_電子工程、電信工程:電磁學#121507
113年 · #121507
112年 - 112 地方政府特種考試_三等_電子工程:電磁學#118373
112年 · #118373
112年 - 112 公務升官等考試_薦任_電子工程、電信工程:電磁學#117309
112年 · #117309
112年 - 112 高等考試_三級_電子工程、電信工程:電磁學#115766
112年 · #115766
111年 - 111 地方政府特種考試_三等_電子工程:電磁學#112356
111年 · #112356
111年 - 111 高等考試_三級_電子工程:電磁學#109687
111年 · #109687