阿摩線上測驗
登入
首頁
>
電磁學
>
108年 - 108 地方特考_電子工程_三等:電磁學#81359
> 申論題
題組內容
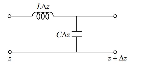
三、如圖所示,一段長度為∆z 的傳輸線的等效電路,其單位長度的電容為 C 、單位長度的電感為L,電壓分佈為 V(z ,t )、電流分佈為I ( z ,t )。
(一)請應用 Kirchhoff 電壓定律及電流定律推導V ( z , t)及I (z , t)的一階聯立 方程式。(10 分)
相關申論題
(四)推導外金屬球內側的電荷密度表示式。(5 分)
#331008
(五)推導兩金屬球間的電容表示式。(5 分)
#331009
(一)列出兩片平行金屬板內側的電流密度表示式。(6 分)
#331010
(二)列出金屬板之間的磁場表示式。(6 分)
#331011
(三)列出金屬板之間的總磁通量表示式。(6 分)
#331012
(四)推導此一金屬板包夾磁性材料結構的電感表示式。(7 分) V0 1 ε a b W0 h L0 0 I µ1 z x y 代號:34180 頁次:2-2
#331013
(二)求解上述聯立方程式推導出V (z ,t ) 及I ( z ,t ) 各自滿足的二階波動方程 式。(10 分)
#331015
(三)列出V ( z ,t )的通解,並代入一階聯立方程式得出I (z ,t )對應的表示式。 (5 分)
#331016
(一)將電場代入 Faraday’s law,推導出導波管內部的磁場表示式。(5 分)
#331017
(二)列出電場振幅與磁場振幅的比值。(5 分)
#331018
相關試卷
115年 - 115 身心障礙特種考試_三等_電子工程:電磁學#138984
115年 · #138984
114年 - 114 地方政府公務特種考試_三等_電子工程、電信工程:電磁學#134740
114年 · #134740
114年 - 114 公務升官等考試_薦任_電子工程、電信工程:電磁學#133233
114年 · #133233
114年 - 114 高等考試_三級_電子工程、電信工程:電磁學#128778
114年 · #128778
113年 - 113 地方政府公務特種考試_三等_電子工程:電磁學#124547
113年 · #124547
113年 - 113 高等考試_三級_電子工程、電信工程:電磁學#121507
113年 · #121507
112年 - 112 地方政府特種考試_三等_電子工程:電磁學#118373
112年 · #118373
112年 - 112 公務升官等考試_薦任_電子工程、電信工程:電磁學#117309
112年 · #117309
112年 - 112 高等考試_三級_電子工程、電信工程:電磁學#115766
112年 · #115766
111年 - 111 地方政府特種考試_三等_電子工程:電磁學#112356
111年 · #112356