題組內容
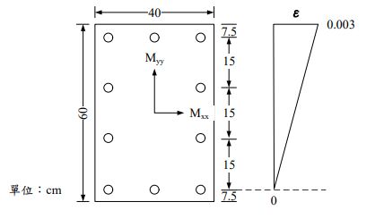
二、有一矩形鋼筋混凝土承壓柱構材,其斷面圖如下所示,鋼筋配置為 10 根 D29 鋼筋,單根 D29 鋼筋斷面積為 6.47 cm2,鋼筋降伏強度 fy 為 4200kgf/cm2, 彈性模數 Es 為 2040000 kgf/cm2,鋼筋中心保護層厚度均為 7.5 cm,混凝土強度 f’c = 315 kgf/cm2,若僅考慮強軸向(Mxx)之短柱設計,請回答下列問題:
二、有一矩形鋼筋混凝土承壓柱構材,其斷面圖如下所示,鋼筋配置為 10 根 D29 鋼筋,單根 D29 鋼筋斷面積為 6.47 cm2,鋼筋降伏強度 fy 為 4200kgf/cm2, 彈性模數 Es 為 2040000 kgf/cm2,鋼筋中心保護層厚度均為 7.5 cm,混凝土強度 f’c = 315 kgf/cm2,若僅考慮強軸向(Mxx)之短柱設計,請回答下列問題: