題組內容
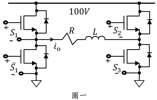
二、如圖一所示之全橋電路,由四個增強型NMOS構成,輸入信號為週期性方波 S1與其反置信號
,使上下臂互鎖,如S1為使NMOS導通之高電位,則
為使NMOS關閉之低電位,反之亦然,負載為一電阻R=1 Ω串聯一電感 L=10 mH。(每小題10分,共20分)
(二)初始電流為 io=10 A, S1、S2與S3同為低電位,說明電流路徑且繪製輸出電流io波形,須標示時間終止時之電流,0 ≤ t≤2✖10-4sec。
二、如圖一所示之全橋電路,由四個增強型NMOS構成,輸入信號為週期性方波 S1與其反置信號
,使上下臂互鎖,如S1為使NMOS導通之高電位,則
為使NMOS關閉之低電位,反之亦然,負載為一電阻R=1 Ω串聯一電感 L=10 mH。(每小題10分,共20分)
(二)初始電流為 io=10 A, S1、S2與S3同為低電位,說明電流路徑且繪製輸出電流io波形,須標示時間終止時之電流,0 ≤ t≤2✖10-4sec。