阿摩線上測驗
登入
首頁
>
電子學(包括電力電子學)
>
103年 - 103 專技高考_電機工程技師:電子學(包括電力電子學)#38813
> 申論題
題組內容
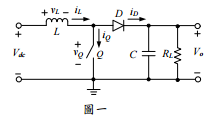
一、圖一為升壓型(Boost)轉換器,假設所有元件及開關均為理想,該轉換器以 PWM 驅動 並已達穩態(steady state),其工作週期(duty cycle)D ≡
ton
/T,而
ton
為 Q 的導通時 間及 T 為開關週期。若此升壓型轉換器工作在邊界條件(Boundary condition),試求:
⑵依 PWM 開關訊號,繪出 vQ,iQ,iL,vL 及 iD 的相關波形,並須標示電壓大小、 電流峰值及時間座標。(繪圖時以電路上的符號標示為參考極性)(10 分)
相關申論題
⑴Vo /Vdc 為多少?(以 D 和 T 為參數表示)(5 分)
#115271
⑶開關元件 Q 的最大耐壓至少為多少?(5 分)
#115273
⑵承⑴,若s = jω ,則轉移函數之增益大小及相角 分別為多少?(5 分)
#115275
⑶當ω = 0和ω = ∞,則此電路的相角分別為若干? 該電路應是什麼類型濾波器?(5 分)
#115276
⑴試推導送到負載的功率 PL 的公式並求其 PL。(7 分)
#115277
⑵試推導由電源提供電路的平均功率 PS 的 公式並求其 PS。(8 分)
#115278
⑶試求此電路的效率η。(5 分)
#115279
⑴由電容 CC1兩端點 D 和 E 所看入的等效電阻 RDE為多少?(7 分)
#115280
⑵由電容 CE兩端點 A 和 B 所看入的等效電阻 RAB為多少?(7 分)
#115281
⑶若要使低頻-3dB 頻率ωL相同,則 CE/CC1的比值應為若干?(6 分)
#115282
相關試卷
114年 - 114 專技高考_電機工程技師:電子學(包括電力電子學)#133721
114年 · #133721
113年 - 113 專技高考_電機工程技師:電子學(包括電力電子學)#123968
113年 · #123968
112年 - 112 專技高考_電機工程技師:電子學(包括電力電子學)#117584
112年 · #117584
111年 - 111 專技高考_電機工程技師:電子學(包括電力電子學)#111979
111年 · #111979
110年 - 110 專技高考_電機工程技師:電子學(包括電力電子學)#104211
110年 · #104211
109年 - 109 專技高考_電機工程技師:電子學(包括電力電子學)#93178
109年 · #93178
108年 - 108 專技高考_電機工程技師:電子學(包括電力電子學)#80903
108年 · #80903
107年 - 107 專技高考_電機工程技師:電子學(包括電力電子學)#72994
107年 · #72994
104年 - 104 專技高考_電機工程技師:電子學(包括電力電子學)#38541
104年 · #38541
103年 - 103 專技高考_電機工程技師:電子學(包括電力電子學)#38813
103年 · #38813