阿摩線上測驗
登入
首頁
>
技師◆基礎工程與設計
>
104年 - 104年專門職業及技術人員高等建築師、技師、第二次食品技師暨普通不動產經紀人、記帳士考專技高考_大地工程技師#36265
> 申論題
題組內容
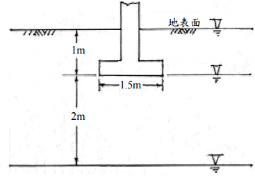
二、下圖條型基腳之寬度為 1.5 m,埋設深度為 1.0 m,土壤單位重為 17.0 kN/m
3
,飽和 土壤單位重為 19.0 kN/m
3
,水的單位重為 9.81 kN/m
3
,土壤內摩擦角 25 度,凝聚力為 0 kN/m
2
。假設土壤承載荷重後發生全面剪壞,請使用 Terzaghi 極限承載力公式,安全 係數為 3.0,請計算此條型基腳在下列三種狀況下之允許總(gross)垂直承載力。
⑵地下水位在淺基礎底面。(5 分)
相關申論題
⑴請計算並繪出牆背面 A、B 及 C 點承受之水平有效土壓力及水壓力。(10 分)
#100056
⑵請計算擋土牆承受側向土水壓總合力之大小及作用位置。(15 分)
#100057
⑴地下水位在地表面。(10 分)
#100058
⑶地下水位在淺基礎底面下 2 m 處。(5 分) (註:當φ = 25°,Nc = 25.13,Nq = 12.72 ,Nγ = 8.34)
#100060
三、降低擋土牆後之地下水位,對牆體之安定性助益甚大。請繪圖說明降低擋土牆後之 地下水位的各種方法。(20 分)
#100061
⑴請繪出作用在擋土壁之視土壓力分布。(10 分)
#100062
⑵請計算 A、B、C 層水平支撐承受之荷重。(10 分)
#100063
⑶假設鋼材之允許應力為 170 MN/m2 ,請計算此支撐開挖板樁擋土壁的斷面模數。 (15 分)
#100064
五、已知一邊坡之土壤性質 = 18.0 kN/m3、φ = 34°、c' = 0 kPa,潛在滑動面如圖 2,共有 7 個切片,每一切片體的幾何與方位如表 2 所示。在無水壓力條件下,應用 Bishop(1955)簡化切片法,並假設切片兩側之剪力無變化 (△T = 0) ,計算該潛在滑動面的安全係數? 註:安全係數是介於 1.40~2.00,因限於考試時間,僅需迭代計算 2 次即可,並以 第 2 次計算值為評分標準。
#557826
四、我國建築物基礎構造設計規範對於筏式基礎之結構設計,建議以參數 β 來區分,若柱與柱中心距小於1.75/β 時,可採用剛性基礎分析方法設計, 反之,則應採用柔性基礎分析方法設計之。說明 β之定義,以及來自何控制方程式?
#557825
相關試卷
114年 - 114 專技高考_大地工程技師:基礎工程與設計(包括開挖工程及基礎相關結構設計)#133716
114年 · #133716
114年 - 114 專技高考_大地工程技師(二):基礎工程與設計#133660
114年 · #133660
113年 - 113 專技高考_大地工程技師(二):基礎工程與設計#123932
113年 · #123932
113年 - 113 專技高考_大地工程技師:基礎工程與設計(包括開挖工程及基礎相關結構設計)#123905
113年 · #123905
112年 - 112 專技高考_大地工程技師(二):基礎工程與設計#117682
112年 · #117682
112年 - 112 專技高考_大地工程技師:基礎工程與設計(包括開挖工程及基礎相關結構設計)#117668
112年 · #117668
111年 - 111 專技高考_大地工程技師(二):基礎工程與設計#111855
111年 · #111855
110年 - 110 專技高考_大地工程技師(二):基礎工程與設計#104206
110年 · #104206
109年 - 109 專技高考_大地工程技師(二):基礎工程與設計#93314
109年 · #93314
109年 - 109 專技高考_大地工程技師:基礎工程與設計(包括開挖工程及基礎相關結構設計)#93271
109年 · #93271