阿摩線上測驗
登入
首頁
>
電子學(包括電力電子學)
>
101年 - 101 專技高考_電機工程技師:電子學(包括電力電子學)#38809
> 申論題
題組內容
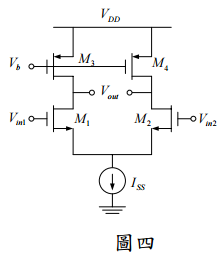
四、如圖四所示之電路,假設電晶體完全對稱且所有電晶體有相同之平衡過驅電壓 (equilibrium overdrive voltage),功率損耗為 2mW, λn = 0.1V
-1
,λp=0.2V
-1
,μ
n
C
ox
=100μA/V
2
,μ
p
C
ox
=50 μA/V
2
, V
DD
=1.8V,
⑵當差動電壓增益為 40 時,求( W/ L )
1,2
與( W/L )
3,4
。(10 分)
相關申論題
一、⑴請敘述如何進行電鍍輻射源的滲漏測試。⑵請敘述執行擦拭測試時的原則。(10 分)
#115261
二、⑴如何進行高活度的輻射源的擦拭測試(smear test)?⑵請敘述使用電子捕獲偵檢 器(ECD,含 63Ni)之氣相層析儀如何進行擦拭測試。(10 分)
#115262
三、請敘述貝他(β)密封放射性物質的輻射防護原則。(10 分)
#115263
四、某鈷 60(60Co)密封射源造成空間內某點處的吸收劑量率為 300 µGy/h,請問該點處連 續接受曝露 15.78 年累積的吸收劑量為何?[鈷 60 的 t1/2=5.26y](10 分)
#115264
五、已知銫 137(137Cs)密封射源的Γ值為 3.2 R cm2 h-1 mCi-1 ,試求將距離 10 Ci 之 137Cs 射源 1 m 處,曝露率降至 50 µR/h 需加多少公分的鉛?(鉛對 137Cs 加馬射線的 HVL 為 0.7 cm)(10 分)
#115265
六、已知鈷 60(60Co)密封射源活度為 1 TBq,若以 12 cm 厚的鉛作屏蔽,試求距射源 1 m 處的曝露率。已知Γ Co-60=1.32 (R m2 )/(Ci h),60Co 的 HVL=1.2 cm Pb。(10 分)
#115266
八、以 NaI(Tl)測量 137Cs 密封射源的γ能譜,在 NaI(Tl)無機閃爍體中反覆吸收 662 keV 的γ光子而產生光電子數目分布。⑴假設 NaI(Tl)的解析度 R 為 10%,NaI(Tl)閃爍 偵檢器每記錄一個事件均伴隨著消耗 662 keV 的γ能量,則產生一個光電子所需的 能量 W 為何?⑵若氣體比例計數器的 W=30 eV/i.p.,則氣體比例計數器吸收 137Cs 的γ光子平均產生的電子數 N 為何?氣體比例計數器的解析度 R 為何?(10 分)
#115268
九、某一輻射工作人員操作 370 MBq 的密封 β 射源,胸部配戴之人員劑量計與此射源的 距離為 50 cm,劑量計測得之 β- 射線之劑量為 100 µSv,請問此人操作密封 β 射源 時間為何?(β- 射線在人體的阻止本領為 0.25 MeV m2 kg-1 )(10 分)
#115269
十、鈷 60(60Co)密封射源一枚,其活度為 3.7 TBq,因操作不謹慎掉落鉛罐外,某輻射工 作人員奉命執行計畫特別曝露;在無屏蔽狀況下該員用長夾子距射源 80 cm 以 10 秒時間將射源夾入鉛罐中,事前已查核該員本年從事例行輻射工作已累積有效劑量 達 10 mSv,且該員在此次計畫特別曝露之後將於該年度不再接受任何職業曝露,試 問該員執行該項計畫特別曝露所接受之劑量是否違反「游離輻射防護安全標準」之規 定?(已知 60Co 於 1 m 處之加馬劑量率常數Γ=3.703×10-4 mSv/h MBq)(10 分)
#115270
⑴Vo /Vdc 為多少?(以 D 和 T 為參數表示)(5 分)
#115271
相關試卷
114年 - 114 專技高考_電機工程技師:電子學(包括電力電子學)#133721
114年 · #133721
113年 - 113 專技高考_電機工程技師:電子學(包括電力電子學)#123968
113年 · #123968
112年 - 112 專技高考_電機工程技師:電子學(包括電力電子學)#117584
112年 · #117584
111年 - 111 專技高考_電機工程技師:電子學(包括電力電子學)#111979
111年 · #111979
110年 - 110 專技高考_電機工程技師:電子學(包括電力電子學)#104211
110年 · #104211
109年 - 109 專技高考_電機工程技師:電子學(包括電力電子學)#93178
109年 · #93178
108年 - 108 專技高考_電機工程技師:電子學(包括電力電子學)#80903
108年 · #80903
107年 - 107 專技高考_電機工程技師:電子學(包括電力電子學)#72994
107年 · #72994
104年 - 104 專技高考_電機工程技師:電子學(包括電力電子學)#38541
104年 · #38541
103年 - 103 專技高考_電機工程技師:電子學(包括電力電子學)#38813
103年 · #38813