阿摩線上測驗
登入
首頁
>
電路學
>
99年 - 99 高等考試_二級_電子工程:高等電子電路學(包括類比與數位)#27564
> 申論題
題組內容
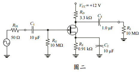
二、圖二為接面場效電晶體(JFET)構成的共源極放大器。
⑵請說明圖二中電容器 C
1
、C
2
、C
3
及電阻器 R
S
的作用。(3 分)
相關申論題
⑴請繪出變壓器輸出端之間的電壓波形,並註明峰值電壓。(5 分)
#49803
⑵請繪出整流器的輸出電壓(Vout)波形,並註明峰值電壓。(5 分)
#49804
⑶求流經二極體的最大電流。(2 分)
#49805
⑷圖中所使用的二極體,其最小需承受之峰值反向電壓(peak inverse voltage)為何? (3 分)
#49806
⑶求共源極放大器的中頻(midrange)電壓增益 Av(mid)。(8 分)
#49809
⑷若電晶體中 Cgd = 3 pF、Cgs = 5 pF,導出輸入 RC 電路並求其對應之高 3 dB 頻率。 (5 分)
#49810
⑸導出輸出 RC 電路並求其對應之高 3 dB 頻率。(5 分)
#49811
⑴若要確保任一電晶體操作於截止區,其最高可容許的輸入電壓 VIL為何?(3 分)
#49812
⑵若要確保電晶體 Q1進入飽和區,VIN1最低的輸入電壓為何?(4 分)
#49813
⑶若已知電晶體 Q2 操作於飽和區,使 Q1 進入飽和區的最低的輸入電壓 VIN1 為何? 綜合上列結果,此邏輯閘的 VIH為何?(5 分)
#49814
相關試卷
115年 - 115 身心障礙特種考試_三等_電子工程:電路學#138936
115年 · #138936
114年 - 114 地方政府公務特種考試_三等_電力工程、電子工程、電信工程:電路學#134770
114年 · #134770
114年 - 114 專技高考_電機工程技師:電路學#133707
114年 · #133707
114年 - 114 專技高考_電子工程技師:電路學#133700
114年 · #133700
114年 - 114 公務升官等考試_薦任_電力工程、電子工程、電信工程:電路學#133241
114年 · #133241
114年 - 114 高等考試_三級_電力工程、電子工程、電信工程:電路學#128784
114年 · #128784
113年 - 113-2 國營臺灣鐵路股份有限公司_從業人員甄試_第8階-助理工程師-電機:電路學#137142
113年 · #137142
113年 - 113 地方政府公務特種考試_三等_電力工程、電子工程:電路學#124508
113年 · #124508
113年 - 113 專技高考_電機工程技師:電路學#123962
113年 · #123962
113年 - 113 專技高考_電子工程技師:電路學#123933
113年 · #123933