阿摩線上測驗
登入
首頁
>
電路學
>
96年 - 96 關務特種考試_三等_電機工程:電子學與電路學#37346
> 申論題
題組內容
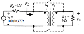
一、
⑵令開關斷開且理想變 壓器接上,求功率 P
L
。(10 分)
相關申論題
⑵設運算放大器之輸出正負飽和電壓為 2V, 繪出其輸出電壓之波形;
#106496
⑶改令 vi2 = 1.0 V,繪出其輸出電壓之波形。(10 分)
#106497
⑴圖示之電路,如理想變壓器除去且開關接上,求功率 PL;
#106478
⑴圖示之雙埠網路,求其導納矩陣參數 y11, y12, y21, y22及混合矩陣參數 h11, h12, h21, h22;
#106480
⑵將此網路轉換成∆-接網路。(15 分)
#106481
⑴圖示之電路,開關 S1及 S2之導通情況如下: S1 :ON : 0 ≤ t < 5s; OFF : 5s ≤ t S2 :OFF : 0 ≤ t < 5s; ON : 5s ≤ t 設 iL(0) = 0,求算出電感電流之表示式;
#106482
⑵草繪出電感電流之波形。 (10 分)
#106483
⑵求出Hv (s) 之極點 及零點;
#106486
⑶草繪出Hv (s) 之波德圖(Bode plots);
#106487
⑷說明Rc之功用及值。(15 分)
#106488
相關試卷
114年 - 114 地方政府公務特種考試_三等_電力工程、電子工程、電信工程:電路學#134770
114年 · #134770
114年 - 114 專技高考_電機工程技師:電路學#133707
114年 · #133707
114年 - 114 專技高考_電子工程技師:電路學#133700
114年 · #133700
114年 - 114 公務升官等考試_薦任_電力工程、電子工程、電信工程:電路學#133241
114年 · #133241
114年 - 114 高等考試_三級_電力工程、電子工程、電信工程:電路學#128784
114年 · #128784
113年 - 113-2 國營臺灣鐵路股份有限公司_從業人員甄試_第8階-助理工程師-電機:電路學#137142
113年 · #137142
113年 - 113 地方政府公務特種考試_三等_電力工程、電子工程:電路學#124508
113年 · #124508
113年 - 113 專技高考_電機工程技師:電路學#123962
113年 · #123962
113年 - 113 專技高考_電子工程技師:電路學#123933
113年 · #123933
113年 - 113 高等考試_三級_電力工程、電子工程、電信工程:電路學#121512
113年 · #121512