題組內容
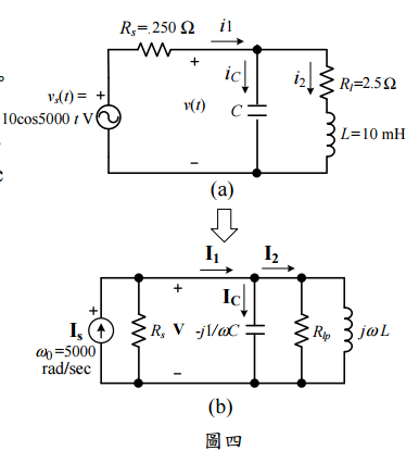
四、如圖四(a)電路所示,交流電壓電源為 vs (t ) = Vs ,rms cos5000 t = 10cos5000 t V (Vs ,rms 為有效值)及電源內阻為 Rs = 250 Ω 。Rl=2.5Ω (t) vs已知電感 L = 10 mH 和電感內阻 Rl = 2.5 Ω, 此電路的並聯模式等效電路如圖四(b)所示。 若設計此電路在電源頻率為ω = ω0 = 5000 rad/sec (a) 時共振,(注意:電路圖中,正楷大寫粗字 體符號表示相量,phasor),試分別計算 下列問題:

⑵電感內阻 Rl 轉成等效電路之 Rlp =? 及等效電路之電流源 Is =?(8 分)
詳解 (共 2 筆)
詳解
0.0
詳解
請問Is怎麼算?