阿摩線上測驗
登入
首頁
>
技師◆結構設計
> 100年 - 100年民航人員、100年外交領事人員及國際新聞人員、100年法務部調查局調查人員、100年國家安全局國家安全情報人員、100年社會福利工作人員、100年國際經濟商務人員考三等_營繕工程組#27093
100年 - 100年民航人員、100年外交領事人員及國際新聞人員、100年法務部調查局調查人員、100年國家安全局國家安全情報人員、100年社會福利工作人員、100年國際經濟商務人員考三等_營繕工程組#27093
科目:
技師◆結構設計 |
年份:
100年 |
選擇題數:
0 |
申論題數:
6
試卷資訊
所屬科目:
技師◆結構設計
選擇題 (0)
申論題 (6)
⑴試繪圖並說明圖示鋼筋混凝土梁在破壞前可能產生之撓曲及剪力開裂。(10 分)
⑵試核算此梁在 AB 支承間之撓曲強度是否足夠。(15 分)
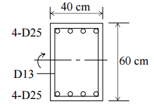
【已刪除】二、試檢核圖示鋼筋混凝土柱斷面是否能承受設計載重M
u
= 69 tf-m及P
u
= 196 tf。 (25 分) 已知條件: fc’ = 280 kgf/cm
2
, f
y
= 4200 kgf/cm
2
D13 鋼筋,d
b
= 1.27 cm, a
s
= 1.27 cm
2
;D25 鋼筋,d
b
= 2.54 cm, a
s
= 5.07 cm
2
三、請繪圖說明梁柱構件之 P −
δ
效應與 P − Δ 效應。(15 分)
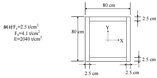
【已刪除】四、一箱型組合之梁柱構件斷面如圖示,長 5M,為結實斷面且 L
b
<L
c
,假設 K
x
=K
y
= 1 軸向荷重 220 t,強軸彎矩M
x
= 80 t − m,弱軸彎矩M
y
= 60 t − m,兩 方向皆為單曲率彎曲,試以 ASD 規範分析此梁柱構件是否適宜。(20 分)
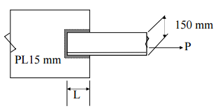
【已刪除】五、圖示L150X100X15 角鋼與 15 mm厚之鋼鈑以填角銲接合,填角銲角長為 10 mm, 使用SM41 鋼材及E70XX銲條,試依據LRFD規範求此接合可承受之最大工作 荷重P,及所需之銲道長度L。假設靜荷重為活荷重之 2 倍。鋼材F
y
= 2.5 t/cm
2
, F
u
= 4.1 t/cm
2
,銲條F
EXX
= 4.9 t/cm
2
。(15 分)
相關試卷
114年 - 114 專技高考_土木工程技師:結構設計(包括鋼筋混凝土設計與鋼結構設計)#133709
114年 · #133709
114年 - 114 司法特種考試_三等_檢察事務官營繕工程組:結構設計(包括鋼筋混凝土設計與鋼結構設計)#129579
114年 · #129579
113年 - 113 專技高考_土木工程技師:結構設計(包括鋼筋混凝土設計與鋼結構設計)#123949
113年 · #123949
113年 - 113 司法特種考試_三等_檢察事務官營繕工程組:結構設計(包括鋼筋混凝土設計與鋼結構設計)#122119
113年 · #122119
112年 - 112 專技高考_土木工程技師:結構設計(包括鋼筋混凝土設計與鋼結構設計)#117675
112年 · #117675
112年 - 112 司法特種考試_三等_檢察事務官營繕工程組:結構設計(包括鋼筋混凝土設計與鋼結構設計)#116212
112年 · #116212
111年 - 111 專技高考_土木工程技師:結構設計(包括鋼筋混凝土設計與鋼結構設計)#111976
111年 · #111976
111年 - 111 司法特種考試_三等_檢察事務官營繕工程組:結構設計(包括鋼筋混凝土設計與鋼結構設計)#110324
111年 · #110324
110年 - 110 專技高考_土木工程技師:結構設計(包括鋼筋混凝土設計與鋼結構設計)#104169
110年 · #104169
110年 - 110 司法特種考試_三等_檢察事務官營繕工程組:結構設計(包括鋼筋混凝土設計與鋼結構設計)#103219
110年 · #103219