阿摩線上測驗
登入
首頁
>
技師◆結構設計
> 100年 - 100年專門職業及技術人員高等建築師、技師、第2次食品技師暨普通不動產經紀人、記帳士考高等_結構工程技師#27082
100年 - 100年專門職業及技術人員高等建築師、技師、第2次食品技師暨普通不動產經紀人、記帳士考高等_結構工程技師#27082
科目:
技師◆結構設計 |
年份:
100年 |
選擇題數:
0 |
申論題數:
8
試卷資訊
所屬科目:
技師◆結構設計
選擇題 (0)
申論題 (8)
一、美國 AISC 2010 年版鋼結構設計規範第 C 章(Chapter C: Design for Stability),針 對 AISC 2005 年版第 C 章(Chapter C: Stability Analysis and Design)作大幅修改, 將 2005 年版原有第 C 章移至附錄而改用全新規範。AISC 2010 年版第 C 章中針對 鋼結構穩定問題,要求以直接分析法(Direct Analysis Method of Design)進行鋼結 構強度確認,此法對於巨蛋、機場大廳、模板支撐等整體細長比大的鋼結構設計尤 其重要。直接分析法需要考慮二階分析(Second-order Analysis)、起始不完美 (Initial Imperfections)、勁度修正(Adjustments to Stiffness)等議題;也要求設計 載重使用 1.0 倍 LRFD 混合載重(LRFD load combinations),或 1.6 倍 ASD 混合載 重(1.6 times ASD load combinations)。 試簡要說明 AISC 2010 年規範第 C 章中,⑴二階分析與一階分析有何不同?⑵二階 分析除直接設置結構起始不完美外,亦可使用何者來模擬此起始不完美?⑶二階分 析為何要作勁度修正?什麼情況下需要作勁度修正?⑷ 1.6 倍 ASD 載重中,如何得 出此係數 1.6?(25 分)
【已刪除】二、AISC 規範針對承壓之鋼架結構系統,在其內部受靠桿效應(Leaning column effect) 影響時,建議宜參考萊梅厥公式(LeMessurier formula)作有效長度係數 K 值的修 正,修正公式如右所示:
P
i
:欲求 K 值之柱所受的垂直載重 P
e
:柱之尤拉挫屈載重(Euler buckling load) ΣP :整體結構承受的總垂直外載重 ΣP
eK
:整體結構所有非靠桿且考慮相應有效長度係數後之挫屈載重(Buckling load) 下圖中有兩個鋼架結構,已知鋼架(I)中柱 CD,鋼架(II)中柱 CD、柱 EF 及柱 GH 為靠桿。試以萊梅厥公式,分別求解鋼架(I)及鋼架(II)中柱 AB 之有效長 度係數 K
(I)AB
及 K
(II)AB
,並試求二鋼架結構系統總挫屈載重ΣP
(I)cr
及ΣP
(II)cr
之比 值,即ΣP
(I)cr /
ΣP
(II)cr
=?(25 分)
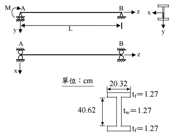
【已刪除】三、圖示為一鋼梁,已知鋼梁在 A 端有一彎矩 M 作用,鋼梁長度 L 為 812.8 cm,梁鋼 材特性及斷面尺寸如下所示。試用 LRFD 規範求解此鋼梁所能承受之標稱彎矩 M
n
,並 確認此梁挫屈時是否在彈性範圍內。(25 分) 型鋼材料特性及斷面尺寸: E=2100 tf/cm
2
,G=840 tf/cm
2
F
y
=2.52 tf/cm
2
,Fr=1.05 tf/cm
2
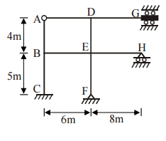
【已刪除】四、圖示為一無側撐鋼架,且 G 點不可轉動、H 點可轉動。各梁與柱之 I 值如下表所示。 試依據 Alignment Chart,並進行必要的修正,求取彈性範圍之柱 DE 及柱 EF 的有 效長度係數 K,並使用 ASD 規範求取非彈性範圍之柱 EF 的有效長度係數 K。(柱邊界 為鉸接(hinged end)時 G 可使用 10,為固接(Fixed end)時 G 可使用 1。)(25 分)
柱 EF 材料及斷面性質:F
y
=2.52 tf/cm
2
,E=2040 tf/cm
2
;r
x
=10.5 cm, I
x
=11400 cm
4
,A=104 cm
2
一、美國 AISC 2010 年版鋼結構設計規範第 C 章(Chapter C: Design for Stability),針 對 AISC 2005 年版第 C 章(Chapter C: Stability Analysis and Design)作大幅修改, 將 2005 年版原有第 C 章移至附錄而改用全新規範。AISC 2010 年版第 C 章中針對 鋼結構穩定問題,要求以直接分析法(Direct Analysis Method of Design)進行鋼結 構強度確認,此法對於巨蛋、機場大廳、模板支撐等整體細長比大的鋼結構設計尤 其重要。直接分析法需要考慮二階分析(Second-order Analysis)、起始不完美 (Initial Imperfections)、勁度修正(Adjustments to Stiffness)等議題;也要求設計 載重使用 1.0 倍 LRFD 混合載重(LRFD load combinations),或 1.6 倍 ASD 混合載 重(1.6 times ASD load combinations)。 試簡要說明 AISC 2010 年規範第 C 章中,⑴二階分析與一階分析有何不同?⑵二階 分析除直接設置結構起始不完美外,亦可使用何者來模擬此起始不完美?⑶二階分 析為何要作勁度修正?什麼情況下需要作勁度修正?⑷ 1.6 倍 ASD 載重中,如何得 出此係數 1.6?(25 分)
二、AISC 規範針對承壓之鋼架結構系統,在其內部受靠桿效應(Leaning column effect) 影響時,建議宜參考萊梅厥公式(LeMessurier formula)作有效長度係數 K 值的修 正,修正公式如右所示: Pi :欲求 K 值之柱所受的垂直載重 Pe :柱之尤拉挫屈載重(Euler buckling load) ΣP :整體結構承受的總垂直外載重 ΣPeK :整體結構所有非靠桿且考慮相應有效長度係數後之挫屈載重(Buckling load) 下圖中有兩個鋼架結構,已知鋼架(I)中柱 CD,鋼架(II)中柱 CD、柱 EF 及柱 GH 為靠桿。試以萊梅厥公式,分別求解鋼架(I)及鋼架(II)中柱 AB 之有效長 度係數 K(I)AB 及 K(II)AB,並試求二鋼架結構系統總挫屈載重ΣP(I)cr 及ΣP(II)cr 之比 值,即ΣP(I)cr / ΣP(II)cr=?(25 分)
三、圖示為一鋼梁,已知鋼梁在 A 端有一彎矩 M 作用,鋼梁長度 L 為 812.8 cm,梁鋼 材特性及斷面尺寸如下所示。試用 LRFD 規範求解此鋼梁所能承受之標稱彎矩 Mn,並 確認此梁挫屈時是否在彈性範圍內。(25 分) 型鋼材料特性及斷面尺寸: E=2100 tf/cm2 ,G=840 tf/cm2 Fy=2.52 tf/cm2 ,Fr=1.05 tf/cm2
四、圖示為一無側撐鋼架,且 G 點不可轉動、H 點可轉動。各梁與柱之 I 值如下表所示。 試依據 Alignment Chart,並進行必要的修正,求取彈性範圍之柱 DE 及柱 EF 的有 效長度係數 K,並使用 ASD 規範求取非彈性範圍之柱 EF 的有效長度係數 K。(柱邊界 為鉸接(hinged end)時 G 可使用 10,為固接(Fixed end)時 G 可使用 1。)(25 分) 柱 EF 材料及斷面性質:Fy=2.52 tf/cm2 ,E=2040 tf/cm2 ;rx=10.5 cm, Ix=11400 cm4 ,A=104 cm
相關試卷
114年 - 114 專技高考_土木工程技師:結構設計(包括鋼筋混凝土設計與鋼結構設計)#133709
114年 · #133709
114年 - 114 司法特種考試_三等_檢察事務官營繕工程組:結構設計(包括鋼筋混凝土設計與鋼結構設計)#129579
114年 · #129579
113年 - 113 專技高考_土木工程技師:結構設計(包括鋼筋混凝土設計與鋼結構設計)#123949
113年 · #123949
113年 - 113 司法特種考試_三等_檢察事務官營繕工程組:結構設計(包括鋼筋混凝土設計與鋼結構設計)#122119
113年 · #122119
112年 - 112 專技高考_土木工程技師:結構設計(包括鋼筋混凝土設計與鋼結構設計)#117675
112年 · #117675
112年 - 112 司法特種考試_三等_檢察事務官營繕工程組:結構設計(包括鋼筋混凝土設計與鋼結構設計)#116212
112年 · #116212
111年 - 111 專技高考_土木工程技師:結構設計(包括鋼筋混凝土設計與鋼結構設計)#111976
111年 · #111976
111年 - 111 司法特種考試_三等_檢察事務官營繕工程組:結構設計(包括鋼筋混凝土設計與鋼結構設計)#110324
111年 · #110324
110年 - 110 專技高考_土木工程技師:結構設計(包括鋼筋混凝土設計與鋼結構設計)#104169
110年 · #104169
110年 - 110 司法特種考試_三等_檢察事務官營繕工程組:結構設計(包括鋼筋混凝土設計與鋼結構設計)#103219
110年 · #103219