阿摩線上測驗
登入
首頁
>
工程力學(含靜力學、動力學與材料力學)
> 100年 - 100 身心障礙特種考試_三等_機械工程:工程力學(包括靜力學、動力學與材料力學)#27160
100年 - 100 身心障礙特種考試_三等_機械工程:工程力學(包括靜力學、動力學與材料力學)#27160
科目:
工程力學(含靜力學、動力學與材料力學) |
年份:
100年 |
選擇題數:
0 |
申論題數:
5
試卷資訊
所屬科目:
工程力學(含靜力學、動力學與材料力學)
選擇題 (0)
申論題 (5)
【已刪除】一、一負載 24 kN 垂直作用於圖示桁架(truss)之 E 點,試求支撐 A 與 B 處之反作用力, 並求 AC、CD 桿所受之力分別為多少?(20 分)
【已刪除】二、一質量為 500 g之小方塊靜置於半徑為 1.5 m之圓柱面上方,若施加一向右之初速度 v
0
,此方塊將於
θ
= 30°時與圓柱表面分離。若不考慮小方塊與圓柱表面之摩擦力,試 求⑴初速度v0之大小。⑵小方塊與圓柱分離前之瞬間,其作用於圓柱之作用力為多 少?(20 分)
【已刪除】三、桿件 AB 質量為 10 kg,其兩端滑塊 A 及 B(不考慮質量)分別限制在導管作水平及 垂直運動,在
θ
= 30°時桿件 AB 自由釋放(released from rest),至
θ
= 60°時,試 求⑴滑塊 A 與 B 之速度分別為多少?⑵桿件 AB 之角速度為多少?(20 分)
【已刪除】
四、一圓桿ABCD兩端A、D為固定端(fixed end),B點及C點距離兩端為x(x<L/2),在B
點及C點處分別施加大小相等、方向相反之扭矩(torque)T
0
。試求(1)欲在B點及C點處
產生最大之扭角,則x之值需為多少?(2)此時之扭角
φ
max
為多少?(20 分)
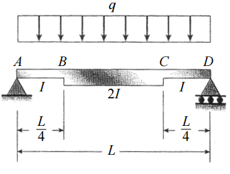
【已刪除】五、簡支樑 ABCD 其面積慣性矩(area moment of inertia)在兩端及中心部份分別為
I
及 2
I
如圖所示,當均勻分布載重 q 作用在樑上時,試求 A 點之轉角(angle of rotation) 及中心點之最大撓度(deflection)
δ
max
。(20 分)
相關試卷
114年 - 114 專技高考_機械工程技師:工程力學(包括靜力學、動力學與材料力學)#133710
114年 · #133710
114年 - 114 公務升官等考試_薦任_機械工程:工程力學(包括靜力學、動力學與材料力學)#133242
114年 · #133242
114年 - 114 專技高考_專利師(選試專業英文及工程力學)、專利師(選試專業日文及工程力學):工程力學#130105
114年 · #130105
114年 - 114 關務特種考試_三等_機械工程(選試英文):工程力學(包括靜力學、動力學與材料力學)#126623
114年 · #126623
113年 - 113 臺灣菸酒股份有限公司_從業評價職位人員試題_鍋爐:工程力學#132351
113年 · #132351
113年 - 113 專技高考_機械工程技師:工程力學(包括靜力學、動力學與材料力學)#123897
113年 · #123897
113年 - 113 專技高考_造船工程技師:工程力學(包括靜力學、動力學與材料力學)#123895
113年 · #123895
113年 - 113 專技高考_專利師(選試專業英文及工程力學)、專利師(選試專業日文及工程力學):工程力學#122211
113年 · #122211
113年 - 113 關務特種考試_三等_機械工程(選試英文):工程力學(包括靜力學、動力學與材料力學)#119496
113年 · #119496
113年 - 113 臺灣港務股份有限公司_新進從業人員甄試_師級_機械:工程力學(包括靜力電、動力學與材料力學)#118827
113年 · #118827