阿摩線上測驗
登入
首頁
>
結構學
> 100年 - 100 鐵路特種考試_高員三級_土木工程:結構學#34118
100年 - 100 鐵路特種考試_高員三級_土木工程:結構學#34118
科目:
結構學 |
年份:
100年 |
選擇題數:
0 |
申論題數:
4
試卷資訊
所屬科目:
結構學
選擇題 (0)
申論題 (4)
【已刪除】一、請判別圖一(a)及圖一(b)中之結構。有小圈圈處代表鉸接點,否則為剛接。它們是穩 定結構嗎?請說明你的判斷邏輯,否則不予計分;如果是穩定結構,它的超靜定次 數(static indeterminacy)為若干?請說明你的判斷邏輯,否則不予計分,並求出應 有之反力。(20 分)
【已刪除】二、設有一如圖二所示之複合梁 ABC,A、C 兩點為固定端,B 點為鉸接,梁之斷面彎 曲剛度為 EI,B 點承受集中載重 P。試用共軛梁法(conjugated beam method)求 B 點之垂直變位δ
B
及相對轉角θ
B
。(25 分)
【已刪除】三、設有如圖三之剛架,各桿斷面彎曲剛度均為 EI。試用傾角變位法公式(slopedeflection equation)解此剛架,且繪此剛架之軸向力圖(N-dia.)、剪力圖(V-dia.)、 彎矩圖(M-dia.)及彈性變形曲線。(30 分)
【已刪除】
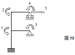
四、設有如圖三所示之剛架(第三題中之剛架),試求對應於圖四中所標示之五個自由 度之勁度矩陣K
5×5
。(提示:桿件勁度矩陣,k。)(25 分)
桿件勁度矩陣,k:
相關試卷
114年 - 114 地方政府公務特種考試_三等_土木工程:結構學#134751
114年 · #134751
114年 - 114 專技高考_結構工程技師:結構學#133714
114年 · #133714
114年 - 114 公務升官等考試_薦任_土木工程:結構學#133255
114年 · #133255
114年 - 114 高等考試_三級_土木工程:結構學#128592
114年 · #128592
113年 - 113 國營臺灣鐵路股份有限公司_從業人員甄試_第8階-助理工程師-土木工程:結構學#137100
113年 · #137100
113年 - 113-2 國營臺灣鐵路股份有限公司_從業人員甄試_第8階-助理工程師-土木工程:結構學#137088
113年 · #137088
113年 - 113-2 國營臺灣鐵路股份有限公司_從業人員甄試_第 9 階-技術員-土木工程:結構學概要#135451
113年 · #135451
113年 - 113 地方政府公務特種考試_三等_土木工程:結構學#124531
113年 · #124531
113年 - 113 專技高考_結構工程技師:結構學#123910
113年 · #123910
113年 - 113 高等考試_三級_土木工程:結構學#121402
113年 · #121402