所屬科目:一二三等大管輪◆電機電子與自動控制
3. 如圖 12 當 E=120V 、 R 1 =2 歐姆、 R 2 =3 歐姆、 R 3 =6 歐姆求 R 1 , R 3 端電壓。 (A) =120V , =60V (B) =60V , =120V (C) =30V , =90V (D) =60V , =60V
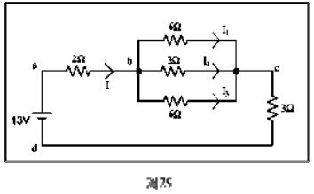
4. 如圖 29 ,試求 I 。 (A) 1A (B) 1.5A (C) 2A (D) 3A
5. 如圖 29 ,試求 。 (A) 1V (B) 2V (C) 3V (D) 4V(E)一律給分
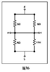
6. 如圖 36 試求。 (A) 0 歐姆 (B) 1 歐姆 (C) 2 歐姆 (D) 3 歐姆
7. 如圖 41 ,求電流源的功率。 (A) 60W (B) 70W (C) 80W (D) 90W
12. 如果圖 2 的電壓源為 12V ,則電源提供之電流大小為?其中 RA 為 2 歐姆、 RB 為 4 歐姆、 RC 為 4 歐姆。 (A) I=1A (B) I=1.2A (C) I=2.2A (D) I=2A
25. 如下圖之電路,若 V=60 伏特, R 1 =R 2 =R 3 =20 Ω ,其總電阻為: (A) 20 Ω (B) 30 Ω (C) 40 Ω (D) 60 Ω
26. 如下圖之電路,其總電阻為: (A) 40 Ω (B) 30 Ω (C) 20 Ω (D) 10 Ω
28. 右圖之電路, V=60 伏特, R 1 =15 Ω , R 2 =30 Ω , R 3 =20 Ω ,若 此電路之負載電阻為 30 Ω ,依戴維寧等效電路計算,通過負載之電流為 (A) 0.4A (B) 0.5A (C) 0.6A (D) 1.5A
29. 下圖之電路, V=90 伏特, R 1 =5 Ω , R 2 =30 Ω , R 3 =10 Ω ,若此 電路之負載電阻為 10 Ω ,依戴維寧等效電路計算,通過負載之電流為 (A) 0.3A (B) 0.5A (C) 4/3A (D) 1A(E)一律給分
30. 若電阻為 100 Ω ,電感抗 50 Ω 及電容抗 50 Ω 串聯,其總阻抗之 大小 Z 為: (A) 100 Ω (B)Ω (C) 200 Ω (D)Ω
35. 三相感應電動機若使用 Y- Δ 起動電路,其起動電流為全電壓 起動電流的 (A) (B) 1/3 (C) (D) 1/2