所屬科目:教甄◆物理科專業
7 . 電 流 天 平 的 主 要 裝 置 包 括 螺 線 管 、 電 流 天 平 (含 U 型 電 路 )、 直 流 電 源 供 應 器 、 滑 線 可 變 電 阻 及 安 培 計 等 。 電 流 天 平 的 構 造 示 意 圖 如 圖 所 示 。 令 螺 線 管 所 載 電 流 稱 之 為 I2、 U 型 電 路 上 的 電 流 稱 之 為 I1、 U 型 電 路 的 寬 度 L = 1 0 . 0 c m、 天 平 前 端 所 掛 的 小 重 物 重 量 為 m g。 載 流 螺 線 管 內 部 的 磁 場 {B}正 比 於 電 流 (I2 ), 即 B = α I2。 小 明 利 用 電 流 天 平 裝 置 , 測 量 比 例 常 數 α 。 他 將 小 重 物 的 重 量 固 定 為 5 0 毫 克 重 。 實 驗 時 , 他 將 螺 線 管 電 流 I2 作 為 主 變 數 , 電 流 天 平 電 流 I1 作 為 應 變 數 , 量 得 在 平 衡 時 , I1 與 I2 的 關 係 數 據 , 如 下 表 所 示 。 試 問 比 例 常 數 α 的 數 值 為 何 ? (α 的 單 位 為 特 士 拉 /安 培 ) (A) 1.3✖ 10- 3 (B) 1.5 ✖10-2 (C) 4.5✖ 10-2 (D) 2.4 ✖10-1 (E) 8.5✖ 10-1
12 . 如 圖 所 示,一 直 角 三 角 形 線 圈 兩 邊 長 分 別 為 a 及 l、電 阻 為 R,以 等 速 度 v 通 過 一 範 圍 為 d (d >a ) 強 度 為 B 的 均 勻 磁 場 , 磁 場 的 方 向 為 垂 直 射 入 紙 面 , 在 時 間 t = 0時 , 線 圈 的 前 緣 恰 接 觸 磁 場 的 邊 緣 。 則 線 圈 上 的 感 應 電 流 i 與 時 間 t 的 關 係 圖 是 下 列 何 者 ? ( 設 電 流 逆 時 針 方 向 為 正 )(A)(B)(C)(D)(E)
1 . 如 圖 所 示 , 波 長 為 的 光 子 照 射 功 函 數 為 W 的 金 屬 表 面 。 由 正 極 板 中 央 A 點 釋 出 的 光 電 子 經 由 電 壓 為 V 的 平 行 電 板 作 用 後 , 最 後 經 由 負 極 上 方 的 小 孔 B 逸 出 。 已 知 正 負 極 板 相 距 L, 小 孔 B 與 負 極 板 中 心 點 相 距 D。 假 設 小 孔 甚 為 微 小 , 不 會 影 響 電 子 受 電 極 的 加 速 運 動 。 則 電 子 由 小 孔 逸 出 時 , 其 最 大 動 能 K 為 ____________。 其 中 e > 0為 電 子 電 荷 大 小 , V > 0, h 為 卜 朗 克 常 數 , c 為 光 速 。
2 . 空 間 中 有 -z 方 向 的 均 勻 磁 場 B; 在的 區 域 另 有 -z 方 向 的 均 勻 電 場 E。 質 量 為 m, 電 量 絕 對 值 為 q 的 電 荷 , 在 z <0的 區 域 , 一 方 面 向 +z 方 向 等 速 行 進 , 一 方 面 繞 z 軸 做 半 徑 為 r 的 圓 周 運 動( 運 動 方 向 在 z = 0平 面 的 投 影 如 圖 所 示 )。 若 電 荷 通 過 z = 的 平 面 後, 運 動 速 度 的 z 分 量 為v z 。 若 地 球 引 力 的 影 響 可 以 不 計 , 試 求 : 在 z < 0區 域 時 , 總 動 能 為 何 ?
3 . 截 面 為 圓 形 ( 半 徑 R) 的 平 行 單 色 光 正 面 射 向 一 玻 璃 半 球 的 平 面 , 如 右 圖 所 示 , 經 折 射 後 在 屏 幕 S 上 形 成 半 徑 為 r 的 亮 區 。 若 玻 璃 半 球 的 半 徑 為 R、 折 射 率 為 n, 屏 幕 S 至 球 心 O 的 距 離 為 D(D> 3R), 則 r 為 何 值 ?
5 . 飛 機 於 長 程 水 平 飛 行 時 , 其 用 來 平 衡 重 力 的 上 升 力 可 近 似 為 , v為 飛 行 速 率 ,ρ為 空氣 密 度 ,α為 相 關 的 常 數 。 若 飛 機 此 時 所 受 的 空 氣 阻 力 可 假 設 為 , β 為 常 數 。 已 知 空 氣 密 度 ρ 會 隨 著 飛 行 高 度 的 增 加 而 變 小。假 設 某 一 高 空 航 線 的 空 氣 密 度 ρ 為 另 一 低 空 的 1 / 2。 僅 考 慮 上 述 主 要 效 應 , 並 忽 略 浮 力 。 若 同 一 飛 機 維 持 固 定 的 高 度 , 水 平 飛 行 相 同 的 航 程 , 則 在 該 低 空 與 高 空 航 線 因 阻 力 所 消 耗 的 能 量 之 比 為 何 ?
6 . 下 圖 中 有 一 顆 質 量 為 m 的 人 造 衛 星 環 繞 地 球 做 半 徑 為 2R 的 圓 軌 道 運 動,R 為 地 球 半 徑。地 球 的 質 量 以 M 表 示 , 萬 有 引 力 常 數 以 G 表 示 。 試 以 G、 R、 M 及 m 表 示 該 人 造 衛 星 的 總 力 學 能 。
10 . 依 照 波 耳 的 氫 原 子 模 型 , 電 子 繞 質 子 作 等 速 率 圓 周 運 動 。 若 已 知 電 子 的 質 量 為 m, 氫 原 子 在 基 態 時 , 電 子 的 角 動 量 的 量 值 為 (, h 為 卜 朗 克 常 數 ), 其 軌 道 半 徑 為 a0 , 則 氫 原 子 在 第 一 受 激 態 時 , 電 子 的 總 能 量 為 何 ? (以 a 0 、 、 m 表 示 )
( 2 )質 量 為 m 的 點 電 荷 -q(q> 0 )從 O 點 以 初 速 沿 z 軸 射 出 , 如 下 圖 ( b )所 示 , 則 此 點 電 荷 移 動 距 離 後 , 其 速 度 為 多 少 ?
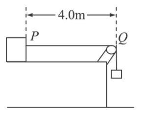
13 . 如圖所示,長 5.0 m 的均勻細線,質量為 0.010 kg,一端繫於固定在桌上的起振器 P 點,另一端經光滑的定滑輪 Q,懸掛質量為 1.0 kg 的重物,PQ 間恰好是 4.0 m。調整起振器的振動頻率,直到 PQ 間產生三個清楚的駐波波節 (不含 P、Q 兩節點)為止,若繩波的速率等於 ,其中 T 及μ 分別為繩之張力及線密度,則當時起振器的振動 頻率為若干? (重 力 加 速 度 量 值 g = 9 . 8 m / s2 )
1 5 . 某 人 從 靜 止 起 沿 傾 斜 角 θ 的 光 滑 雪 道 滑 下 S 的 距 離 後 , 飛 越 高 H 的 懸 崖 而 落 到 另 一 較 低 的 平 行 雪 道 , 求 圖 示 D 的 值 ? (以 θ 、 S、 H )
1 9 . 在 一 個 橫 截 面 面 積 為 S 的 密 閉 容 器 中 , 有 一 個 質 量 為 m 的 活 塞 把 容 器 中 的 氣 體 分 成 兩 部 分 。 活 塞 可 在 容 器 中 摩 擦 地 滑 動 , 活 塞 兩 邊 氣 體 的 溫 度 相 同 , 壓 力 都 是 P, 體 積 分 別 是 V1 和 V2 , 如 圖 所 示 。 現 用 某 種 方 法 使 活 塞 稍 微 偏 離 平 衡 位 置 , 然 後 放 開 , 活 塞 將 在 兩 邊 氣 體 壓 力 的 作 用 下 來 回 運 動。 容 器 保 持 靜 止,整 個 系 統 可 看 做 是 恒 溫 的。 求 活 塞 運 動 的 週 期 。 (以 V1、 V2 、 P、 S 和 m 表 示 )