阿摩線上測驗
登入
首頁
>
技師◆程序控制
> 101年 - 101 專技高考_化學工程技師:程序控制#26552
101年 - 101 專技高考_化學工程技師:程序控制#26552
科目:
技師◆程序控制 |
年份:
101年 |
選擇題數:
0 |
申論題數:
10
試卷資訊
所屬科目:
技師◆程序控制
選擇題 (0)
申論題 (10)
【已刪除】一、某一製程包括一個反應器及兩支蒸餾塔,主要的干擾是進料組成經常變動。假設此 製程之各成分組成還算容易量測,試比較並簡單陳述(a)及(b)兩種控制方式對第二支 蒸餾塔塔底組成的控制效果(注意:僅組成之測量點不同)。(10 分)
【已刪除】二、圖為兩種常見的熱交換器溫度控制系統設計,均使用冷卻水控制某主要製程產品之 溫度。相對於設計(a),試評論設計(b)的優點。(10 分)
【已刪除】三、如圖所示為某一蒸餾塔塔頂及塔底產品組成對獲利的關係(用相對於最佳獲利的百 分比表示),假設此蒸餾塔塔頂或塔底產品組成的控制難易度差異有限,但因故只 能針對塔頂或塔底其中之一的組成做較嚴格準確的單點控制,另一處之組成則只能 透過經常性的化驗結果作因應調整,因此變動幅度較大,有可能達到約±1.5%左右。 試簡單評論應該選擇塔頂或塔底產品組成做嚴格準確的單點控制?(10 分)
【已刪除】四、圖為一 packed-bed 反應器,由於放熱量頗高故使用熱交換器控制反應器最高溫處之 溫度,冷卻水之控制閥應該選擇儀控失效開(Failure Open)還是儀控失效關(Failure Close)?訊號選擇器(TY)應該選擇最大之訊號還是最小之訊號?控制器應選擇正作 用(Positive Action)還是反作用(Negative Action)?請簡述理由。(10 分)
【已刪除】五、某兩個串聯式反應器,當第一個反應器加熱流控制閥之閥開度增加 10%後,第二個 反應器出口端之溫度變化如圖所示。試據此估算一階帶時延模式之參數值(方式不 限,參數不要求太精準)。(10 分)
【已刪除】六、如圖所示是一個閉環路控制系統(使用比例積分微分控制器但是參數未知),在設 定點增加 10%後所呈現的控制效果(包括受控變數(controlled variable)及控制變 數(manipulated variable)),您的主管希望此受控變數能維持的更穩定,請提出 修改建議方向。(10 分)
【已刪除】七、某一個閉環控制系統使用比例積分控制器且原並無任何穩態偏差,當時間為零時發 生一個 D 大小的持續性干擾改變量,圖為幾個不同的比例積分控制器參數值所呈現 的控制結果(比例控制參數相同,積分控制參數不同),試比較這幾個積分控制器 參數值的相對大小(從小到大依序排列)。(請附簡要說明)(10 分)
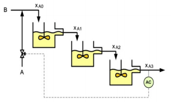
【已刪除】八、如圖是一個包括三個混和槽的混和系統及其出口成分回饋控制圖,假設已知量測儀 器、程序及控制閥、控制器、干擾(B)等之轉移函數依序為 G
s
(s)=1 (%/(mole/m
3
) ), G
p3
(s)Gv(s)=2/(10s+1)
3
(mole/m
3
)/%), G
c
(s)=2 (%/%) Gd
(s)
=1/(10s+1)
3
((mole/m
3
)/(mole/m
3
)), 假設此程序原來控制狀況良好(雖使用比例控制器但原並無穩態偏差),當時間為 零時B發生了一個 5(mole/m
3
)大小的持續性干擾改變量,試問當控制回復穩定之後, 出口成分的改變量為何?(請附簡要推導過程)(10 分)
【已刪除】九、所示為一閉環控制系統方塊圖,原開環程序具備過阻尼(overdamped)動態特性, 當僅使用比例控制時,若希望此一閉環控制系統具備欠阻尼(underdamped)動態 特性,試求解此一比例控制器調諧值之可用範圍。(10 分)
【已刪除】十、圖為一個攪拌槽熱交換器,已知主要控制目標是產物出口溫度,控制變數是加熱油 流量,但是加熱油流量常受其他共用加熱油之單元的干擾,並不太穩定。試為此程 序設計一套溫度-流量串級控制系統,並簡述使用溫度-流量串級控制之效果優於傳 統單環溫度控制器之處。在調諧此一溫度及流量控制器時,應該先調諧那一個(溫 度控制器或流量控制器)?(請簡述理由)(10 分)
相關試卷
114年 - 114 專技高考_化學工程技師:程序控制#133695
114年 · #133695
113年 - 113 專技高考_化學工程技師:程序控制#123939
113年 · #123939
112年 - 112 專技高考_化學工程技師:程序控制#117666
112年 · #117666
111年 - 111 專技高考_化學工程技師:程序控制#111966
111年 · #111966
110年 - 110 專技高考_化學工程技師:程序控制#104176
110年 · #104176
109年 - 109 專技高考_化學工程技師:程序控制#93303
109年 · #93303
108年 - 108 專技高考_化學工程技師:程序控制#80793
108年 · #80793
107年 - 107 專技高考_化學工程技師:程序控制#73011
107年 · #73011
106年 - 106 專技高考_化學工程技師:程序控制#66471
106年 · #66471
104年 - 104 專技高考_化學工程技師:程序控制#41517
104年 · #41517