阿摩線上測驗
登入
首頁
>
技師◆程序控制
> 104年 - 104 專技高考_化學工程技師:程序控制#41517
104年 - 104 專技高考_化學工程技師:程序控制#41517
科目:
技師◆程序控制 |
年份:
104年 |
選擇題數:
0 |
申論題數:
7
試卷資訊
所屬科目:
技師◆程序控制
選擇題 (0)
申論題 (7)
【已刪除】一、若在測量訊號中引入正向單位步階變化(unit step change)並輸入至某一離線之比 例積分控制器(PI controller),則相應控制器輸出 p′(t ) 會如下圖所示。請計算其控 制器增益(controller gain, K
c
)及積分時間(integral time, τ
1
)。(10 分)
【已刪除】二、假設一個從 10 到 20 psi 壓力的步階變化(step change)會造成以下壓力計的測量響 應(response):
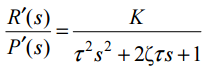
再假設此輸入與輸出間關係可表示成:
,其中 P′ 與 R′ 分別代 表實際壓力偏離值(psi)及壓力計輸出偏離值(mm)。請利用下圖粗略估計出前 述二階轉換函數中之 K、ζ 及 τ。(15 分)
【已刪除】三、一個程序的真實轉換函數為
為了能設計出相應控制器,請將上述函數簡化成二階帶時延(SOPDT)的形式。請 利用 Skogestad 之 half-rule 近似法,即將最大欲忽略之時間常數(time constant)的 一半看作是時延(time delay),另外一半則加到此簡化函數中最小被保留之時間常 數上,而其他欲忽略之較小時間常數則全部看作是時延。(15 分)
四、低溫液態之乙二醇(比重 1.11)在正常情況下以 200 gpm 之流率被泵過裝有冷凝器 及控制閥之管線,假設整條管線之總壓降保持固定,但通過冷凝器的壓力降會與流 率平方成正比且在正常情況下是 30 psi;另外,假設在正常情況下通過控制閥的壓 力降是 10 psi,其相應流量特性(flow characteristic)函數值為 0.5,即 f (l ) = 0.5 而 在此 l 為閥桿位置;最後假設除了冷凝器及控制閥以外通過管線本身之壓降可忽略。 在正常情況下操作一段時日後,因預測市場未來需求減少,欲將前述管線中流率降 低至 50 gpm。若原設計中採線性(linear)控制閥且其流量特性函數為 f (l ) = l ,則 相應控制閥閥桿位置為何?若改採等百分比(equal percentage)控制閥且其流量特 性函數為 f (l ) = 25
l -1
,則相應控制閥閥桿位置為何?(18 分)
【已刪除】五、考慮以下三階程序控制系統之方塊圖:
其中,
。請計算出使系統 穩定之控制器參數 K
c
的範圍。(20 分)
六、假設某程序可以被簡單的時延(time delay)模式描述,並以比例控制器控制之。另 外,控制閥與感測器的轉換函數可分別表示為 G
v
( s) = K
v
= 0.5 及 G
m
( s) = K
m
= 2 。 若小幅改變設定點會造成系統輸出以 5 分鐘為週期的持續震盪,則請計算此時的控 制器增益(controller gain)及前述程序模式中時延長度。(12 分)
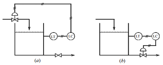
【已刪除】七、考慮以下兩個液位控制結構:
若兩系統中控制器及感測器皆為直接驅動(direct acting),即輸出與輸入的改變方 向(增加或減少)相同,則請分別決定兩者正確的控制閥的型態(Air-to-Open or Air-to-Close)。(10 分)
相關試卷
114年 - 114 專技高考_化學工程技師:程序控制#133695
114年 · #133695
113年 - 113 專技高考_化學工程技師:程序控制#123939
113年 · #123939
112年 - 112 專技高考_化學工程技師:程序控制#117666
112年 · #117666
111年 - 111 專技高考_化學工程技師:程序控制#111966
111年 · #111966
110年 - 110 專技高考_化學工程技師:程序控制#104176
110年 · #104176
109年 - 109 專技高考_化學工程技師:程序控制#93303
109年 · #93303
108年 - 108 專技高考_化學工程技師:程序控制#80793
108年 · #80793
107年 - 107 專技高考_化學工程技師:程序控制#73011
107年 · #73011
106年 - 106 專技高考_化學工程技師:程序控制#66471
106年 · #66471
103年 - 103 專技高考_化學工程技師:程序控制#24909
103年 · #24909