阿摩線上測驗
登入
首頁
>
結構學
> 101年 - 101 專技高考_結構工程技師:結構學#33915
101年 - 101 專技高考_結構工程技師:結構學#33915
科目:
結構學 |
年份:
101年 |
選擇題數:
0 |
申論題數:
9
試卷資訊
所屬科目:
結構學
選擇題 (0)
申論題 (9)
⑴繪彎矩圖;
⑵試求 e 點之垂直位移;
⑶試求 e 點之轉角;
⑷試求 c 點之垂直位移;
⑸繪變形曲線,並須標示反曲點之約略位置(若有反曲點)。
【已刪除】二、如圖二所示桁架,a點為鉸接,c點為滾支承,b點有軸向線彈性彈簧。若每根桿件的 EA值皆為 10,000 kN,線彈性彈簧之勁度K
s
為 2,500 kN/m。試以最小功法計算各桿 件內力(若以其他方法計算,不予以計分)。(25 分)
⑴試計算各桿件之彎矩,並繪彎矩圖;(20 分)
⑵繪變形曲 線,並須標示反曲點之約略位置(若有反曲點)。(5 分)
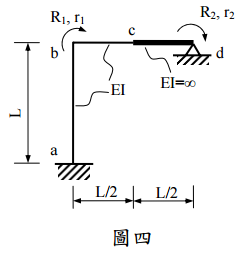
【已刪除】四、如圖四所示剛架有二個自由度,a點為固接,d點為鉸接。R
1
與R
2
為作用於結點彎矩 ,r
1
與r
2
為對應於R
1
與R
2
之變位。若ab與bc桿件有相同的彈性模數E與慣性矩I,EI為 常數;cd桿件EI值為無限大。
。試求勁度矩陣
。 (25 分)
相關試卷
114年 - 114 地方政府公務特種考試_三等_土木工程:結構學#134751
114年 · #134751
114年 - 114 專技高考_結構工程技師:結構學#133714
114年 · #133714
114年 - 114 公務升官等考試_薦任_土木工程:結構學#133255
114年 · #133255
114年 - 114 高等考試_三級_土木工程:結構學#128592
114年 · #128592
113年 - 113 國營臺灣鐵路股份有限公司_從業人員甄試_第8階-助理工程師-土木工程:結構學#137100
113年 · #137100
113年 - 113-2 國營臺灣鐵路股份有限公司_從業人員甄試_第8階-助理工程師-土木工程:結構學#137088
113年 · #137088
113年 - 113-2 國營臺灣鐵路股份有限公司_從業人員甄試_第 9 階-技術員-土木工程:結構學概要#135451
113年 · #135451
113年 - 113 地方政府公務特種考試_三等_土木工程:結構學#124531
113年 · #124531
113年 - 113 專技高考_結構工程技師:結構學#123910
113年 · #123910
113年 - 113 高等考試_三級_土木工程:結構學#121402
113年 · #121402