所屬科目:一二三等大管輪◆電機電子與自動控制
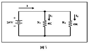
5. 圖 3 為一並聯電路,試求電流 I 1 , I 2 。 (A) I 1 =6A,I 2 =4A (B) I 1 =6A,I 2 =2A (C) I 1 =4A,I 2 =2A (D) I1 =2A,I 2 =6A
6. 求圖 5 中, 分路電流 I 2 。 (A) I 2 =4mA (B) I 2 =6mA (C) I 2 =4A (D) I 2 =6A
7. 有一部 1500kVA 、 2300V 、四極、 60Hz 、 Y 接的三相同步發 電機,其每相同步電抗為 2.5 歐姆,功率因數為 1 ,試求:發 電機之最大輸出功率為若干 ? (A)=2400(kW) (B) =2594.05(kW) (C) =2600.5(kW) (D)=2555.21(kW)
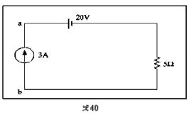
8. 如圖 40 ,求 5 Ω 的功率 ? (A) 15W (B) 30W (C) 45W (D) 60W
33. 一交流電壓之方程式為: v(t)=10sin(40t) , 其電壓之峯值為 (A) 10 (B) (C) (D)
34. 三相 Y 接法的電路,若線電壓為 440V ,線電流為 100A ,則 相電壓為: (A) 440V (B) (C) (D)
39. 如圖所示為之發電機的何種儀表電路? (A) 接地指示燈 (B) 同步指示燈 (C) 電源指示燈 (D) 電壓表