所屬科目:一二三等大管輪◆電機電子與自動控制
2. 試求圖 1 之各電阻壓降。 (A) R1的壓降為6 V R2的壓降為3 V R3的壓降為2 V R4的壓降為1 V (B) R1的壓降為1 V R2的壓降為2 V R3的壓降為3 V R4的壓降為6 V (C) R1的壓降為6 V R2的壓降為2 V R3的壓降為3 V R4的壓降為1 V (D) R1的壓降為1 V R2的壓降為3 V R3的壓降為2 V R4的壓降為6 V
3. 求圖 5 中, 總電流 I 之值 。 (A) I=10A (B) I=2A (C) I=10mA (D) I=2mA
4. 如圖 11 所示,兩內阻各為 3 歐姆及 2 歐姆之兩個滿刻度為 6 mA 的電流表,若並聯連接時,可測定之最高電流為若干安培 ? (A) 6mA (B) 10mA (C) 15mA (D) 20mA
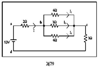
5. 如圖 29 ,試求 I 2 。 (A) 0.25A (B) 0.5A (C) 1A (D) 2.5A
6. 試以電壓分配定則求圖 34 之 R 3 壓降。 (A) 1V (B) 2V (C) 3V (D) 4V
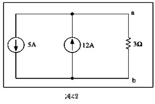
7. 如圖 42 ,求電流源 (5A) 的功率。 (A) 100W (B) 105W (C) 110W (D) 115W
32. 若一電路出現如右之情況, × 號代表斷路,其總電阻為: (A) 70 Ω (B) 75 Ω (C) 80 Ω (D)150 Ω
34. 下圖之電路, V=30 伏特, R 1 =30 Ω , R 2 =20 Ω , R 3 =40 Ω ,其 戴維寧等效電阻為: (A) 20 Ω (B) 30 Ω (C) 40 Ω (D) 80 Ω