所屬科目:一二三等大管輪◆電機電子與自動控制
4.試求圖 1 之等效電阻R 。(A)R=10歐姆(B)R=11歐姆(C)R=12歐姆(D)R=13歐姆
5.在圖 3 中,若將R 3 之阻值改為2 歐姆,如圖4 ,則電流I 3 。(A)6A(B)4A(C)12A(D)10A
6.如圖 9 所示,將額定為120V/60W與 120V/40W之兩燈泡並聯, 接於 120V 電源,求並聯後的總功率?(A) =100W(B) =150W(C) =200W(D) =50W
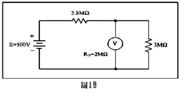
7.如圖16所示,圖中伏特表的內阻Ri =2M歐姆,試求伏特表的讀 值為多少?(A)380V(B)120V(C)279V(D)172V
8.如圖 29 ,試求I 。(A)1A(B)1.5A(C)2A(D)3A
9.圖 32 中之 I 5 電流值為幾安培?(A)-3A(B)2A(C)5A(D)-6A
10.求圖 39 網路中的V 0 。(A)0V(B)5V(C)10V(D)15V
19.一電源電壓V=70.7sinω t 加於 RLC 串聯電路中,若R=3 Ω , =3 Ω , =7 Ω ,求電路的虛功率?(A)-400(var)(B)400(var)(C)-200(var)(D)200(var)
27.如圖之電路,其總電阻為:(A)40 Ω(B)30 Ω(C)20 Ω(D)10 Ω
29.下圖之電路, V=90 伏特, R 1 =5 Ω , R 2 =30 Ω , R 3 =10 Ω ,若此電路之負載電阻為10 Ω ,依戴維寧等效電路計算,通過負載之電流為(A)0.3A(B)0.5A(C)4/3A(D)1A
30.三個容量相同,線圈常數相同之變壓器接成 Δ - Δ 接線時,圈數 比為 1000 : 100 ,一次側線電壓為440 伏特,線電流 10A ,則對 應的二次側線電流為:(A)10A(B)(C)(D)100A
34.三相感應電動機若使用自耦變壓器進行降壓起動,若降壓比為1/3 ,則其起動轉矩為全電壓起動轉矩的(A)1/3(B)1/9(C)(D)1/6
36.如圖之單相電動機電路,其屬於:(A)裂相式(B)電容式(C)蔽極式(D)推斥式