阿摩線上測驗
登入
首頁
>
結構學
> 103年 - 103 高等考試_三級_土木工程:結構學#32400
103年 - 103 高等考試_三級_土木工程:結構學#32400
科目:
結構學 |
年份:
103年 |
選擇題數:
0 |
申論題數:
4
試卷資訊
所屬科目:
結構學
選擇題 (0)
申論題 (4)
【已刪除】一、試用共軛梁法,求圖一梁結構點 C 和點 D 的垂直位移,設 EI =3,000kN-m
2
。(25 分)
【已刪除】二、圖二平面構架點 A 及 B 為固定,點 C、D、E 及 F 為鉸接,此構架點 F 承受一水平載 重 8 kN,考慮桿件軸向及撓曲變形,設所有桿件 EA=20,000kN,EI = 8,000 kN-m
2
,試 求點 F 水平位移。(25 分)
【已刪除】三、圖三平面構架點 A 及 D 為固定,點 B 為鉸接,此構架點 B 承受一水平集中載重 6 kN, 桿件 BC 承受一垂直於桿件之均佈載重,沿桿件方向每公尺 2 kN。設所有桿件 EI 為定值,且忽略桿件軸向變形,試用彎矩分配法,求支承 A 之反力,並繪出此結構 之彎矩圖。(25 分)
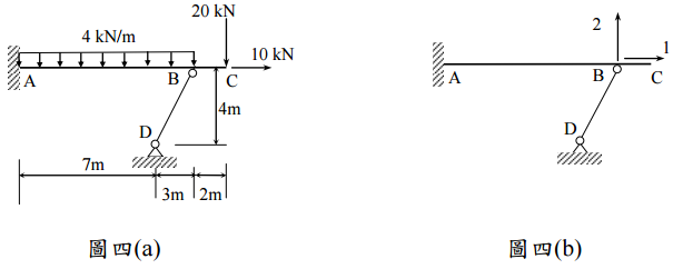
【已刪除】四、圖四(a)結構點 A 為固定,點 B 連接一軸力桿 BD,此結構承受載重如圖所示。設所 有桿件 E 相同,桿件 AB 及 BC 慣性矩 I= 0.02m
4
,面積 A=0.2m
2
,桿件 BD 面積 A=0.1m
2
。若此結構位移自由度簡化為 2 個自由度如圖四(b)所示,在考慮桿件軸向 及撓曲變形下,試用直接勁度法求對應這些自由度之勁度矩陣及外力向量,並求出 支承點 A 之反力及桿件 BD 內力。(25 分)
相關試卷
114年 - 114 地方政府公務特種考試_三等_土木工程:結構學#134751
114年 · #134751
114年 - 114 專技高考_結構工程技師:結構學#133714
114年 · #133714
114年 - 114 公務升官等考試_薦任_土木工程:結構學#133255
114年 · #133255
114年 - 114 高等考試_三級_土木工程:結構學#128592
114年 · #128592
113年 - 113 國營臺灣鐵路股份有限公司_從業人員甄試_第8階-助理工程師-土木工程:結構學#137100
113年 · #137100
113年 - 113-2 國營臺灣鐵路股份有限公司_從業人員甄試_第8階-助理工程師-土木工程:結構學#137088
113年 · #137088
113年 - 113-2 國營臺灣鐵路股份有限公司_從業人員甄試_第 9 階-技術員-土木工程:結構學概要#135451
113年 · #135451
113年 - 113 地方政府公務特種考試_三等_土木工程:結構學#124531
113年 · #124531
113年 - 113 專技高考_結構工程技師:結構學#123910
113年 · #123910
113年 - 113 高等考試_三級_土木工程:結構學#121402
113年 · #121402