所屬科目:一二三等大管輪◆電機電子與自動控制
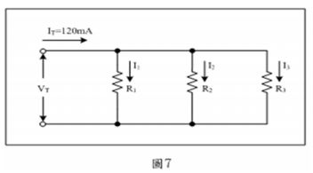
3. 圖 7 中,若有 I=120mA 流入電阻電路中,且 R 1 =6K 歐姆, R 2 =3 K 歐姆, R 3 =2 K 歐姆,則 I 3 等於多少 ? (A) I 3 =20mA (B) I 3 =40mA (C) I 3 =60mA (D) I3 =80mA
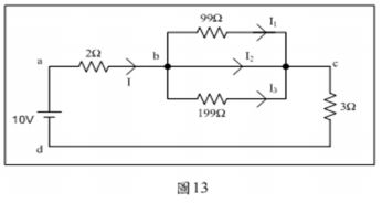
4. 如圖 13 試求 I 。 (A) I=1A (B) I=2A (C) I=3A (D) I=4A
5. 如圖 13 試求 V ca 。 (A) V ca =0 V (B) V ca =4 V (C) V ca =-4 V (D) V ca =10 V
6. 在下圖中, N=13.2 : 1 及 R=15 歐姆。求。 (A) 0.5A (B) 0.6A (C) 0.7A (D) 0.8A
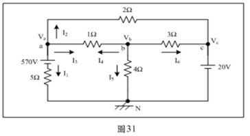
8. 試以節點電壓法,求圖31中流經1歐姆之電流。 (A) 40A (B) 50A (C) 20A (D) 30A
11. 對於一個如圖 47 的分壓電路,輸出電壓為? (A) 10V (B) 6V (C) 3V (D) 1V
15. 右圖之電路, V=30 伏特, R 1 =30 Ω , R 2 =20 Ω , R 3 =60 Ω ,其戴 維寧等效電阻為: (A) 20 Ω (B) 30 Ω (C) 40 Ω (D) 80 Ω
16. 下圖之電路, V=30 伏特, R 1 =15 Ω , R 2 =30 Ω , R 3 =20 Ω ,其戴維寧等效電阻為: (A) 20 Ω (B) 30 Ω (C) 45 Ω (D) 50 Ω
18. Δ - Δ 接線之變壓器如果燒毀其中一相,其容量: (A) 不變 (B) 下降為原來的 (C) 降為原來的 1/3 (D) 為零 ( 無法使用 )
23. 如圖之單相電動機電路,其屬於: (A) 裂相式 (B) 電容式 (C) 蔽極式 (D) 推斥式
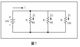
27. 圖 7 為一並聯電路,試求總電流。 (A) I=10A (B) I=11A (C) I=12A (D) I=13A
45. 如下圖之電路,若V=40伏特,若R 1 =30Ω, R 2 =R 3 =20Ω,求R 3 其消耗功率為何?: (A) 2W (B) 4W (C) 5W (D) 10W
49. 正相序的三相電源接成Y , 若A相電壓為sin(120πt)V , 則BC線 電壓為何? (A) sin(120πt)V (B) 1.732sin(120π t)V (C) 1.732sin(120π t+30°)V (D) 1.732sin(120π t-90°)V