所屬科目:一二三等大管輪◆電機電子與自動控制
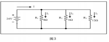
3. 在圖 3 中,若將 R 3 之阻值改為 2 歐姆,如圖 4 ,則總電流 I 。 (A) I=20A (B) I=21A (C) I=22A (D) I=23A
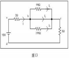
4. 如圖 13 試求總電阻。 (A)=5歐姆 (B)=6歐姆 (C)=7歐姆 (D)=4歐姆
5. 如圖 17 求流經 R 1 的電流為 ? (A) V ×R 1 /(R 1 R 2 +R 2 R 3 +R3 R 1 ) (B) V ×R 2 /(R 1 R 2 +R 2 R 3 +R3 R 1 ) (C) V ×R 3 /(R 1 R 2 +R 2 R 3 +R3 R 1 ) (D) 以上皆非
6. 在下圖中, N=13.2 : 1 及=15 歐姆。求。 (A) 8V (B) 9V (C) 10V (D) 11V
7. 有一部 1500kVA 、 2300V 、四極、 60Hz 、 Y 接的三相同步發電機,其每相同 步電抗為 2.5 歐姆,功率因數為 1 ,試求:發電機之最大輸出功率為若干 ? (A) =2400(kW) (B)=2594.05(kW) (C) =2600.5(kW) (D)=2555.21(kW)
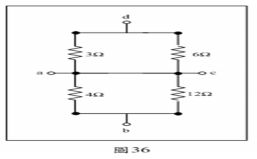
9. 如圖 36 試求。 (A) 0歐姆 (B) 1歐姆 (C) 2歐姆 (D) 3歐姆
13. 如果圖 2 的電壓源為 12V ,則電源提供之電流大小為?其中 RA 為 2 歐姆、 RB 為 4 歐姆、 RC 為 4 歐姆。 (A) I=1A (B) I=1.2A (C) I=2.2A (D) I=2A
26. 下圖之電路, V=60 伏特, R 1 =15 Ω , R 2 =30 Ω , R 3 =20 Ω ,其戴維寧等效電壓為: (A) 10 伏特 (B) 15 伏特 (C) 20 伏特 (D) 40 伏特
27. 三相 Δ 接法的電路,若相電流之有效值為 I p ,則線電流之有效值為: (A) (B) (C) (D)
28. 若電阻為 40 Ω ,電感抗 80 Ω 及電容抗 50 Ω 串聯,其總阻抗之大小 Z 為: (A) 40 Ω (B) 50 Ω (C) 170 Ω (D)
29. 三個容量相同,線圈常數相同之變壓器接成 Δ - Δ 接線時,圈數比為 1000 : 100 ,一次側線電壓為 440 伏特,二次側線電流為 50A ,則對應的一次側線電流 為: (A) 5A (B) (C) (D) 50A
30. 若電感器之電感值為 L ,通過電壓 V 頻率 f 之交流電,其電感抗 XL 之大小及電 壓電流之相位關係為: (A) =2 π fL ,電流 落後電壓 90 度 (B)=2 π fL ,電壓 落後電流 90 度 (C)=1/(2 π fL ) , 電流落後電壓 90 度 (D)=1/(2 π fL ) , 電壓落後電流 90 度
32. 三相感應電動機若使用自耦變壓器進行降壓起動,若降壓比為 1/n ,則其起動 電流為全電壓起動電流的 (A) 1/n (B) 1/n 2 (C) (D) 1 /(2n)
45. 負相序的三相電源 , 若負載為平衡Δ接當A相相電流為sin(120πt)A , 則A相 線電流為何? (A) sin(120πt)A (B) 1.732sin(120π t+30°)A (C) 1.732sin(120π t-30° )A (D) 1.732sin(120π t+120° )A
48. 下列對於電感性電路的敘述何者正確? (A) 相位關係為電流 領先電壓 90 度 (B) 電感的平均功率 為零 (C) 電感的實功率為 (D) 電感的虛功率為