所屬科目:教甄◆物理科專業
9.垂直S立地面的彈簧上端,附著一質量瓜的木塊.距此木塊垂直上方H處, 另一量量亦爲m的木塊自由落下,此二木塊隨即一起做-S.H.M々設彈簧力常 K,則此木媒組合的最大動能爲( )。
10. 一麵,擺長-L,擺錘質量m,擺線與鉛雛夾角爲分o -以圚心爲參 、考點,擺錘的角蘭鶴()
11. 一阿特午機’ A與B質量各爲4公斤及2公斤,滑輪M的質量爲1公斤、 半徑爲0.2公尺。此系統運動時,輪與繩間無滑動,則滑輪M的角加速度大小爲( ).弧度/秒2 .滑輪M的轉動慣量爲0.02公斤•公尺2。
12:一質量:m、半徑R的實心球,在水平地面上純滾動時,其質心對地的速度大小爲v,則此職總動能爲( ),實心球之麵慣量爲
14. 一黑色半圓球形的碗底有一小光源»當碗中注滿折射率為n的透明液體時, 從與碗面同一水平高度的望遠鏡可觀測到小光源,則透明液體的折射率最小值為( )。
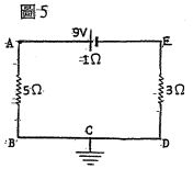
19.欲使圖5•中之A點電位為3伏特,須在CD間插入( )Ω.之電狙々
20.圖6•中磁場之方向為沿X軸正方向,各段導線中通以相同電流I。若不考慮 導線間相互作用之力,且設ab、be 、與cd三段之受力分別為F1、F2與F3, 則痛受力之大小關係為()
21.右圖表一發電機G與一對相距d的平行軌條相連 接,軌條無摩擦亦無電阻,一金屬線質量m電阻 R,橫跨於軌道上,全體置於均勻垂直向上的磁場 B中,發電機的電動勢保持一定値,當金屬線的 速度爲v時,其受力大小爲( )。
24.以頻率爲赫的光照射鋇金屬的表茴,.若鋇的功函數爲,2,5 ey,所射出 光電子垂直射入均勻磁場中的最大迴轉半徑爲4.0公分,則此磁場的量値爲 ( ) T。h=6.63x10-34 焦耳•秒’電子質量 m=9.11x10-31 公斤。