阿摩線上測驗
登入
首頁
>
高等鋼筋混凝土學與設計
> 104年 - 104 高等考試_二級_土木工程:高等鋼筋混凝土學與設計#31752
104年 - 104 高等考試_二級_土木工程:高等鋼筋混凝土學與設計#31752
科目:
高等鋼筋混凝土學與設計 |
年份:
104年 |
選擇題數:
0 |
申論題數:
4
試卷資訊
所屬科目:
高等鋼筋混凝土學與設計
選擇題 (0)
申論題 (4)
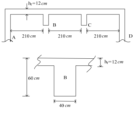
【已刪除】一、有一版梁系統除自重外,尚承受活載重 1 tf/m
2
與靜載重 0.5 tf/m
2
,梁兩端可視為簡 支承,跨距為 6 m,版厚為 12 cm。若梁 B 配置拉力筋 4-D25,請檢核其鋼筋量是否 足夠?(已知有效深度 d=53 cm)(25 分)
二、一混凝土矩形柱長 1 m,斷面為 40 cm×40 cm,柱內軸心線上埋置一支 D32 鋼筋; 若此柱承受軸向壓力 P=20 tf,試求三年後柱之總軸向變形與鋼筋應力。(已知三 年後混凝土之潛變係數為 Cc=3.0,且不計收縮變形)(25 分)
【已刪除】三、鋼筋混凝土柱基礎承受活載重 PL =60 tf 及靜載重 PD =50 tf 之軸力,請檢核此基礎之 鋼筋量,以及是否足以抵抗梁之剪力?(25 分)
【已刪除】四、有一無側移柱淨高 6 m,有效長度因數 k=0.9,其須承受軸向壓力與對 Y 軸之單向 彎矩,且設計軸力 P
u
=500 tf,最大設計軸向靜載重與設計軸力之比值 β
d
=0.3,柱 頭之設計彎矩 M
u
=15 tf-m,柱腳之設計彎矩 Mu=20 tf-m,且柱成單曲率彎曲,現 以彎矩放大法設計此柱,請計算應採用之放大彎矩 M
c
。(25 分)
相關試卷
114年 - 114 高等考試_二級_土木工程:高等鋼筋混凝土學與設計#131588
114年 · #131588
113年 - 113 高等考試_二級_土木工程:高等鋼筋混凝土學與設計#123081
113年 · #123081
112年 - 112 高等考試_二級_土木工程:高等鋼筋混凝土學與設計#116765
112年 · #116765
111年 - 111 高等考試_二級_土木工程:高等鋼筋混凝土學與設計#111041
111年 · #111041
110年 - 110 高等考試_二級_土木工程:高等鋼筋混凝土學與設計#101945
110年 · #101945
109年 - 109 高等考試_二級_土木工程:高等鋼筋混凝土學與設計#91545
109年 · #91545
108年 - 108 高等考試_二級_土木工程:高等鋼筋混凝土學與設計#79557
108年 · #79557
107年 - 107 高等考試_二級_土木工程:高等鋼筋混凝土學與設計#72401
107年 · #72401
106年 - 106 高等考試_二級_土木工程:高等鋼筋混凝土學與設計#65185
106年 · #65185
103年 - 103 高等考試_二級_土木工程:高等鋼筋混凝土學與設計#32483
103年 · #32483