所屬科目:一二三等大管輪◆電機電子與自動控制
10. 如下圖之電路,若V=40伏特,若R 1 =30Ω, R 2 =R 3 =20Ω,求R 3 其消耗功率為何?: (A) 2W (B) 4W (C) 5W (D) 10W
13. 正相序的三相電源 , 若負載為平衡Y接當A相相電流為sin(120πt)A , 則A相線電流為何? (A) sin(120πt)A (B) sin(120πt- 30°)A (C) 1.732sin(120π t-30°)A (D) 1.732sin(120π t-120°)A
17. 三相 Y 接法的電路,若相電壓之有效值為,則線電壓之有效值為: (A) (B) (C) (D)
22. 如圖所示為之發電機的何種儀表電路? (A) 頻率計 (B) 功率計 (C) 逆電力繼電器 (D) 同步指示儀
23. 三相感應電動機若使用自耦變壓器進行降壓起動,若降壓比為 1/5 , 則其起動轉矩為全電壓起動轉矩的 (A) 1/25 (B) 1/5 (C) (D) 1/10
27. 試求圖 5 之等效電阻 R 。 (A) R=10 Ω (B) R=11 Ω (C) R=12 Ω (D) R=13 Ω
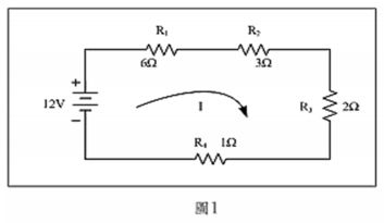
42. 試求圖 1 之各電阻壓降。 (A) R1的壓降為6 V R2的壓降為3 V R3的壓降為2 V R4的壓降為1 V (B) R1的壓降為1 V R2的壓降為2 V R3的壓降為3 V R4的壓降為6 V (C) R1的壓降為6 V R2的壓降為2 V R3的壓降為3 V R4的壓降為1 V (D) R1的壓降為1 V R2的壓降為3 V R3的壓降為2 V R4的壓降為6 V
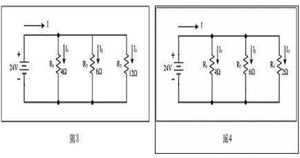
43. 在圖 3 中,若將 R 3 之阻值改為 2 歐姆,如圖 4 ,則總電阻。 (A)=10/11歐姆 (B)=1歐姆 (C)=12/11歐姆 (D)=13/11歐姆
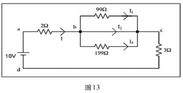
44. 如圖13試求I。 (A) I=1A (B) I=2A (C) I=3A (D) I=4A
45. 如圖18求R值為多少歐姆? (A) R=1/2歐姆 (B) R=2歐姆 (C) R=1歐姆 (D) R=3歐姆
46. 試以節點電壓法,求圖31中流經1歐姆之電流。 (A) 40A (B) 50A (C) 20A (D) 30A
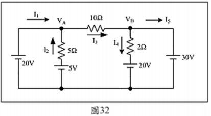
47. 圖 32 中之 I 1 電流值為幾安培 ? (A) -1A (B) 2A (C) 1A (D) 3A
48. 如圖 36 試求。 (A) 0歐姆 (B) 1歐姆 (C) 2歐姆 (D) 3歐姆