所屬科目:一二三等大管輪◆電機電子與自動控制
3. 圖3為一並聯電路,試求總電阻。 (A)=2歐姆 (B)=22歐姆 (C)=1歐姆 (D)=3歐姆
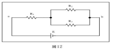
4. 如圖12當E=120V、R 1 =2歐姆、R 2 =3 歐姆、R 3 =6 歐姆求。 (A)=2歐姆 (B)=3歐姆 (C)=6歐姆 (D)=4歐姆
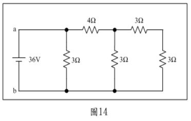
5. 如圖14試求。 (A)=2歐姆 (B)=3歐姆 (C)=4歐姆 (D)=5歐姆
7. 圖32中之I 2 電流值為幾安培? (A) -1A (B) -3A (C) 3A (D) 2A
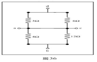
8. 如圖36試求。 (A) 0歐姆 (B) 1歐姆 (C) 2歐姆 (D) 3歐姆
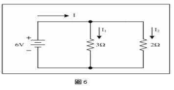
15. 試求圖 6 之 I 1 。 (A) I 1 =1A (B) I 1 =2A (C) I 1 =3A (D) I 1 =4A
28. 如下圖之電路,若 V=30 伏特, R 1 =10 Ω, R 2 =R 3 =R 4 =30Ω ,且電路的兩端施與 30 伏特的電壓,則通過該電路的總電阻為: (A) 25Ω (B) 20Ω (C) 15Ω (D) 10Ω
29. 若一交流電壓之方程式為: v(t)=70sin(60t) , 其電壓之有效值為 (A) 70 (B) (C) (D)
30. 下圖之電路, V=30 伏特, R 1 =30Ω , R 2 =20Ω , R 3 =40Ω ,若此電路之 負載電阻為 30Ω ,依戴維寧等效電路計算,通過負載之電流為 (A) 0.3A (B) 0.4A (C)0.6A (D) 1.5A
31. 下圖之電路, V=30 伏特, R 1 =15Ω , R 2 =30Ω , R 3 =10Ω ,若此電路之負載電阻為 10Ω ,依戴維寧等效電路計算,通過負載之電流為 (A) 0.5A (B) 0.6A (C)1A (D) 2A
32. 三相 Δ 接法的電路,若相電壓之有效值為,則線電壓之有效值為: (A) (B) (C) (D)
35. 若電容器之電容值為 C ,通過電壓 V 頻率 f 之交流電,其電容抗之大 小及電壓電流之相位關係為: (A) =2π fC ,電流 落後電壓 90 度 (B) =2π fC ,電壓 落後電流 90 度 (C) =1/(2π fC ) , 電流落後電壓 90 度 (D) =1/(2π fC ) , 電壓落後電流 90 度
39. 三相感應電動機若使用 Y-Δ 起動電路,其起動電流為全電壓起動電流 的 (A) (B) 1/3 (C) (D) 1/2