所屬科目:技檢◆工業電子-丙級
20. 左圖的右側視圖是(A) (B) (C) (D) 。
21. 下圖符號為(A)UJT(B)SCR(C)PUT(D)GTO。
28. 以直角座標相量表示 10∠30°=(A)(B) (C)(D) 。
31. 下圖若 3kΩ 開路,則 A-B 間電壓為(A)4V(B)0V(C)10V(D)6V。
32. 以 IC 腳焊接為例,下列各焊點何者最佳(A) (B) (C) (D)
36. 下圖 A、B 兩點間之總電容量CAB =(A)4μF(B)2μF(C)1μF(D)1.5μF。
44. 下述哪個邏輯閘具有下圖的真值表(A) (B) (C) (D)
45. 一交流電路中,υ(t)=30 cos(200t+15°)伏特,i(t)=0.5 cos(200t+75°)安培,則此電路之功率因數為(A)0.886(B)0.5(C) (D) 。
51. 下列何者為電動機的符號(A) (B) (C) (D) 。
52. 下圖若 υi =20V 之 1kHz 正弦波信號,則輸出 υ0 為(A)Vp =-14V 之 1kHz 正弦波(B)Vp-p =20V 之方波(C)Vp =+14V 之 1kHz 正弦波(D)Vp=+14V 之 1kHz 餘弦波。
57. 在電晶體參數中 其h11代表意義為(A)順向電流轉換比(B)逆向電壓轉換比(C)輸入 阻抗(D)輸出導納。
61. 下列何者為比較器(A) (B) (C)(D) 。
73. 下列電阻器之標註何者為正確(A)R5 (B)5R (C)5R (D)R5 。
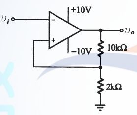
75. 下圖所示之 E 訊號為(A)低電位致能(B)浮接點(C)接地點(D)反向輸出。