所屬科目:一二三等大管輪◆電機電子與自動控制
3. 有一部45KVA、208V、 △連接、60HZ的同步電動機,其同步阻抗為2歐姆,鐵心損 失為0.8kW,摩擦損和風損為1.2kW,可忽略電樞電阻。此部電動機供應20HP的功率給負載,其功率因數為0.8超前,試回答下列問題:設軸上負載增加至40HP,求新的功率因數? (A)0.95 (B)0.97 (C)0.9 (D)0.99
8. 如圖48的電路,試問流經1K歐姆電阻的電流為多少 ? (A)10mA (B)5mA (C)2mA (D)1mA
15. 試求圖5之等效電阻R。 (A)R=10Ω (B)R=11Ω (C)R=12Ω(D)R=13Ω
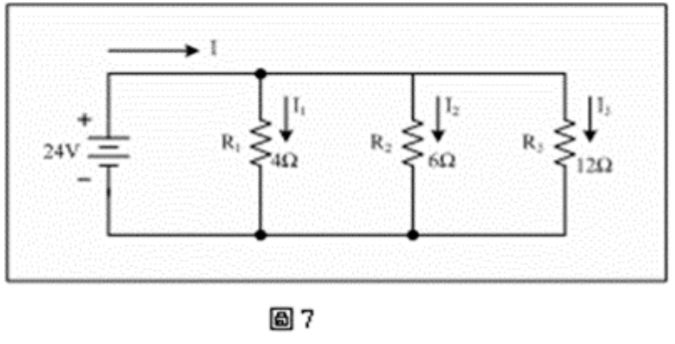
18. 圖7為一個並聯電路,試求電流I1,I2 。 (A)I1=6A,I2=4A (B)I1=6A,I2=2A (C)I1=6A,I2=2A (D)I1=2A,I2=6A
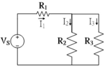
37. 如下圖所示,若Vs=12V,I1=2A,R2=3Ω,R3=6Ω,求電阻R1的大小為何 (A)2Ω (B)4Ω (C)6Ω (D)8Ω
40. 一個電路其阻抗值為5+10i(Ω),若其流過電流為 ,求其虛功率(感應功率)為何? (A)1250VAR (B)1000VAR (C)500VAR (D)250VAR
43. 如圖示,是由何種電子元件組成之電路 ? (A)光電二極體 (B)發光二極體 (C)光導電池。 (D)曾納二極體