所屬科目:技檢◆工業配線-甲級
1. 如下圖所示為過載保護電路圖,係使用過電流電驛,而於過載時,由比流器(CT)之二次電流,使斷路器跳脫,此電路
(A)正確可用(B)錯誤不可使用(C)正確與否不能判斷(D)為常用者。
2. 如下圖所示 PLC 電路,輸入信號X1操作第一次ON 及第二次 ON,其輸出 Y1 第一次及第二次之狀態,下述何者為正確(A)Y1OFF、Y1 OFF(B)Y1 ON、Y1 OFF(C)Y1 ON 一次掃瞄時間後 OFF、Y1一直 OFF(D)Y1 ON、Y1 ON。
3. 電力熔絲的缺點是(A)不可在屋外使用(B)無法隔離電源(C)當其熔絲熔斷後,不能自動復閉(D)更換不易。
4. 檢修 22.8KV 變電站時,不必(A)將低壓側之開關切離(B)啟斷 22.8KV 電源(C)將所有保護電驛手動跳脫(D)將高壓開關或斷路器負載側,三相短路接地。
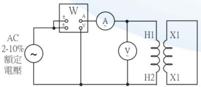
5. 如圖所示電路之電流與功率因數為
(A)11A/0.8(B)8A/0.6(C)8A/0.8(D)11A/0.6。
6. 頻率降下時,電容器阻抗值(A)不變(B)先增後減(C)減少(D)增加。
7. 低電壓保護電驛不能作下列那一項之保護檢出?(A)系統電壓不足(B)閃爍電壓(C)電動機欠相(D)停電。
8. 可程式控制器之外接元件中,下列何者不能提供類比信號?(A)DIPSwitch(B)比壓器(C)壓力轉換器(D)Load cell。
9. 斷路器上的IC 值係指下列何者?(A)框架容量(B)啟斷容量(C)跳脫容量(D)額定值。
10. 如下圖所示,電路SCR之安全 PRV 值約為(A)200V(B)300V(C)150V(D)250V。
11. 下列何者非屬職業安全衛生法規定之勞工法定義務?(A)實施自動檢查(B)遵守工作守則(C)定期接受健康檢查(D)參加安全衛生教育訓練。
12. 綜合評估勞工暴露於危害之嚴重度與發生機率,在職業安全衛生界常稱之為下列何者?(A)看風水(B)塔羅牌占卜(C)求神問卜(D)風險評估。
13. 可利用紫外線清洗的方式來消除記憶體內容者為(A)EEPROM(B)EPROM(C)RAM(D)ROM。
14. 有關配電盤構造之要求主要在(A)壽命之長短(B)操作方便上之考慮(C)造價之高低(D)人員安全。
15. 負載之變動後引起急速的電壓變動,稱之為(A)電壓閃爍(B)公稱電壓(C)電壓展輻(D)電壓突降。
16. PT為6600/110V,CT為10/5A,電表之瓦時常數(WH/R)為2/3,某負載使電表在25秒內旋轉十轉,則該負載約為(A)100KW(B)130KW(C)145KW(D)115KW。
17. 紅外線對眼睛較可能引起下列何傷害?(A)針眼(B)砂眼(C)流行性角結膜炎(D)白內障。
18. 三台單相變壓器,每台額定5KVA,接成△-△接線,供給 13KVA 三相平衡負載,若其中一台故障,其餘二台繼續供應負載,則變壓器之過載量為多少?(A)3KVA(B)4.34KVA(C)2KVA(D)8.66KVA。
19. 配電箱內儀表、信號燈及其他附有電壓線圈之設備,其控制電路之過電流保護裝置所選定的額定值為多少?(A)不得低於20A(B)不得低於15A(C)不得超過50A(D)不得超過 15A。
20. 如下圖所示有一PLC 電路,當X1ON 時,R1 之動作情形,下列敘述何者正確?(A)R1O N,時間為一個掃瞄週期(B)R1不會ON(C)R1 振盪(D)R1 ON,時間為1ms。
21. 下列敘述何者為錯誤?(A)高速同步電驛是達成遠方監視控制任務之主要設備(B)改善功率因數之目的是為調節電力之負荷,減少銅損失並維持電壓之穩定(C)匯流排佈置方式直接影響供電之可靠性及變電站之運轉維護工作(D)同一斷路器,其啟斷容量隨故障電流大小而變。
22. PLC 之週邊裝置中,下列何者因價錢較貴,使用者較少採用(A)個人電腦(B)燒寫器(C)CRT 程式書寫器(D)印表機介面模組。
23. 一般使用三用電表量測交流電壓時,流經表頭線圈之電流值為被測交流信號之(A)平均值(B)峰對峰值(C)均方根值(D)峰值。
24. 油氣壓迴路中,若使用中位全閉式三位置方向閥,則(A)方向閥轉換時振動小(B)致動器能作短時間停止動作(C)致動器能作長時間停止動作(D)氣缸能作瞬間滑動。
25. 關於侵占罪之概念,下列何者不正確?(A)事後返還侵占物可免除責任(B)員工將公司財物由持有變成據為己有之時即已構成(C)員工私自將公司答謝客戶之禮盒留下供己使用,即會構成(D)員工不能將向客戶收取之貨款先行用於支付自己親屬之醫藥費。
26. 勞動基準法第84條之1規定之工作者,因工作性質特殊,就其工作時間,下列何者正確?(A)不另給予延時工資(B)完全不受限制(C)無例假與休假(D)勞雇間應有合理協商彈性。
27. 電路供應電燈、電力電熱或混合負載者,其自接戶開關至最遠端出線口之電壓降,不得超過該分路標稱電壓之(A)2%(B)1%(C)3%(D)5%。
28. 下圖符號表示(A)附自動排水器(B)無排水器(C)潤滑器(D)附手動排水器。
29. 電容抗與其所通過電流之頻率的關係為何?(A)成反比(B)平方成反比(C)成正比(D)平方成正比。
30. 對於維護工作環境的整潔與安全,較為正確的作法是(A)選擇適當的機具及正確方法減少公害的發生(B)將工作環境的整潔及安全只交付給安全管理人員負責(C)選擇低成本快速方法完成工作(D)以達成工作任務優先,公共安全可以暫不考量。
31. 屋內型高壓受配電設備_________裝設避雷器。(A)任意(B)必需(C)不必(D)視現場環境之需要
32. CNS 標準 24KV 級配電箱,作 AC 耐電壓測試(對地),其測試電壓為(A)45KV (B)40KV (C)50KV (D)55KV。
33. 適用於馬達保護之過電流電驛為(A)反時限過電流電驛 CO-8 (B)超反時限過電流電驛 CO-11 (C)長時限過電流電驛 CO-5 (D)定時過電流電驛 CO-6。
34. 有關電纜頭,下列敘述何者錯誤?(A)3KV 以下單心電纜頭無需作成電力保護錐(B)1.3KV 以下之三心電纜終端頭,無需作成電力保護錐(C)高壓電纜終端接頭具有接地線,中間接頭則無(D)分為終端接頭及中間接頭兩種。
35. 使用變壓器時,在下列何條件下其效率最佳?(A)銅損小於鐵損(B)銅損為鐵損之兩倍(C)大於鐵損(D)銅損等於鐵損。
36. 電動機控制電路用 3E 保護電驛,能作下列何項保護?(A)欠相、逆相、過電流(B)過電壓、過電流、欠相(C)過電壓、逆相、過電流(D)欠電壓、過電壓、逆相。
37. 高壓電動機保護之檢出裝置以(A)OV 電驛(B)3E 電驛(C)CO 電驛(D)TH 電驛為佳。
38. 在做配電盤耐電壓試驗前應必須先作下列何種試驗?(A)器具功能測試(B)BIL 測試(C)絕緣電阻測試(D)儀表電驛動作測試。
39. 下列對於電路布局權的敘述,何者正確?(A)輸入、散布電路布局不論目的為何,皆可能對電路布局權造成侵犯(B)電路布局之創作人完成設計後不需登記即享有電路布局權(C)為增進公益之非營利使用,電路布局專責機關得依申請,特許該申請人實施電路布局權(D)只要不涉商業目的,複製一部或全部之電路布局皆不會侵犯電路布局權。
40. 1.5 級計器其量測誤差為何?(A)全刻度之±1.5%(B)全刻度之±15%(C)最小刻度之±1.5%(D)最小刻度之±15%。
41. 低壓控制盤內底板之接地點、箱外接地點、箱門之接地點及箱體之接地點,此四點間之連線順序,下列何者較為合理(A)箱外→箱體→底板→箱門(B)箱外→底板→箱體→箱門(C)箱外→底板→箱門→箱體(D)箱外→箱體→箱門→底板。
42. 三相交流電源,各相電源相位差(A)60 度(B)120 度(C)100 度(D)180 度。
43. 油壓元件較不易故障的主要原因為(A)使用材料較為耐用(B)體積小但能輸出大能力(C)設計較佳(D)使用時隨時處於潤滑狀態。
44. 網路架構中,如果用樹狀架構,則可使用下列何種設備來配置?(A)路由器(B)訊號增強器(C)閘道器(D)集線器。
45. CYCLE-CONVERTER 的功能為(A)交流變交流(B)直流變直流(C)直流變交流(D)交流變直流。
46. 2E 電驛用於保護馬達之(A)欠相、過載(B)過載、欠相、逆相(C)逆相、欠相(D)過載。
47. ACSR 為(A)裸銅線(B)美國線規(C)美國國家標準(D)鋼心鋁線。
48. 某離職同事請求在職員工將離職前所製作之某份文件傳送給他,請問下列回應方式何者正確?(A)由於該項文件係由該離職員工製作,因此可以傳送文件(B)視彼此交情決定是否傳送文件(C)若其目的僅為保留檔案備份,便可以傳送文件(D)可能構成對於營業秘密之侵害,應予拒絕並請他直接向公司提出請求。
49. 3φ4W 接地系統供電地區用戶,高壓電動機外殼接地電阻應在多少 Ω 以下?(A)10(B)25(C)35(D)100。
50. 何種記憶體於停電時,其內部儲存之程式內容會自行消失(A)EEPROM(B)RAM(C)ROM(D)EPROM。
51. 下圖符號表示(A)自動復歸電驛接點(B)限時電驛接點(C)手動操作自動復歸按鈕開關接點(D)極限開關接點。
52. 如下圖所示比流器二次電路接線,正確之接法為(A)第2圖(B)第3圖(C)第1圖及第3圖(D) 第1圖。
53. CNS 配電盤標準中,斷路器等為抽出式其配電盤等級記號為(A)Z(B)Y(C)W(D)X。
54. 左圖表示(A)接地過電壓電驛(B)過電壓電驛(C)方向性接地電驛(D)不足電壓電驛。
55. 兩理想電壓源,分別以相量 V₁=20∠30°伏及 V2=10∠60°伏表示,不能合併化簡為單一電源是因為(A)兩相角之和為90°(B)相角不同(C)頻率不同(D)絕對值不同。
56. 左圖表示(A)TIMER(B)NOT GATE(C)AND GATE(D)脈衝產生器。
57. 防止 SCR 閘極誤觸發的方法為(A)在G-K間並聯小容量電容器(B)在閘極上加 2~5V 之順向電壓(C)在陽極加上-2~-5V之逆向電壓(D)在G-K間並聯10KΩ 以下電阻器。
58.左圖符號為(A)空斷開關(B)隔離開關(C)負載啟斷開關(D)閘刀開關。
59. 避雷器之主要功能為何?(A)防止接地(B)作為過載保護(C)消除異常電壓(D)防止短路。
60. 如下圖所示,其動作時序圖下列何者為正確?(A)(B)(C)(D)
61. 如下圖所示電路可求得變壓器各項的特性值,下列敘述哪些正確?(A)磁化支路之電導與電納(B)等效電抗(C)銅損(D)等效電阻。
62. 電纜之同軸中性線,下列哪二項為其主要目的?(A)加強電場強度(B)加強絕緣強度(C)加強機械強度(D)作接地線。
63. 交連PE 電纜適用周溫,下列哪些不宜?(A)10℃(B)-10℃(C)-15℃(D)45℃。
64. 下列敘述哪些錯誤?(A)控制系統中,可利用集合指示燈組成流程表作為監控之用(B)控制器之箱匣接地必要時可以用導線短接至其電源之地線端上(C)控制回路中之栓型保險絲其作用為過載保護(D)控制裝置間訊號傳輸線及直流控制訊號線,其電纜或導線管槽外層必需有接地之隔離屏障。
65. 人機介面(HMI)實現數值輸入時,可對應PLC 內部的(A)資料暫存器(B)輸入點(C)計數器(D)計時器。
66. 針對產生噪音而言,單相感應電動機所產生之噪音比三相感應電動機大,下列哪些不是造成此結果之原因?(A)單相感應電動機功率較低(B)單相感應電動機中產生兩個旋轉磁場,而三相感應電動機僅有一個旋轉磁場(C)三相感應電動機轉差率較大(D)三相感應電動機之線圈結構較為精密。
67. 下列哪些為矽控整流器 SCR(Silicon Controlled Rectifier)的缺點?(A)無法耐高溫(B)可靠度佳、速度快(C)易受衝擊電壓影響造成誤動作(D)產生高次諧波,干擾視聽通訊。
68. 依據 IEEE 標準,常用保護電驛、自動控制數碼代號,下列敘述哪些正確?(A)87 差動(Differential)電驛(B)51G 延時過電流接地保護(Time Overcurrent Ground)電驛(C)76 直流過電流電驛(D)94電壓方向電驛。