阿摩線上測驗
登入
首頁
>
技檢◆工業配線-甲級
> 114年 - 01300 工業配線 甲級 工作項目 04:可程式控制器(PLC)之應 1-50(2025/10/09 更新)#132015
114年 - 01300 工業配線 甲級 工作項目 04:可程式控制器(PLC)之應 1-50(2025/10/09 更新)#132015
科目:
技檢◆工業配線-甲級 |
年份:
114年 |
選擇題數:
50 |
申論題數:
0
試卷資訊
所屬科目:
技檢◆工業配線-甲級
選擇題 (50)
1. 如下圖所示為 PLC 回路,原先 S30 為有效步進點(S30=ON)當 X0(移行條件)由 OFF 變為 ON 時,有效步進點由 S30 轉移到 S31(S30=OFF,S31=ON),則 Y0、Y1 輸出之動作為
(A)Y0 OFF、Y1 OFF (B)Y0 OFF、Y1 ON (C)Y0 ON、Y1 OFF (D)Y0 ON、Y1 ON 。
2. 如下圖所示為 PLC 回路,原先 S30 為有效步進點(S30=ON) 當 X0(移行條件)由 OFF 變為 ON 時,有效步進點由 S30 轉移到 S31(S30=OFF,S31=ON),則 Y0、Y1 輸出之動作為
(A)Y0 OFF、Y1 OFF (B)Y0 OFF、Y1 ON (C)Y0 ON、Y1 OFF (D)Y0 ON、Y1 ON 。
3. 可程式控制器的 A/D 模組,其功能是將 (A)數位信號轉換為類比信號 (B)類比信號轉換為數位信號 (C)交流信號轉換為直流信號 (D)電流信號轉換為電壓信號 。
4. 可程式控制器輸出端採電晶體型輸出,其輸出信號 ON 至輸出導通時,中間延遲時間約為 (A)10ms (B)5ms (C)1ms (D)0.2ms 以下。
5. 可程式控制器三種輸出類型中,反應時間(由 OFF 到 ON)最慢的是 (A)繼電器輸出 (B)NPN 電晶體輸出 (C)PNP 電晶體輸出 (D)閘流體(TRIAC)輸出 。
6. 可程式控制器三種輸出類型中,可以進行交流輸出,也可以進行直流輸出的是 (A)繼電器輸出 (B)NPN 電晶體輸出 (C)PNP 電晶體輸出 (D)閘流體(TRIAC)輸出 。
7. 目前可程式控制器的電晶體輸出模組,能驅動 (A)交流 (B)直流 (C)交、直流 (D)任意 負載。
8. BCD 碼就是將十進制的數以 8421 的形式,展開成二進制,所以321(10)的 BCD 碼為 (A)1100 0100 1000 (B)(2)0010 0000 0001(2) (C)00110010 0001(2) (D)1100 0000 1000(2) 。
9. 在電腦與 PLC 間作長距離傳送資料時,通常會利用現成的電話線來進行, 此時在電腦上須加裝何種介面? (A)UPS (B)IEEE - 488 (C)MODEM(D)AGP 。
10. 人機介面與 PLC 的介面中,RS - 232 C 介面是屬於 (A)並列式介面 (B)串列式介面 (C)搖桿介面 (D)顯示介面 。
11. PLC 內部全部採用二進制,若利用一個 Word(16 bit) 來表示整數型態資料, 且以最高位元 MSB(B15)表示該數值之正負(0 代表正數,1 代表負數),負數與正數間互為 2 的補數,則可表示之範圍為 (A)-32767 ~32768 (B)-32768 ~ 32768 (C)-32768 ~ 32767 (D)-32767 ~ 32767 。
12. Internet 是採用下列何種通訊協定? (A)TCP / IP (B)ISO 的 OSI (C)X.25(D)HDLC 。
13. 已知網際網路的 IP 位址係由四組數字所組成,請問下列表示法中何者是錯誤的? (A)140.6.36.300 (B)168.95.182.6 (C)140.6.20.8 (D)200.100.60.80 。
14. PLC 與感測器信號配線之首要考慮為 (A)經濟美觀 (B)電流容量 (C)電壓降(D)雜訊干擾 。
15. 使用可程式控制器作為流量積算時,必須以下列何種信號輸入? (A)電容 (B)脈波 (C)電阻 (D)電感 。
16. 下列何種儲存記憶體在電源關閉後記憶體內容不會消失? (A)DRAM (B)RAM (C)SRAM (D)Flash Memory 。
17. 傳輸距離長且雜訊免疫力佳的界面為 (A)RS-232 (B)RS-232C (C)RS-422 (D)RS-485 。
18. 二進制數 1 0 1 1 0 1 1 1 是下列那個十進制數字的 2 的補數? (A)13 (B)33 (C)-73 (D)93 。
19. PLC 的輸出繼電器 Y 有無數個常開(a)、常閉(b)接點,供編程使用,但僅提供幾個常開(a)接點供其驅動負載? (A)4 (B)3 (C)2 (D)1 。
20. 若將 PLC Y0~Y3 的電晶體輸出加到 7 段顯示器時,必須先經過 (A)多工器 (B)編碼器 (C)解碼器 (D)解多工器 。
21. 十六進制碼 13
(16)
相對應的 BCD 碼為下列何者? (A)11101100
(2)
(B)00010011
(2)
(C)00011001
(2)
(D)11101101
(2)
。
22. PLC 通信傳輸速率為 9600 鮑率(baud rate)意思是指每秒鐘可傳送或接收 9 .6 K (A)Nibble (B)Bit (C)Byte (D)Word 。
23. 網路架構中,如果用樹狀架構,則可使用下列何種設備來配置? (A)閘道器 (B)集線器 (C)路由器 (D)訊號增強器 。
24. RS-232C 介面 DB9 連接端子中,信號接地腳是第幾腳(PIN)? (A)2 (B)3(C)4 (D)5 。
25. 通信裝置間為相互溝通而訂定一套交換資訊的格式和內容之規則,稱為(A)通訊線路 (B)參考模式 (C)資訊基礎建設 (D)通訊協定 。
26. 可程式控制器輸出端採 SSR 型輸出,其輸出信號 ON 至輸出閘流體導通時,中間延遲時間約為多少以下? (A)10 (B)0.1 (C)1 (D)0.2 ms。
27. 人機介面與 PLC 通信連線介面中,RS-485 傳輸網路兩端之節點可作雙向資料傳輸,但無法同時雙向傳輸的通訊方式是? (A)半雙工 (B)倍雙工(C)單工 (D)全雙工 。
28. 通常 PLC 內部表示負的整數是用 (A)9 的補數表示法 (B)8 的補數表示法(C)2 的補數表示法 (D)10 的補數表示法 。
29. 下列何種記憶體是利用紫外線光的照射來清除所儲存的資料? (A)SRAM(B)EPROM (C)EEPROM (D)PROM 。
30. PLC 串列通信格式中,「同位檢查(Parity Checking)」是一項資料錯誤檢查的技術,下列何者不具有「偶同位性」? (A)111111110
(2)
(B)011100001
(2)
(C)101110000
(2)
(D)011110100
(2)
。
31. 使用透明玻璃纖維材質來傳輸資料, 具有體積小、傳輸速度快、訊號不易衰減等特性的傳輸媒介是 (A)光纖 (B)微波 (C)同軸電纜 (D)雙絞線 。
32. 經由人機介面(HMI)的數值輸入功能,輸入 83(10)的數值,則儲存在PLC 內部暫存器的數值為 (A)0000 0000 1000 0011
(2)
(B)1000 0011 00000000
(2)
(C)0000 0000 0101 0011
(2)
(D)0101 0011 0000 0000
(2)
。
33. 若 PLC 輸入信號 X0~X15,只有 X5、X1 為 ON,經由人機介面(HMI)的數值顯示功能(讀取位址 WX0),其顯示值為 (A)36
(10)
(B)35
(10)
(C)34
(10)
(D)33
(10)
。
34. 經由人機介面(HMI)的數值輸入功能,輸入 64(10)的數值,若儲存於PLC 的 WY0 位址,則 PLC Y0~Y15 的輸出何者為 ON (A)Y4 (B)Y5 (C)Y6 (D)Y7 。
35. 若 PLC 無微分指令時,設計者最低可運用幾個內部補助繼電器來設計一個微分信號回路 (A)一個 (B)二個 (C)三個 (D)四個 。
36. 如下圖所示 PLC 電路,輸入信號 X1 操作第一次 ON 及第二次 ON,其輸出 Y1 第一次及第二次之狀態,下述何者為正確
(A)Y1 ON、Y1 OFF(B)Y1 ON、Y1 ON (C)Y1 OFF、Y1 OFF (D)Y1 ON 一次掃瞄時間後OFF、Y1 一直 OFF 。
37.
如左圖之 PLC 電路,此回路會產生 (A)方波 (B)鋸齒波 (C)單脈波 (D)三角波 。
38. 何種記憶體於停電時,其內部儲存之程式內容會自行消失 (A)RAM (B)ROM (C)EPROM (D)EEPROM 。
39. 可程式控制器與繼電器控制之特性比較中,下列敘述何者為誤 (A)繼電器控制接點,易故障 (B)繼電器控制系統愈大,經濟效益愈差 (C)繼電器控制受機械特性限制,速度無法增快 (D)可程式控制器程式修改容易,但模擬不易 。
40. PLC 之週邊裝置中,下列何者因價錢較貴,使用者較少採用 (A)燒寫器(B)印表機介面模組 (C)CRT 程式書寫器 (D)個人電腦 。
41. 可利用紫外線清洗的方式來消除記憶體內容者為 (A)RAM (B)ROM (C)EPROM (D)EEPROM 。
42. 在電腦應用上,1K 記憶體之記憶容量為多少 Bytes (A)100 (B)512 (C)1000 (D)1024 。
43. 有關可程式控制器之敘述,下列何者為錯誤 (A)容易編寫及修改程式 (B)能適應惡劣之工作環境 (C)體積與所佔之空間較小,維護不易 (D)易於輸出資料與計算機連接 。
44. PLC 之輸出功率轉換元件,下列何者轉換速度最快 (A)一般繼電器輸出(B)微小型繼電器輸出 (C)閘流體輸出 (D)電晶體輸出 。
45. 可程式控制器為防止外界之雜訊干擾,其輸入模組隔離雜訊的方法中,下列何者為誤? (A)光電隔離式 (B)變壓器式 (C)磁簧繼電器式 (D)閘流體式 。
46. 可程式控制器之外接元件中,下列何者不能提供類比信號? (A)壓力轉換器 (B)DIPSwitch (C)比壓器 (D)Load cell 。
47. 可程式控制器一般製造廠商建議其接地方式,在短距離內儘可能採用何種方式接地? (A)第一種接地 (B)第二種接地 (C)第三種接地 (D)特種接地 。
48. 過電流保護設備的必要特性為何? (A)足夠的框架容量 (B)足夠的跳脫容量 (C)足夠的啟斷容量 (D)足夠的額定容量 。
49. PLC 一個計數器若能計數三位數,若使用兩個計數器組合,其最大能計數幾位數 (A)四位數 (B)五位數 (C)六位數 (D)九位數 。
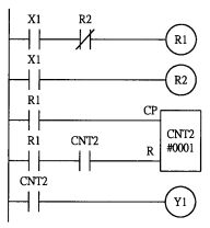
50. 如下圖所示有一 PLC 電路,當 X1 ON 時,R1 之動作情形,下列敘述何者正確?
(A)R1 不會 ON (B)R1 振盪 (C)R1 ON,時間為 1ms (D)R1ON,時間為一個掃瞄週期 。
申論題 (0)
相關試卷
114年 - 01300 工業配線 甲級 工作項目 06:高壓電纜之處理 1-22(2025/10/09 更新)#132018
114年 · #132018
114年 - 01300 工業配線 甲級 工作項目 05:設計繪圖 1-68(2025/10/09 更新)#132017
114年 · #132017
114年 - 01300 工業配線 甲級 工作項目 04:可程式控制器(PLC)之應 51-112(2025/10/09 更新)#132016
114年 · #132016
114年 - 01300 工業配線 甲級 工作項目 03:檢查及故障排除 51-112(2025/10/09 更新)#132014
114年 · #132014
114年 - 01300 工業配線 甲級 工作項目 03:檢查及故障排除 1-50(2025/10/09 更新)#132013
114年 · #132013
114年 - 01300 工業配線 甲級 工作項目 02:低壓配電盤(箱)及控制盤裝置 51-109(2025/10/09 更新)#132012
114年 · #132012
114年 - 01300 工業配線 甲級 工作項目 02:低壓配電盤(箱)及控制盤裝置 1-50(2025/10/09 更新)#132011
114年 · #132011
114年 - 114-2 全國技術士技能檢定學科_甲級:01300 工業配線#129409
114年 · #129409
112年 - 112-3 全國技術士技能檢定學科_甲級:01300工業配線#123436
112年 · #123436
112年 - 112-1 全國技術士技能檢定學科_甲級:01300工業配線#123434
112年 · #123434