阿摩線上測驗
登入
首頁
>
技檢◆工業配線-甲級
> 112年 - 112-3 全國技術士技能檢定學科_甲級:01300工業配線#123436
112年 - 112-3 全國技術士技能檢定學科_甲級:01300工業配線#123436
科目:
技檢◆工業配線-甲級 |
年份:
112年 |
選擇題數:
80 |
申論題數:
0
試卷資訊
所屬科目:
技檢◆工業配線-甲級
選擇題 (80)
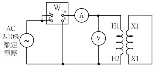
1. 若使用 2 只 CT 量測三相電流時,其引接至電流切換開關之接線有幾條? (A)4 (B)6 (C)3 (D)5 條。
2. 如下圖所示之電路,正常運作電路需作如何修改?
(A)將 OFF 改為 a 接點 (B)將二極體反接 (C)將 X 改為 b 接點 (D)將 ON 改為 b 接點。
3. 於營造工地潮濕場所中使用電動機具,為防止漏電危害,應於該電路設置何種安全裝置? (A)閉 關箱 (B)高容量保險絲 (C)自動電擊防止裝置 (D)高感度高速型漏電斷路器。
4. 電力系統上為防止故障未排除前之誤操作,需裝設 (A)86 電驛 (B)46 電驛 (C)87 電驛 (D)67 電驛 以確保安全。
5. 我國移動污染源空氣污染防制費的徵收機制為何? (A)依車輛里程數計費 (B)依牌照徵收 (C)依照 排氣量徵收 (D)隨油品銷售徵收。
6. 如下圖加裝電阻器之主要目的在於
(A)增加直流電磁鐵吸引力 (B)動作後使 MC 線圈電流降低 (C) 使動作後能自保 (D)減少 MC 線圈之始動電流。
7. 容量 30KVA 二次額定電壓為 210V,百分率阻抗(PERCENT IMPEDANCE)為 4%之單相變壓器 三台,以△-△接線時其二次側 RS 相間之短路電流約為 (A)4357A (B)3572A (C)5357A (D)6186A SYM。(假設變壓器一次側為無限 BUS)
8. 配電線路之損失,大部份皆線路之 (A)電暈 (B)電感 (C)電容 (D)阻抗 所引起。
9. 負載為電感性之感應電動機,當並聯一適當之電容器後,則 (A)線路之功率因數提高 (B)線路之功 率因數降低 (C)電動機之功率因數降低 (D)電動機之功率因數提高。
10. 如下圖所示比流器二次電路接線,正確之接法為
(A)第 3 圖 (B)第 2 圖 (C)第 1 圖 (D)第 1 圖及第 3 圖。
11. 所謂營業秘密,係指方法、技術、製程、配方、程式、設計或其他可用於生產、銷售或經營之 資訊,但其保障所需符合的要件不包括下列何者? (A)一般涉及該類資訊之人所知者 (B)所有人已 採取合理之保密措施者 (C)因其秘密性而具有實際之經濟價值者 (D)因其秘密性而具有潛在之經濟 價值者。
12. 避雷器接地線截面積不得小於 (A)5.5mm
2
(B)22mm
2
(C)8mm
2
(D)14mm
2
。
13. 3.3KV 供電每台容量超過 300HP 之電動機,其起動電流不超過該電動機額定電流之多少倍 (A)5 倍 (B)6 倍 (C)2.5 倍 (D)3.5 倍。
14. 電纜之交流耐壓試驗加壓時間應為多少分鐘? (A)5 (B)10 (C)20 (D)15。
15. 感應電動機若負載增加,則其轉差率將 (A)變小 (B)不變 (C)可能變大,可能變小 (D)變大。
16. 如果水龍頭流量過大,下列何種處理方式是錯誤的? (A)加裝節水墊片或起波器 (B)直接調整水龍 頭到適當水量 (C)直接換裝沒有省水標章的水龍頭 (D)加裝可自動關閉水龍頭的自動感應器。
17. 在電腦與 PLC 間作長距離傳送資料時,通常會利用現成的電話線來進行, 此時在電腦上須加裝 何種介面? (A)IEEE - 488 (B)AGP (C)UPS (D)MODEM。
18. 解決氣壓缸顫動的方法為 (A)調高壓力 (B)降低壓力 (C)降低流量 (D)升高流量。
19. 規格 40AH 之蓄電池,其容量為下列何者? (A)以 4A 電流放電 5 小時 (B)以 4A 電流放電 10 小時 (C)以 5A 電流放電 10 小時 (D)以 5A 電流放電 5 小時。
20. 示波器可用來量測電壓,其電壓值是 (A)峰對峰值 (B)峰值 (C)有效值 (D)平均值。
21. 檢修 22.8KV 變電站時,不必 (A)將高壓開關或斷路器負載側,三相短路接地 (B)將低壓側之開關 切離 (C)將所有保護電驛手動跳脫 (D)啟斷 22.8KV 電源。
22. 在做配電盤耐電壓試驗前應必須先作下列何種試驗? (A)BIL 測試 (B)絕緣電阻測試 (C)儀表電驛動 作測試 (D)器具功能測試。
23. 再生能源一般是指可永續利用之能源,主要包括哪些:A.化石燃料 B.風力 C.太陽能 D.水力? (A)ABCD (B)BCD (C)ACD (D)ABD。
24. 下列何者是海洋受污染的現象? (A)溫室效應 (B)形成紅潮 (C)臭氧層破洞 (D)形成黑潮。
25. 某直流電壓表之滿刻度為 150V,若要量測 440V 之直流電源電壓時,需加裝何種器材? (A)分流 器 (B)比壓器 (C)倍壓器 (D)比流器。
26. 「勞工腦心血管疾病發病的風險與年齡、吸菸、總膽固醇數值、家族病史、生活型態、心臟方 面疾病」之相關性為何? (A)正 (B)負 (C)無 (D)可正可負。
27. 電氣設備裝設於有潮濕水氣的環境時,最應該優先檢查及確認的措施是? (A)有無在線路上裝設 漏電斷路器 (B)電氣設備上有無安全保險絲 (C)有無過載及過熱保護設備 (D)有無可能傾倒及生 鏽。
28. 配電盤用計器之準確度,通常將其訂在何種等級? (A)1.5 (B)2.0 (C)1.0 (D)0.5 級。
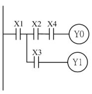
29. 如下圖所示為 PLC 回路,原先 S30 為有效步進點(S30=ON)當 X0(移行條件)由 OFF 變為 ON 時,有效步進點由 S30 轉移到 S31(S30=OFF,S31=ON),則 Y0、Y1 輸出之動作為
(A)Y0 OFF、 Y1 ON (B)Y0 ON、Y1 OFF (C)Y0 ON、Y1 ON (D)Y0 OFF、Y1 OFF。
30.
左圖流體圖符號是表示 (A)電磁線圈或氣體引導動作 (B)電磁線圈動作 (C)氣體引 導動作 (D)電磁線圈及氣體引導式動作。
31. 使用 CRT 程式書寫器製作程式,其缺點為 (A)監控不易 (B)操作複雜 (C)價格太貴 (D)書寫程式不 易。
32. 兩只變壓器作V-V連接,供電給 100KVA 之三相平衡負載,若增加一只相同的變壓器作△- △連接,則可供電 (A)260 (B)141 (C)212 (D)173 KVA。
33. 專利權又可區分為發明、新型與設計三種專利權,其中發明專利權是否有保護期限?期限為 何? (A)有,5 年 (B)無期限,只要申請後就永久歸申請人所有 (C)有,20 年 (D)有,50 年。
34. 可程式控制器為防止外界之雜訊干擾,其輸入模組隔離雜訊的方法中,下列何者為誤? (A)光電隔 離式 (B)磁簧繼電器式 (C)變壓器式 (D)閘流體式。
35. 依勞動基準法規定,主管機關或檢查機構於接獲勞工申訴事業單位違反本法及其他勞工法令規 定後,應為必要之調查,並於幾日內將處理情形,以書面通知勞工? (A)30 (B)60 (C)14 (D)20。
36. 若勞工工作性質需與陌生人接觸、工作中需處理不可預期的突發事件或工作場所治安狀況較 差,較容易遭遇下列何種危害? (A)潛涵症 (B)多發性神經病變 (C)組織外部不法侵害 (D)組織內部 不法侵害。
37. 適用於馬達保護之過電流電驛為 (A)定時過電流電驛 CO-6 (B)反時限過電流電驛 CO-8 (C)長時限過 電流電驛 CO-5 (D)超反時限過電流電驛 CO-11。
38. 使用隔離開關之目的在於 (A)手動啟斷負載電流 (B)自動啟斷負載電流 (C)無載時啟斷電路 (D)緊急 時啟斷電流。
39. 3ψ4W 接地系統供電地區用戶,高壓電動機外殼接地電阻應在多少 Ω 以下? (A)100 (B)50 (C)10 (D)5。
40. 原為 Δ-Δ 接法之變壓器,若改成V-V接法時,其容量減為原來之 (A)70.7% (B)58% (C)42% (D)86.6%。
41. 當啟動直流分激式電動機,需先把磁場電阻置於 (A)中間平均點 (B)最小 (C)任意點均可 (D)最大。
42. 電容抗與其所通過電流之頻率的關係為何? (A)平方成反比 (B)平方成正比 (C)成正比 (D)成反比。
43. 電動機之運轉因數係指在容許溫度內可連續運轉之 (A)最長時間 (B)最高效率 (C)最大損失功率 (D) 最大輸出功率。
44. 在電腦應用上,1K 記憶體之記憶容量為多少 Bytes (A)1000 (B)512 (C)100 (D)1024。
45. 不斷電系統 UPS 與緊急發電機的裝置都是應付臨時性供電狀況;停電時,下列的陳述何者是對 的? (A)緊急發電機會先啟動,不斷電系統 UPS 是後備的 (B)不斷電系統 UPS 先啟動,緊急發電 機是後備的 (C)不斷電系統 UPS 可以撐比較久 (D)兩者同時啟動。
46. 彥江是職場上的新鮮人,剛進公司不久,他應該具備怎樣的態度 (A)只要做好人脈關係,這樣以 後就好辦事 (B)仔細觀察公司生態,加入某些小團體,以做為後盾 (C)上班、下班,管好自己便可 (D)努力做好自己職掌的業務,樂於工作,與同事之間有良好的互動,相互協助。
47. 可程式控制器輸出端採電晶體型輸出,其輸出信號 ON 至輸出導通時,中間延遲時間約為 (A)10ms (B)0.2ms (C)1ms (D)5ms 以下。
48. 某變壓器其二次側輸出電流為額定輸出電流之半時,則其銅損為額定時之多少倍? (A)1/4 倍 (B)1/2 倍 (C)4 倍 (D)2 倍。
49. 電纜埋設位置上方常受重載車或其它重力壓力,應採 (A)溝槽式 (B)加強混凝土管路式 (C)直埋式 (D)管路直埋式。
50. 下列關於政府採購人員之敘述,何者為正確? (A)不可主動向廠商求取,偶發地收取廠商致贈價 值在新臺幣 500 元以下之廣告物、促銷品、紀念品 (B)要求廠商提供與採購無關之額外服務 (C)利 用職務關係向廠商借貸 (D)利用職務關係媒介親友至廠商處所任職。
51. 下列何者為節能標章? (A)
(B)
(C)
(D)
。
52. 下圖符號表示
(A)限制開關之常閉接點 (B)限時電驛之常閉接點延時開放 (C)按鈕開關之常閉接點 (D)過載電驛之常閉接點。
53. 從事電器工作人員,因觸電受傷失去知覺時,應 (A)先予灌入少量開水 (B)潑冷水 (C)由專業人員 儘快施行人工呼吸 (D)等醫生指示方可施行人工呼吸。
54. 在五金行買來的強力膠中,主要有下列哪一種會對人體產生危害的化學物質? (A)乙苯 (B)乙醛 (C)甲苯 (D)甲醛。
55. 電力系統上裝置電抗器其主要作用為 (A)限制電壓 (B)提高電壓 (C)抑制諧波 (D)提高有效功率因 數。
56. 在配電盤中端子及連續部相互間之容許溫昇以何種最高 (A)鍍錫相互間 (B)銅相互間 (C)鍍銀相互 間 (D)鍍銀對鍍錫。
57. 自耦變壓器加入 120V 之電源,供應於 100V12KW 功率因數為 0.8 電流滯後之負載,則該自耦 變壓器之固有容量為 (A)18KVA (B)9.6KVA (C)15KVA (D)2.5KVA。
58. 有關漏電斷路器,下列敘述何者錯誤? (A)需 OFF 時,可按下跳脫按鈕或試驗按鈕 (B)臨時用電 之末端開關應使用漏電斷路器 (C)需選用合適電壓值之漏電斷路器 (D)3P 之漏電斷路器不可混用 在 3ψ3W 及 1ψ3W 電源系統上。
59. 三相 6600V 之變壓器,其容量為 150KVA,此時比流器(CT)之ㄧ次測電流為 (A)40A (B)10A (C)50A (D)20A。
60. 斷電後無法自行復歸,需由其復歸線圈激磁始能復歸之電驛為下列那一種? (A)棘輪電驛 (B)時間 電驛 (C)電力電驛 (D)保持電驛。
複選題
61. 依 CNS 3990 下列哪些非配電盤之最高(最安全)等級? (A)CW 型 (B)CX 型 (C)MWG 型 (D)PW 型。
複選題
62. 交連 PE 電纜適用周溫,下列哪些不宜? (A)-10℃ (B)45℃ (C)10℃ (D)-15℃。
複選題
63. 有關比率差動電驛(Ratio Differential Relay),下列敍述哪些正確? (A)常用於變壓器的差動保護 (B)只於被保護器內部故障時產生動作,以防止故障的擴大 (C)與過電流保護電驛之原理相同 (D)能 靈敏地檢出被保護器之內部故障。
複選題
64. 下列哪些可作為可程式控制器之輸出裝置? (A)警報器 (B)極限開關 (C)電磁閥 (D)氣壓缸。
複選題
65. 電流變換器(ATD)之輸出,下列哪些為不常用規格? (A)0~5mA (B)4~20mA (C)0~10mA (D)10~20mA。
複選題
66. 下列敘述哪些正確? (A)避雷針之尖端曲率半徑最小處,電荷密度最高 (B)LED 是靠外界的光,使 其透過或反射而發亮,LCD 本身可發光 (C)非接觸型溫度計,是利用幅射波的波長量測 (D)在溫度 控制中,感測元件如採用測溫電阻,一般常有三條引線,其中一條是用做距離(內阻)補償 用。
複選題
67. 高壓電動機的起動方式,下列敘述哪些為常用起動方式? (A)電阻起動 (B)自耦變壓器起動 (C)二 次側水電阻起動 (D)電抗器起動。
複選題
68. PLC 階梯圖的畫法,下列哪些正確? (A)
(B)
(C)
(D)
。
複選題
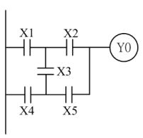
69. 如下圖所示電路可求得變壓器各項的特性值,下列敘述哪些正確?
(A)等效電抗 (B)銅損 (C)等效電阻 (D)磁化支路之電導與電納。
複選題
70. 22.8KV 受電設備若在受電點之三相短路容量為 500MVA,裝設受電用斷路器應選定之額定啟斷 容量,下列哪些不宜? (A)12.5 (B)16 (C)8 (D)10 KA。
複選題
71. 有關高壓配盤之裝置,應注意的事項為 (A)配電盤箱裝置後之通道宜保持在 80 公分以上 (B)設備 容量一次額定電流超過 50A 者,應裝置電流表及電壓表 (C)配電盤的裝置應使工作人員於正常工 作情況下不會發生危險 (D)配電盤上之各項儀表及配線等應易於點檢及維護。
複選題
72. 配電盤之操作裝置的操作電壓,下列哪些為標準值? (A)AC110V (B)AC220V (C)DC24V (D)DC110C。
複選題
73. 高壓電纜終端處理接地所使用之 PVC 電線,其線徑下列哪些不宜? (A)22mm
2
(B)8mm
2
(C)5.5mm
2
(D)14mm
2
。
複選題
74. 依 CNS 標準 3A 等級之配電盤,相間之 AC 耐電壓試驗下列哪些試驗電壓為誤? (A)7.2KV (B)10KV (C)3.6KV (D)16KV。
複選題
75. 依 IEC 標準保護用比壓器(PT),其精確度等級下列哪些錯誤? (A)6P 或 10P (B)2P 或 4P (C)5P 或 10P (D)3P 或 6P。
複選題
76. 有關電力熔絲下列規格哪些符合 IEC 標準? (A)3.6KV 100A 25KA (B)12KV 75A 250MVA (C)24KV 50A 500MVA (D)12KV 50A 40KA。
複選題
77. 如下圖所示為單觸發電路或定時動作電路,設定時間為 2 秒,當按 PB1 後,
(A)Tb 期間,Y0 ON (B)Ta 期間,Y0 OFF (C)Tb 期間,Y0 OFF (D)Ta 期間,Y0 ON。
複選題
78. 於配電線路中,將兩條導線並聯使用的原因為 (A)減輕集膚效應 (B)安裝費用較為便宜 (C)可獲得 良好的散熱效果 (D)可增加電流容量。
複選題
79. 如下圖所示為停止優先電路,依時序圖按下啟動按鈕開關(Start)時,則
(A)Tf 期間,Y0 OFF (B)Tf 期間,Y0 ON (C)Ta、Tb 期間,Y0 ON (D)Tc、Td 期間,Y0 OFF。
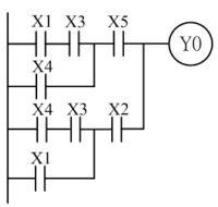
複選題
80. 如下圖所示其等效的邏輯電路為何?
(A)
(B)
(C)
(D)
申論題 (0)
相關試卷
114年 - 01300 工業配線 甲級 工作項目 06:高壓電纜之處理 1-22(2025/10/09 更新)#132018
114年 · #132018
114年 - 01300 工業配線 甲級 工作項目 05:設計繪圖 1-68(2025/10/09 更新)#132017
114年 · #132017
114年 - 01300 工業配線 甲級 工作項目 04:可程式控制器(PLC)之應 51-112(2025/10/09 更新)#132016
114年 · #132016
114年 - 01300 工業配線 甲級 工作項目 04:可程式控制器(PLC)之應 1-50(2025/10/09 更新)#132015
114年 · #132015
114年 - 01300 工業配線 甲級 工作項目 03:檢查及故障排除 51-112(2025/10/09 更新)#132014
114年 · #132014
114年 - 01300 工業配線 甲級 工作項目 03:檢查及故障排除 1-50(2025/10/09 更新)#132013
114年 · #132013
114年 - 01300 工業配線 甲級 工作項目 02:低壓配電盤(箱)及控制盤裝置 51-109(2025/10/09 更新)#132012
114年 · #132012
114年 - 01300 工業配線 甲級 工作項目 02:低壓配電盤(箱)及控制盤裝置 1-50(2025/10/09 更新)#132011
114年 · #132011
114年 - 114-2 全國技術士技能檢定學科_甲級:01300 工業配線#129409
114年 · #129409
112年 - 112-1 全國技術士技能檢定學科_甲級:01300工業配線#123434
112年 · #123434