所屬科目:技檢◆工業配線-甲級
1. 如下圖所示電路,設 TR 容量為 3ψ11.4KV/220V 1000KVA,阻抗為 5%,11.4KV 側為無限 BUS,則在 F 點之故障電流對稱值約為(線路及 NFB 之阻抗不計)
(A)53KA (B)60KA (C)45KA (D)40KA。
2. 從事電器工作人員,因觸電受傷失去知覺時,應 (A)潑冷水 (B)等醫生指示方可施行人工呼吸 (C) 先予灌入少量開水 (D)由專業人員儘快施行人工呼吸。
3. 依勞動基準法規定,雇主應置備勞工工資清冊並應保存幾年? (A)1 年 (B)5 年 (C)10 年 (D)2 年。
4. 高壓電動機油斷路器之外殼,應採用第一種接地,其接地電阻應保持 (A)5Ω (B)100Ω (C)10Ω (D)25Ω 以下。
5. 用電設備銘牌上所標示的電壓,稱之為 (A)用電電壓 (B)公稱電壓 (C)額定電壓 (D)供電電壓。
6. CNS 標準 24KV 級配電箱,作 AC 耐電壓測試(對地),其測試電壓為 (A)45KV (B)50KV (C)40KV (D)55KV。
7. 可程式控制器的 A/D 模組,其功能是將 (A)交流信號轉換為直流信號 (B)類比信號轉換為數位信號 (C)電流信號轉換為電壓信號 (D)數位信號轉換為類比信號。
8. 當啟動直流分激式電動機,需先把磁場電阻置於 (A)最小 (B)最大 (C)任意點均可 (D)中間平均點。
9. 洗碗、洗菜用何種方式可以達到清洗又省水的效果? (A)將適量的水放在盆槽內洗濯,以減少用 水 (B)把碗盤、菜等浸在水盆裡,再開水龍頭拼命沖水 (C)用熱水及冷水大量交叉沖洗達到最佳清 洗效果 (D)對著水龍頭直接沖洗,且要盡量將水龍頭開大才能確保洗得乾淨。
10. 單相感應電動機,效率最低者為 (A)電容啟動式 (B)蔽極式 (C)分相式 (D)推斥式。
11. 配電盤用計器之準確度,通常將其訂在何種等級? (A)1.5 (B)0.5 (C)1.0 (D)2.0 級。
12. 對於噪音之量測,下列何者錯誤? (A)測量低頻噪音時,僅限於室內地點測量,非於戶外量測 (B) 聲音感應器應置於離地面或樓板延伸線 1.2 至 1.5 公尺之間 (C)風速大於每秒 5 公尺時不可量測 (D)可於下雨時測量。
13. 有關程序控制,下列敘述何者錯誤? (A)使用環境條件控制 (B)終端控制 (C)需利用出入量控制 (D) 屬於開迴路控制。
14. A 種絕緣物之最高容許溫度[℃]為 (A)105 (B)95 (C)180 (D)120。
15. 下列何者不屬於營業秘密? (A)公司內部管制的各種計畫方案 (B)具廣告性質的不動產交易底價 (C)須授權取得之產品設計或開發流程圖示 (D)不是公開可查知的客戶名單分析資料。
16. 微處理機控制數據之單位 WORD 包含_____個位元。 (A)16 (B)8 (C)32 (D)4
17. 三相電路,若電壓為 6.6KV 負載之輸入功率為 1000KW,而功率因數以 80%計,則其線電流約 為 (A)100A (B)50A (C)110A (D)80A。
18. 用 PF 作保護時,其額定電流為負載電流之何種倍數較適宜? (A)1.0〜1.5 (B)1.2〜2.0 (C)1.5〜2.0 (D)1.5〜2.5。
19. 下列何種物質或物品,受毒性及關注化學物質管理法之管制? (A)製造醫藥之靈丹 (B)製造農藥之 蓋普丹 (C)含汞之日光燈 (D)使用青石綿製造石綿瓦。
20. 3ψ4W 接地系統供電地區用戶,高壓電動機外殼接地電阻應在多少 Ω 以下? (A)100 (B)10 (C)5 (D)50。
21. 下列對於空氣污染物排放標準之敘述,何者正確:A.排放標準由中央主管機關訂定;B.所有行 業之排放標準皆相同? (A)AB 皆錯誤 (B)AB 皆正確 (C)僅 B (D)僅 A。
22. 電路裝有並聯電力電容器,此時功率因數 cosθ=1.0,只將電容增加,則 (A)功率因數不變 (B)功 率因數大於 1.0 (C)功率因數增大 (D)功率因數減小。
23. 如下圖所示,輸入信號 X0 ON 5 次,則
(A)Y0 輸出 (B)計數器 C1 計數一次 (C)計數器 C0 計數一 次 (D)Y0 輸出一個脈波。
24. 運轉中,擬在既設 CT 二次電路上更換電流表時,下列何項為最優先之操作? (A)將 CT 二次側接 線斷開 (B)將 CT 二次側短路 (C)將欲更換之電流表拆除 (D)將 CT 一次側接線斷開。
25. 電動機之運轉因數係指在容許溫度內可連續運轉之 (A)最高效率 (B)最長時間 (C)最大輸出功率 (D) 最大損失功率。
26. 有關建築之外殼節能設計,下列敘述何者錯誤? (A)做好屋頂隔熱設施 (B)宜採用全面玻璃造型設 計,以利自然採光 (C)大開窗面避免設置於東西日曬方位 (D)開窗區域設置遮陽設備。
27. 為測定開關控制器具中主接點之接觸電阻,不可用 (A)惠斯頓電橋 (B)雙比電橋(DOUBLE BRIDGE) (C)三用電表 (D)壓降法。
28. 負載之變動後引起急速的電壓變動,稱之為 (A)電壓閃爍 (B)電壓突降 (C)電壓展輻 (D)公稱電壓。
29. 下圖表示
(A)熱動式 MCB (B)完全電磁式 MCB (C)熱動電磁式 MCB (D)電子式 MCB。
30. 職業安全衛生法所稱有母性健康危害之虞之工作,不包括下列何種工作型態? (A)長時間站立姿 勢作業 (B)駕駛運輸車輛 (C)人力提舉、搬運及推拉重物 (D)輪班及工作負荷。
31. 使用透明玻璃纖維材質來傳輸資料, 具有體積小、傳輸速度快、訊號不易衰減等特性的傳輸媒 介是 (A)微波 (B)光纖 (C)同軸電纜 (D)雙絞線。
32. 左圖符號表示 (A)保險絲 (B)試驗用電流端子 (C)栓型保險絲 (D)試驗用電壓端子。
33. 勞工在何種情況下,雇主得不經預告終止勞動契約? (A)經常遲到早退者 (B)確定被法院判刑 6 個 月以內並諭知緩刑超過 1 年以上者 (C)不服指揮對雇主暴力相向者 (D)非連續曠工但 1 個月內累計3 日者。
34. 電力系統上影響短路電流對稱值與非對稱值之因素為 (A)負載種類 (B)負載大小 (C)使用頻率 (D)直 流成分大小。
35. 與公務機關有業務往來構成職務利害關係者,下列敘述何者正確? (A)與公務機關承辦人飲宴應 酬為增進基本關係的必要方法 (B)高級茶葉低價售予有利害關係之承辦公務員,有價購行為就不 算違反法規 (C)機關公務員藉子女婚宴廣邀業務往來廠商之行為,並無不妥 (D)將餽贈之財物請公 務員父母代轉,該公務員亦已違反規定。
36. 下列何種儲存記憶體在電源關閉後記憶體內容不會消失? (A)Flash Memory (B)RAM (C)SRAM (D)DRAM。
37. 左圖符號為 (A)電磁式二位置四方口方向閥 (B)電磁式、自動復歸型二位置四方口 方向閥 (C)導引方向閥 (D)電磁式四位置、四方口自動復歸型方向閥。
38. 為了消除逆向脈衝,常常在直流繼電器兩端並聯 (A)二極體 (B)電感器 (C)電容器 (D)電阻器。
39. CYCLE-CONVERTER 的功能為 (A)直流變直流 (B)交流變交流 (C)直流變交流 (D)交流變直流。
40. 電纜之交流耐壓試驗加壓時間應為多少分鐘? (A)5 (B)20 (C)10 (D)15。
41. 為控制用電量以免受罰,下列何種方式可以解決? (A)加裝最大需量電力計 (B)加裝過電流電驛 (C)加裝 3E 電驛 (D)加裝瓦時計 檢測之。
42. 在電力系統上適合於△接線之接地保護為 (A)27 電驛 (B)87 電驛 (C)67 電驛 (D)LCO 電驛。
43. 下列何者燈泡的發光效率最高? (A)白熾燈泡 (B)省電燈泡 (C)鹵素燈泡 (D)LED 燈泡。
44. 6KV 桿上變壓器之一次側分接頭(tap)使用 6300V 時,二次側電壓為 110V,欲使二次側電壓接近100V,一次側分接頭(tap)應置於 (A)5700 (B)6900 (C)6600 (D)6000 V 分接頭。
45. 根據性別平等工作法規範職場性騷擾範疇,下列何者錯誤? (A)雇主對受僱者或求職者為明示或 暗示之性要求、具有性意味或性別歧視之言詞或行為 (B)上班執行職務時,任何人以性要求、具 有性意味或性別歧視之言詞或行為,造成敵意性、脅迫性或冒犯性之工作環境 (C)對僱用、求職 或執行職務關係受自己指揮、監督之人,利用權勢或機會為性騷擾 (D)與朋友聚餐後回家時,被 陌生人以盯梢、守候、尾隨跟蹤。
46. 構成電路的基本要件為何? (A)開關、連接線、負載、電源 (B)感應器、開關、電源、連接線 (C) 感應器、電源、連接線、開關 (D)感應器、電源、負載、連接線。
47. 按菸害防制法規定,在禁菸場所吸菸會被罰多少錢? (A)新臺幣 1 千元至 5 千元罰鍰 (B)新臺幣 2 萬元至 10 萬元罰鍰 (C)新臺幣 2 千元至 1 萬元罰鍰 (D)新臺幣 1 萬元至 5 萬元罰鍰。
48. 12KV 50/5A 40VA 之 CT,其二次側可連接之負載其最大阻抗為 (A)1.6 (B)50 (C)20 (D)40 歐姆。
49. 如下圖所示,若使用電壓表及電流表來測量負載之電功率時,引起誤差之主要原因為
(A)A、B 圖 均為電流表所消耗的功率 (B)B 圖為電壓表所消耗的功率 (C)A 圖為電壓表所消耗的功率 (D)A、B 圖均為電壓表所消耗之功率。
50. 感應電動機若負載增加,則其轉差率將 (A)可能變大,可能變小 (B)變小 (C)變大 (D)不變。
51. 良好的保護協調原則,前衛保護熔線之最大清除時間,不能超過後衛保護熔線之最小熔斷時間之 (A)85% (B)75% (C)70% (D)90%。
52. 高壓保護電驛代號 64 代表 (A)過電流電驛 (B)過電壓電驛 (C)電壓不足電驛 (D)接地過電壓電驛。
53. 依環境影響評估法規定,環境影響評估審查委員會審查環境影響說明書,認定下列對環境有重 大影響之虞者,應繼續進行第二階段環境影響評估,下列何者非屬對環境有重大影響之虞者? (A)對國民健康有顯著不利之影響 (B)對國家經濟有顯著不利之影響 (C)對保育類動植物之棲息生存 有顯著不利之影響 (D)對其他國家之環境有顯著不利之影響。
54. 下列何者不是發生電氣火災的主要原因? (A)電器接點短路 (B)漏電 (C)電氣火花 (D)電纜線置於地 上。
55. 網路架構中,如果用樹狀架構,則可使用下列何種設備來配置? (A)路由器 (B)閘道器 (C)集線器 (D)訊號增強器。
56. 下列何者其啟斷電流較大? (A)LBS (B)VCB (C)VCS (D)GCS。
57. 在配電線路中,將兩條導線並聯使用的原因中,下列敘述何者錯誤? (A)可增加電流容量 (B)可獲 得良好的散熱效果 (C)安裝費用較為便宜 (D)減輕集膚效應。
58. 為維持電磁平衡,交流電路中同一電路之動力線,如何裝置於金屬配線管中? (A)同相之動力線 裝置於一根金屬管內 (B)所有動力線裝置於同一根金屬管內 (C)一根金屬管裝一條動力線 (D)動力 線不可裝置於金屬管內。
59. 交流電磁開關之線圈,若加額定電壓以上之電壓值,當然會燒損。但加額定電壓以下之電壓值 時 (A)亦會有燒損之情形 (B)主接點燒毀,線圈不會燒損 (C)電流相同 (D)絕對不會燒損。
60. 下列何者為節能標章? (A)(B)(C)(D) 。
61. 依 CNS 標準 3A 等級之配電盤,相間之 AC 耐電壓試驗下列哪些試驗電壓為誤? (A)10KV (B)16KV (C)7.2KV (D)3.6KV。
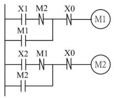
62. 如下圖所示程式,下列敘述中哪些正確?
(A)當按下 X1,則 M1 ON、M2 OFF;若放開 X1,再 按下 X2,則 M1 ON、M2 OFF (B)後動作優先電路 (C)先動作優先電路 (D)當按下 X1,則 M1 ON、M2 OFF;若放開 X1,再按下 X2,則 M1 OFF、M2 ON。
63. 交連 PE 電纜適用周溫,下列哪些不宜? (A)45℃ (B)-15℃ (C)10℃ (D)-10℃。
64. 有關高壓感應電動機的起動方式,下列選項中哪些是正確? (A)Y-△起動 (B)直接起動 (C)自耦變 壓器起動 (D)電抗器起動。
65. 人機介面(HMI)實現數值顯示時,可對應 PLC 內部的 (A)計時器 (B)資料暫存器 (C)輸入點 (D)輸出 點。
66. 下列敘述哪些正確? (A)無熔線開關跳脫方式通常可分為熱動式、電磁式及熱動電磁式三種 (B)低 壓電源系統供應電力用電之電壓在 150V 以上 600V 以下,如裝有接地顯示器者,可以不接地 (C) 電動機短路保護用無熔線開關跳脫方式以電磁式為最多 (D)故障警示器的聲響太吵,在確認故障 後得予切離。
67. 下列器具的英文代號哪些正確? (A)ACB 氣衝斷路器 (B)MBB 磁吹式斷路器 (C)GCB 油斷路器 (D)VCB 真空斷路器。
68. 現行市售 VCS(真空接觸器)其額定啟斷電流,下列敘述哪些錯誤? (A)4KA (B)10KA (C)不須具備 啟斷能力 (D)16KA。
69. 有關氣壓符號(如選項圖示),下列哪些正確? (A) 此為調壓閥 (B) 此為程式閥 (C) 此為流量控制閥 (D) 此為釋壓閥。
70. 電力線路之導線大小之決定,除線路壓降外尚須考慮下列哪些因素? (A)周溫 (B)絕緣強度 (C)佈 置方式 (D)負載容量大小。
71. 如下圖所示,A、B 為哪些類型之電機?
(A)B 為發電機 (B)A 為發電機 (C)B 為電動機 (D)A 為電動 機。
72. 高壓電纜終端處理接地所使用之 PVC 電線,其線徑下列哪些不宜? (A)5.5mm2 (B)22mm2 (C)14mm2 (D)8mm2。
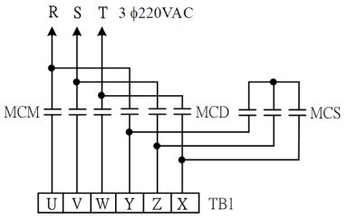
73. 如下圖所示,TB1 外接三相 220VAC 感應型電動機線圈,一次側編號為 U,V,W 二次側對應編號 為 X,Y,Z 則
(A)當 MCM 單獨動作時以手將電動機順時針撥動則電動機正轉 (B)當 MCM 與 MCS 動作時電動機正轉 (C)當 MCM 與 MCD 動作時電動機逆轉 (D)該電路為 Y-△起動主電路。
74. 控制系統中裝置變頻器時 (A)變頻器輸出電壓之頻率較額定頻率為低 (B)變頻器控制回路應採用遮 蔽隔離絞線並施予多重接地 (C)變頻器之上升與下降 (D)變頻器輸出點須連接改善功因用電容器。
75. 如下圖所示為單觸發電路或定時動作電路,設定時間為 2 秒,當按 PB1 後,
(A)Ta 期間,Y0 OFF (B)Tb 期間,Y0 OFF (C)Ta 期間,Y0 ON (D)Tb 期間,Y0 ON。
76. ,如左圖所示程式,下列敘述哪些正確? (A) (B)ON Delay (C)OFF Delay (D) 。
77. 依據 CNS 標準,配電盤之額定電壓,下列哪些為非標準值? (A)25KV (B)24KV (C)12KV (D)13.8KV。
78. 滙流排所能承受之短路機械力大小與下列哪些有關? (A)滙流排之排列間距 (B)滙流排配置方式 (C)滙流排之尺寸大小 (D)滙流排之形狀。
79. 配電盤主匯流排 RSTN 相之排列,下列敘述哪些正確? (A)可任意排列 (B)由上而下 (C)由左而右 (D)由前而後。
80. 依據 ANSI 標準過電流電驛的特性,可分為 (A)超反限時 (B)瞬時 (C)極反限時 (D)反限時。