阿摩線上測驗
登入
首頁
>
技檢◆工業配線-甲級
> 114年 - 01300 工業配線 甲級 工作項目 02:低壓配電盤(箱)及控制盤裝置 1-50(2025/10/09 更新)#132011
114年 - 01300 工業配線 甲級 工作項目 02:低壓配電盤(箱)及控制盤裝置 1-50(2025/10/09 更新)#132011
科目:
技檢◆工業配線-甲級 |
年份:
114年 |
選擇題數:
50 |
申論題數:
0
試卷資訊
所屬科目:
技檢◆工業配線-甲級
選擇題 (50)
1. 如下圖所示,為三相交流各相電壓之向量圖,若接成圖右則 ac'間之電壓為
(A)100∠60° (B)173∠30° (C)173∠60° (D)200∠60° 。
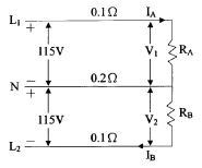
2. 如下圖所示,單相三線制中 L
1
為正端,若 I
A
=100A,I
B
=20A,其送電電壓各為 115V,則 R
A
,R
B
兩負載端之壓降為
(A)V
1
=80V,V
2
=136V (B)V
1
=120V,V
2
=100V (C)V
1
=89V,V
2
=129V (D)V
1
=142V,V
2
=72V 。
3. 如下圖所示,三相交流各相電壓之相量圖,若接成右圖則 ac'間之電壓力為
(A)100∠60° (B)173∠60° (C)200∠60° (D)0 。
4. 兩理想電壓源,分別以相量 V
1
=20∠30°伏及 V
2
=10∠60°伏表示,不能合併化簡為單一電源是因為 (A)相角不同 (B)絕對值不同 (C)頻率不同(D)兩相角之和為 90° 。
5. 如下圖所示,其電壓有效值為
(A)0V (B)7.07V (C)14.14V (D)10V 。
6. CYCLE-CONVERTER 的功能為 (A)交流變交流 (B)直流變交流 (C)交流變直流 (D)直流變直流 。
7. 當啟動直流分激式電動機,需先把磁場電阻置於 (A)最大 (B)最小 (C)中間平均點 (D)任意點均可 。
8. 運轉中之繞線型感應電動機在轉部滑環與碳刷斷開時轉速 (A)增加 (B)不變 (C)停止 (D)減少 。
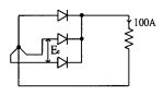
9. 如下圖所示,電路 SCR 之安全 PRV 值約為
(A)300V (B)250V (C)200V (D)150V 。
10. 如下圖所示,有負載下之V
g
電壓等於
(A)V2×0.45×K (B)V2×0.67×K (C)V2×0.9×K (D)V2×1.35×K (K 為常數)。
11. 設有一 5Ω之負載,經 SCR 電路由 100V60Hz 之電源取用電流,若SCR 之激發角為 90 度,則負載所獲得之平均功率為 (A)100W (B)500W(C)250W (D)725W 。
12. 如下圖以三相半波整流器供應直流負載 100A(平均值)時,整流器各整流子通過的電流為
(A)33.3A (B)100/
A (C)100/
A (D)100A 。
13. 以三用電表測試 TRIAC,依觸發前、觸發時、觸發後之順序,其電表指示電阻情形,下列何者表示 TRIAC 是正常的? (A)高、低、低 (B)低、低、高 (C)低、高、低 (D)高、高、高 。
14. 壓縮空氣調質須經行程為 (A)排水→冷卻→脫濕→油份的分離除去→乾燥 (B)排水→脫濕→乾燥→冷卻→油份的分離除去 (C)脫濕→排水→冷卻→乾燥→油份的分離除去 (D)冷卻→排水→脫濕→油份的分離除去→乾燥 。
15. 解決氣壓缸顫動的方法為 (A)調高壓力 (B)降低壓力 (C)降低流量 (D)升高流量 。
16. 油壓系統中用為防止自重下降的閥門為 (A)溢流閥 (B)抗衡閥 (C)卸載閥(D)減壓閥 。
17. 低壓控制盤若為觀察負載之啟動電流,最好在盤面上裝設 (A)延長刻度型電流計 (B)數據型電流計 (C)瞬時指示高限記憶型電流計 (D)一般型電流計 。
18. 電力系統上使用電容器來改善功率因數,並可在電容器前端裝置 (A)串聯電抗器 (B)串聯電阻器 (C)並聯電抗器 (D)並聯電阻器 以抑制諧波。
19. 計數器會造成±1 的計數誤差,其原因為 (A)輸入信號和時基信號非同步(B)輸入信號和時基信號同步 (C)輸入信號頻率太高 (D)輸入信號頻率太低 。
20. 判斷 SCR ON/OFF 狀態,使用下列何種儀器較為方便? (A)電子開關 (B)電壓掃瞄器 (C)示波器 (D)三用電表 。
21. 示波器可用來量測電壓,其電壓值是 (A)峰對峰值 (B)峰值 (C)有效值 (D)平均值 。
22. 為防止電容器切離電源後所造成的感電事故,通常於用電設施上設有(A)接地線 (B)放電電阻 (C)漏電保護器 (D)過電壓電驛 。
23. 大體說來,電氣安全界限電壓,乾手是 (A)10V (B)30V (C)70V (D)110V 。
24. 減少職業傷害應注意之事項,下列何者錯誤? (A)做好機器之日常保養(B)注意安全措施 (C)充滿自信藝高膽大 (D)增加保護安全裝置 。
25. 測試電路時聞到焦味應 (A)立即檢查何部位有問題 (B)關閉電源,再行檢視 (C)密切注意,以防火災 (D)儘快走避,以防爆炸 。
26. 從事電器工作人員,因觸電受傷失去知覺時,應 (A)等醫生指示方可施行人工呼吸 (B)由專業人員儘快施行人工呼吸 (C)先予灌入少量開水 (D)潑冷水 。
27. 有關火警自動警報器之配線規定下列何項錯誤? (A)使用通信電纜 (B)採用串接式,並加終端電阻 (C)使用隔離電纜 (D)不可採用數分區共用一公用線方式配線 。
28. 一般地區之單相 110V 新設低壓電路,其絕緣電阻最低為 (A)0.1MΩ (B)0.2MΩ (C)0.4MΩ (D)10MΩ 。
29. 如下圖所示為Y-△啟動電路,若電源為 3ψ380VAC 之電動機容量為15HP,則積熱電驛應選擇何者為宜
(A)OL.為 22A±20% (B)OL.為 22A±10% (C)OL.為 41A±20% (D)OL.為 41A±10% 。
30. 差動式漏電斷路器作為短路保護之啟斷,其啟斷容量在 110V 或220V50AT 以下者,依 CNS 規定,應不得低於 (A)5000A (B)7500A (C)15000A (D)10000A 。
31. 電路供應電燈、電力電熱或混合負載者,其自接戶開關至最遠端出線口之電壓降,不得超過該分路標稱電壓之 (A)1% (B)2% (C)3% (D)5% 。
32. 周圍溫度 50℃使用無熔線開關時,其電流容量約為額定值的 (A)100%(B)90% (C)50% (D)20% 。
33. Pt100 的意義是指 (A)0℃ (B)25℃ (C)60℃ (D)100℃ 時白金線之電阻為100。
34. 有關變頻器,下列敘述何者錯誤? (A)接地端子施以第三種接地 (B)變頻器輸出端不可連接改善功因用電容器 (C)控制回路採用遮蔽隔離絞線,並施以多重接地避免誤動作發生 (D)接地端線不可與其它大電流負載共同接地 。
35. 控制用限時電驛的選用,下列何種考量為優先? (A)設定值精密度 (B)價格高低 (C)設定值之精確度 (D)結構材料 。
36. 2E 電驛用於保護馬達之 (A)過載 (B)逆相、欠相 (C)欠相、過載 (D)過載、欠相、逆相 。
37. 程序控制不包含下列敘述的哪一項? (A)屬於開迴路控制 (B)需利用出入量控制 (C)使用環境條件控制 (D)終端控制 。
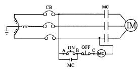
38. 如下圖所示,下列敘述在接地良好情況何者正確?
(A)B 點或 C 點於電動機未運轉前接地,電動機無法啟動 (B)電動機運轉中,C 點接地,按OFF 按鈕電動機無法停止 (C)電動機運轉中,如 A 點接地,電動機立刻停止 (D)電動機運轉中,若 B 點接地,在控制回路無保護熔絲時,將使CB 立即跳脫 。
39. 控制器連接直流輸出入時之雜訊比連接交流輸出入時之雜訊為 (A)強 (B)弱 (C)相近 (D)不一定 。
40. 一般試驗用電源電路 (A)不得與其它動力電路連接 (B)沒有任何限制 (C)應與動力電路採共同接地點 (D)應採用 DC 電源控制 。
41. 欲使用 3/8"之螺栓應鑽多大口徑 (A)1/4" (B)7/16" (C)9/32" (D)17/64" 。
42. 手電鑽的規格依據 (A)轉動馬力大小 (B)電流安培數 (C)夾頭最大直徑 (D)電鑽速度 表示之。
43. 負載為電感性之感應電動機,當並聯一適當之電容器後,則 (A)電動機之功率因數降低 (B)電動機之功率因數提高 (C)線路之功率因數提高 (D)線路之功率因數降低 。
44. 低壓過電流之全容量保護與縱續保護(CASCADE)之不同點,主要因素為 (A)啟斷容量 (B)排列方式 (C)框架容量 (D)電流容量 。
45. 電磁開關雖能啟斷過載電流,但 (A)不能啟斷短路電流 (B)可啟斷短路電流 (C)不可啟斷額定電流 (D)可以啟斷接地故障電流 。
46. 保持電驛(Keep Relay)之 CC 線圈代表 (A)控制線圈 (B)選擇開關 (C)投入線圈 (D)跳脫線圈 。
47. 電壓切換開關內部接點在切換時是 (A)先開後閉 (B)先閉後開 (C)先開後閉或是先閉後開均可 (D)視電表之結構而定 。
48. 保護變壓器內部故障之電驛為 (A)差動電驛 (B)接地電驛 (C)逆相電驛 (D)距離電驛 。
49. 3ψ400V,額定啟斷電流 10KA 之斷路器,其額定啟斷容量為 (A)4MVA(B)5.2MVA (C)6.8MVA (D)10MVA 。
50. 單相 50KVA、3000V 之變壓器,一次側之適當熔絲應為多少安培 (A)5(B)15 (C)20 (D)30 。
申論題 (0)
相關試卷
114年 - 01300 工業配線 甲級 工作項目 06:高壓電纜之處理 1-22(2025/10/09 更新)#132018
114年 · #132018
114年 - 01300 工業配線 甲級 工作項目 05:設計繪圖 1-68(2025/10/09 更新)#132017
114年 · #132017
114年 - 01300 工業配線 甲級 工作項目 04:可程式控制器(PLC)之應 51-112(2025/10/09 更新)#132016
114年 · #132016
114年 - 01300 工業配線 甲級 工作項目 04:可程式控制器(PLC)之應 1-50(2025/10/09 更新)#132015
114年 · #132015
114年 - 01300 工業配線 甲級 工作項目 03:檢查及故障排除 51-112(2025/10/09 更新)#132014
114年 · #132014
114年 - 01300 工業配線 甲級 工作項目 03:檢查及故障排除 1-50(2025/10/09 更新)#132013
114年 · #132013
114年 - 01300 工業配線 甲級 工作項目 02:低壓配電盤(箱)及控制盤裝置 51-109(2025/10/09 更新)#132012
114年 · #132012
114年 - 114-2 全國技術士技能檢定學科_甲級:01300 工業配線#129409
114年 · #129409
112年 - 112-3 全國技術士技能檢定學科_甲級:01300工業配線#123436
112年 · #123436
112年 - 112-1 全國技術士技能檢定學科_甲級:01300工業配線#123434
112年 · #123434