阿摩線上測驗
登入
首頁
>
技檢◆工業配線-甲級
> 112年 - 112-1 全國技術士技能檢定學科_甲級:01300工業配線#123434
112年 - 112-1 全國技術士技能檢定學科_甲級:01300工業配線#123434
科目:
技檢◆工業配線-甲級 |
年份:
112年 |
選擇題數:
80 |
申論題數:
0
試卷資訊
所屬科目:
技檢◆工業配線-甲級
選擇題 (80)
1.
左圖符號表示(A)栓型保險絲(B)試驗用電流端子(C)試驗用電壓端子(D)保險絲。
2. 勞工為節省時間,在未斷電情況下清理機臺,易發生危害為何?(A)崩塌(B)墜落(C)捲夾感電(D)缺 氧。
3. 電路裝有並聯電力電容器,此時電路功率因數 COSθ=1.0,只將電容量增加,則(A)功率因數增 大(B)功率因數減小(C)功率因數大於 1.0(D)功率因數不變。
4.
左圖符號表示(A)發光二極體(B)變溫二極體(C)光電式二極體(D)穩壓二極體。
5. 如下圖,你知道這是什麼標章嗎?
(A)省水標章(B)奈米標章(C)能源效率標示(D)環保標章。
6. 阿哲是財經線的新聞記者,某次採訪中得知 A 公司在一個月內將有一個大的併購案,這個併購 案顯示公司的財力,且能讓 A 公司股價往上飆升。請問阿哲得知此消息後,可以立刻購買該公 司的股票嗎?(A)可以,不賺白不賺(B)可以,有錢大家賺(C)可以,這是我努力獲得的消息(D)不可 以,屬於內線消息,必須保持記者之操守,不得洩漏。
7. 受僱人於職務上所完成之發明、新型或設計,其專利申請權及專利權如未特別約定屬於下列何 者?(A)雇用人(B)雇用人所指定之自然人或法人(C)受僱人(D)雇用人與受僱人共有。
8. 避雷器接地線截面積不得小於(A)8mm
2
(B)14mm
2
(C)5.5mm
2
(D)22mm
2
。
9. 主管機關審查環境影響說明書或評估書,如認為已足以判斷未對環境有重大影響之虞,作成之 審查結論可能為下列何者?(A)應繼續進行第二階段環境影響評估(B)認定不應開發(C)補充修正資 料再審(D)通過環境影響評估審查。
10. 零相比流器(ZCT)於線路必須與何種儀器組合使用(A)靜電檢漏計(B)過電流電驛(C)過電壓電驛(D)接 地電驛。
11. 斷電後無法自行復歸,需由其復歸線圈激磁始能復歸之電驛為下列那一種?(A)電力電驛(B)棘輪 電驛(C)時間電驛(D)保持電驛。
12. 規格 40AH 之蓄電池,其容量為下列何者?(A)以 4A 電流放電 5 小時(B)以 4A 電流放電 10 小時(C) 以 5A 電流放電 5 小時(D)以 5A 電流放電 10 小時。
13. 陳先生到機車行換機油時,發現機車行老闆將廢機油直接倒入路旁的排水溝,請問這樣的行為是違反了(A)廢棄物清理法(B)職業安全衛生法(C)道路交通管理處罰條例(D)飲用水管理條例。
14. 如下圖所示,高壓接地系統之接地保護用 LCO 以
(A)4~12A(B)2.5~5A(C)3~8A(D)0.5~2.5A 較 為適當。
15. 控制用限時電驛的選用,下列何種考量為優先?(A)價格高低(B)設定值之精確度(C)結構材料(D)設 定值精密度。
16. 電動機正逆轉控制電路,兩主接觸器串接連鎖接點目的為何?(A)防止逆轉(B)防止短路(C)防止瞬 間斷電跳脫(D)防止過載。
17. 依勞動基準法規定,雇主延長勞工之工作時間連同正常工作時間,每日不得超過多少小時?(A)1 5(B)10(C)11(D)12。
18. 如下圖所示之變壓器,二次側電壓 V
2
與電流I
2
各為
(A)100V100A(B)200V180A(C)200V90A(D)110V 90A。
19. 在高壓電纜的連接操作中,常在剝除電纜外絕緣體時給予加熱,其主要目的為(A)驅散導體氣泡 (B)方便焊接(C)避免氧化(D)剝皮方便。
20. 程序控制不包含下列敘述的哪一項?(A)使用環境條件控制(B)屬於開迴路控制(C)需利用出入量控 制(D)終端控制。
21. 貫穿 3 匝時為 150/5 之比流器其原匝數比為(A)450/5(B)150/5(C)50/5(D)600/5。
22. 在同一操作條件下,煤、天然氣、油、核能的二氧化碳排放比例之大小,由大而小為:(A)油> 煤>核能>天然氣(B)煤>油>天然氣>核能(C)煤>天然氣>油>核能(D)油>煤>天然氣>核 能。
23. 可程式控制器的 A/D 模組,其功能是將(A)交流信號轉換為直流信號(B)電流信號轉換為電壓信號 (C)數位信號轉換為類比信號(D)類比信號轉換為數位信號。
24. 為了消除逆向脈衝,常常在直流繼電器兩端並聯(A)二極體(B)電容器(C)電阻器(D)電感器。
25. 有關可程式控制器之敘述,下列何者為錯誤(A)易於輸出資料與計算機連接(B)體積與所佔之空間 較小,維護不易(C)容易編寫及修改程式(D)能適應惡劣之工作環境。
26. IEC 標準中量測用比流器,應測試之變比誤差點為(A)15%、30%、50%、100%(B)20%、40%、 100%、150%(C)10%、20%、100%、110%(D)5%、20%、100%、120%。
27. 選擇性接地電驛適用於(A)三相四線△接線(B)三相四線Y接線(C)三相三線Y接線(D)三相三線△接 線 之接地故障保護。
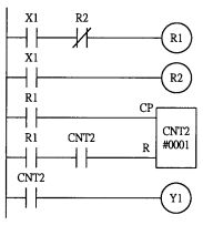
28. 如下圖所示 PLC 電路,輸入信號 X1 操作第一次 ON 及第二次 ON,其輸出 Y1 第一次及第二次之狀態,下述何者為正確
(A)Y1 ON 一次掃瞄時間後 OFF、Y1 一直 OFF(B)Y1 ON、Y1 OFF(C)Y1 OFF、Y1 OFF(D)Y1 ON、Y1 ON。
29. 高壓電動機,最常用之起動方式為(A)藕合起動(B)電抗器起動(C)Y-△起動(D)補償器起動。
30. 斷路器之啟斷電流應(A)等於額定電流(B)額定電流之 3 倍(C)小於短路故障電流(D)大於短路故障電 流。
31. 1.5 級計器其量測誤差為何?(A)最小刻度之±1.5%(B)全刻度之±15%(C)最小刻度之±15%(D)全刻度 之±1.5%。
32. 3.3KV 供電每台容量超過 300HP 之電動機,其起動電流不超過該電動機額定電流之多少倍(A)6 倍(B)2.5 倍(C)5 倍(D)3.5 倍。
33. 在配電線路中,將兩條導線並聯使用的原因中,下列敘述何者錯誤?(A)可獲得良好的散熱效果 (B)減輕集膚效應(C)可增加電流容量(D)安裝費用較為便宜。
34. 下列何者不是溫室效應所產生的現象?(A)氣溫升高而使海平面上升(B)造成全球氣候變遷,導致 不正常暴雨、乾旱現象(C)北極熊棲地減少(D)造成臭氧層產生破洞。
35. 如下圖所示為過載保護電路圖,係使用過電流電驛,而於過載時,由比流器(CT)之二次電流, 使斷路器跳脫,此電路
(A)正確與否不能判斷(B)為常用者(C)錯誤不可使用(D)正確可用。
36. 配電盤中之接觸部,下列何種情形之容許溫昇較高(A)裸銅(B)鍍銀(C)銀錫(D)裸銅合金。
37. 定馬力之電動機,其輸出轉矩與轉速的關係為(A)成正比(B)成反比(C)成平方比(D)成立方比。
38. 某直流電壓表之滿刻度為 150V,若要量測 440V 之直流電源電壓時,需加裝何種器材?(A)分流器(B)比流器(C)倍壓器(D)比壓器。
39. 在高壓控制器跳脫電路上,使用之控制電壓最常見的為(A)DC110V(B)AC110V(C)DC220V(D)AC220 V。
40. 對於脊柱或頸部受傷患者,下列何者不是適當的處理原則?(A)不輕易移動傷患(B)如無合用的器 材,需 2 人作徒手搬運(C)向急救中心聯絡(D)速請醫師。
41. 下列有關著作權之概念,何者正確?(A)國外學者之著作,可受我國著作權法的保護(B)公務機關 所函頒之公文,受我國著作權法的保護(C)以傳達事實之新聞報導,依然受著作權之保障(D)著作 權要待向智慧財產權申請通過後才可主張。
42. 電力系統上影響短路電流對稱值與非對稱值之因素為(A)使用頻率(B)直流成分大小(C)負載大小(D) 負載種類。
43. 配電盤之保護等級,下列何者最好(對人體保護而言)(A)IP3X(B)IP4X(C)IP1X(D)IP2X。
44. 台灣電力公司所謂的離峰用電時段為何?(A)22:00~07:00(B)23:30~08:30(C)22:30~07:30(D) 23:00~08:00。
45. 可程式控制器三種輸出類型中,反應時間(由 OFF 到 ON)最慢的是(A)NPN 電晶體輸出(B)閘流體(T RIAC)輸出(C)繼電器輸出(D)PNP 電晶體輸出。
46. 使用電抗器起動時,電抗器之分接頭(TAP)通常為(A)60%-75%-90%(B)50%-65%-80%(C)60%-70 %-80%(D)55%-70%-85%。
47. 電容起動之單相感應電動機,其補助線圈電流與主線圈電流間之位相差約為(A)30°(B)60°(C)45°(D)9 0°。
48. 下列何者不能啟斷負載電流?(A)VCS(B)LBS(C)DS(D)GCB。
49. 有關高壓開關,下列敘述何者錯誤?(A)固定時應注意安全距離(B)具有消弧裝置者,可在有載情 況下操作(C)嚴守操作順序(D)其接點均為密閉型,以策安全。
50. 如下圖所示為 PLC 回路,原先 S30 為有效步進點(S30=ON)當 X0(移行條件)由 OFF 變為 ON 時,有效步進點由 S30 轉移到 S31(S30=OFF,S31=ON),則 Y0、Y1 輸出之動作為
(A)Y0 OFF、 Y1 OFF(B)Y0 ON、Y1 ON(C)Y0 OFF、Y1 ON(D)Y0 ON、Y1 OFF。
51. 一旦大氣中的二氧化碳含量增加,會引起那一種後果?(A)溫室效應惡化(B)臭氧層破洞(C)海平面 下降(D)冰期來臨。
52. 某單相 110V 3/4 馬力之電動機,已知其額定電流值為 12A,功率因數值為 0.7,則其滿載效率約 為何值?(A)95%(B)85%(C)75%(D)65%。
53. 某廠商之商標在我國已經獲准註冊,請問若希望將商品行銷販賣到國外,請問是否需在當地申 請註冊才能受到保護?(A)否,因為我國申請註冊之商標權在國外也會受到承認(B)是,因為商標 權註冊採取屬地保護原則(C)不一定,需視商品希望行銷販賣的國家是否為 WTO 會員國(D)不一 定,需視我國是否與商品希望行銷販賣的國家訂有相互商標承認之協定。
54. 油壓元件較不易故障的主要原因為(A)使用材料較為耐用(B)設計較佳(C)體積小但能輸出大能力(D) 使用時隨時處於潤滑狀態。
55. 如下圖所示,輸入信號 X0 ON 後經多少時間,Y0 才輸出?
(A)25 秒(B)250 秒(C)55 秒(D)5 秒。
56. CYCLE-CONVERTER 的功能為(A)直流變直流(B)交流變交流(C)直流變交流(D)交流變直流。
57. 電源插座堆積灰塵可能引起電氣意外火災,維護保養時的正確做法是?(A)直接用吹風機吹開灰 塵就可以了(B)應先關閉電源總開關箱內控制該插座的分路開關(C)可以用金屬接點清潔劑噴在插 座中去除銹蝕(D)可以先用刷子刷去積塵。
58. 下列何者非為防範有害物食入之方法?(A)穿工作服(B)常洗手、漱口(C)不在工作場所進食或飲水 (D)有害物與食物隔離。
59. 三相 6600V 之變壓器,其容量為 150KVA,此時比流器(CT)之ㄧ次測電流為(A)20A(B)50A(C)40A (D)10A。
60. 兩只變壓器作V-V連接,供電給 100KVA 之三相平衡負載,若增加一只相同的變壓器作△- △連接,則可供電(A)141(B)173(C)212(D)260 KVA。
複選題
61. 現行之 CNS 標準對配電盤之顏色規定,下列哪些錯誤?(A)無規定(B)MUNSELL(量氏值)5y7/1(C) MUNSELL N1.5(D)MUNSELL 7.5R。
複選題
62. 作配線工作時應注意的事項為(A)不可使用目前市面上的萬用工具(萬用鉗)作壓接工作(B)在能達到 相同功能原則下,可不必依線路圖配線(C)配於線槽內之導線應預留 20 公分以上裕度,以備將來 修正時使用(D)應使用專用工具。
複選題
63. 以直流 2 線式近接開關配合具有 S/S 接線點之 PLC 使用時,須完成下列哪些選項之連接後,方能使直流 2 線式近接開關正常動作(直流 2 線式近接開關漏電電流大於 PLC 輸入的 OFF 電流,S ource 模式)?
(A)a-c(B)n-a,o-d(C)b-c(D)p-c,q-d。
複選題
64. PLC 硬體系統組成包含下列哪些項目?(A)中央處理單元(B)用戶程式(C)輸入輸出介面(D)I/O 擴展介 面。
複選題
65. 有關閘流體的符號與名稱,下列哪些正確?(A)
此為單接合面電晶體(UJT)符號(B)
此為觸發二極體(DIAC)符號(C)
此為雙向矽控整流器(TRIAC)符號(D)
此為可程式化單接合面電晶體(PUT)符號。
複選題
66. 高壓電纜頭之錐形處理之作用,下列敘述哪些錯誤?(A)降低接地電流(B)緩和電場強度(C)防止漏 電(D)防止電壓波動(浮動)。
複選題
67. 下列哪些不可作為變壓器內部故障檢測之電驛?(A)閃爍電驛(B)比例差動電驛(C)低頻電驛(D)過電 壓電驛。
複選題
68. 有關矽控開關(SCS),下列敘述哪些正確?(A)陽( A )、陰( K )極變為逆向電壓,則將其導通狀態轉 為截止狀態(B)閘極觸發電壓、電流均與周圍溫度成正比(C)主要應用於高功率控制系統(D)閘極可 控制其陽( A )、陰( K )極的導通與截止狀態。
複選題
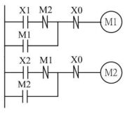
69. 如下圖所示程式,下列敘述中哪些正確?
(A)後動作優先電路(B)當按下 X1,則 M1 ON、M2 OF F;若放開 X1,再按下 X2,則 M1 ON、M2 OFF(C)先動作優先電路(D)當按下 X1,則 M1 ON、 M2 OFF;若放開 X1,再按下 X2,則 M1 OFF、M2 ON。
複選題
70. 依據 IEEE 標準,常用保護電驛、自動控制數碼代號,下列敘述哪些正確?(A)64 接地保護電驛 (B)50 瞬時過電流(Instantaneous Overcurrent)電驛(C)27 交流低電壓(AC Under Voltage)電驛(D)37 相序電壓電驛。
複選題
71. 高壓電動機的起動方式,下列敘述哪些為常用起動方式?(A)電抗器起動(B)二次側水電阻起動(C) 電阻起動(D)自耦變壓器起動。
複選題
72. 依據 CNS 標準,配電盤中之匯流排以螺絲鎖緊之鍍銀接觸(空氣中),在溫昇測試所得之溫昇下 列哪些合乎要求?(A)60℃(B)50℃(C)90℃(D)75℃。
複選題
73. 額定超過 1HP 之電動機兩具或兩具以上,無論每具額定多大若要共同接於同一分路,必須符合 的條件為(A)該分路所使用之熔絲或斷路器其額定容量為,該分路中最大額定電動機全載電流之 1.5 倍與其他各電動機額定電流之和(B)自分路分歧點至過載保護器間之長度不超過 8 公尺(C)各電 動機必須裝有符合規定之操作器(D)各電動機必須個別裝有過載保護設備。
複選題
74. 有關紅外線感測器,下列敘述哪些正確?(A)主動式紅外線感測器適用於密閉式空間內,例如: 室內防盜警報器(B)紅外線感測器種類繁多,通常可分為以吸收紅外線能量產生溫度變化進而產 生電荷現象的熱型感測器,及以利用半導體的光電效應產生電子感測出電壓的量子型感測器(C) 被動式紅外線感測器以光發射模組及光接收模組並用,適用於室內外點對點直線距離,例如: 室外自動照明燈(D)紅外線感測器可應用於防盜系統上,一般可分為主動式紅外線感測器(感測器 本身會發射紅外線光束,偵測物體移動)或是被動式紅外線感測器(靠感測物體熱源變化而啟動感 測器)。
複選題
75. 有關電力熔絲下列規格哪些符合 IEC 標準?(A)12KV 75A 250MVA(B)24KV 50A 500MVA(C)12KV 50A 40KA(D)3.6KV 100A 25KA。
複選題
76. 電纜之同軸中性線,下列選項中哪些為其主要目的?(A)加強電場強度(B)作接地線(C)加強機械強 度(D)加強絕緣強度。
複選題
77. 22.8KV 受電設備若在受電點之三相短路容量為 500MVA,裝設受電用斷路器應選定之額定啟斷 容量,下列哪些不宜?(A)12.5(B)16(C)8(D)10 KA。
複選題
78. 下列哪些非為配電盤出廠試驗之必要項目?(A)AC 耐電壓測試(B)溫度(溫昇)試驗(C)絕緣電阻測試 (D)衝擊電壓(BIL)測試。
複選題
79. 雙比值 200~100/5A 比流器採一次串並聯方式接線,下列敘述哪些錯誤?(A)並聯時 200/5A,串 聯時 100/5A(B)串並聯時均為 200/5A(C)串並聯時均為 100/5A(D)串聯時 200/5A,並聯時 100/5A。
複選題
80. PLC 機體安裝時須注意事項,下列敘述哪些正確?(A)安裝須考慮溫度與濕度(B)基於散熱理由, 控制器之安裝方向以地面為基準時,採水平向上為宜(C)輸入/輸出模組安裝,宜以電壓種類及 I/ O 來分類(D)控制器安放位置,應遠離電磁干擾。
申論題 (0)
相關試卷
114年 - 01300 工業配線 甲級 工作項目 06:高壓電纜之處理 1-22(2025/10/09 更新)#132018
114年 · #132018
114年 - 01300 工業配線 甲級 工作項目 05:設計繪圖 1-68(2025/10/09 更新)#132017
114年 · #132017
114年 - 01300 工業配線 甲級 工作項目 04:可程式控制器(PLC)之應 51-112(2025/10/09 更新)#132016
114年 · #132016
114年 - 01300 工業配線 甲級 工作項目 04:可程式控制器(PLC)之應 1-50(2025/10/09 更新)#132015
114年 · #132015
114年 - 01300 工業配線 甲級 工作項目 03:檢查及故障排除 51-112(2025/10/09 更新)#132014
114年 · #132014
114年 - 01300 工業配線 甲級 工作項目 03:檢查及故障排除 1-50(2025/10/09 更新)#132013
114年 · #132013
114年 - 01300 工業配線 甲級 工作項目 02:低壓配電盤(箱)及控制盤裝置 51-109(2025/10/09 更新)#132012
114年 · #132012
114年 - 01300 工業配線 甲級 工作項目 02:低壓配電盤(箱)及控制盤裝置 1-50(2025/10/09 更新)#132011
114年 · #132011
114年 - 114-2 全國技術士技能檢定學科_甲級:01300 工業配線#129409
114年 · #129409
112年 - 112-3 全國技術士技能檢定學科_甲級:01300工業配線#123436
112年 · #123436