所屬科目:初等/五等/佐級◆基本電學大意
1 如圖所示電路,試求電阻 RL為多少 Ω 時可消耗最大功率? (A) 4 Ω (B) 5 Ω (C) 6 Ω (D) 7 Ω
2 如圖所示電路,v(t) = 16sin377t 伏特,R1 = 2 Ω,R2 = R3 = 4 Ω,電阻 R3所消耗的平均功率為多少瓦 特? (A) 16 (B) 8 (C) 4 (D) 2
4 某電源的端電壓為 E,內電阻為 R,此電源外接一可變電阻 RL,下列何者正確? (A) RL愈大,內電阻 R 所消耗的功率愈多 (B)當 時可變電阻所消耗的功率與 RL = 2R 時可變電阻所消耗的功率相同 (C)當 時電源所消耗的功率與 RL = 2R 時電源所消耗的功率相同 (D)當 RL = R 時,可變電阻消耗的功率最小
6 如圖所示電阻電路,試求 RL為多少歐姆時,可獲得最大功率?(A) 1 (B) 3 (C) 5 (D) 10
7 如圖所示電阻電路,試求輸入電阻 RX為多少歐姆? (A) 4 (B) 6 (C) 8 (D) 12
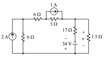
11 如圖所示之電路,求電壓 v 之值約為何? (A)-1.28 V (B)-1.50 V (C)-1.75 V (D)-2 V
12 如圖所示之電路,求電壓 v 之值為何? (A) 14.14 V (B) 12.5 V (C) 10 V (D) 15 V
13 如圖所示,求 a、b 之間的戴維寧電壓為何? (A) (1/7)IR (B) (2/7)IR (C) (2/9)IR (D) (4/9)IR
14 如圖所示,RL應取何值才能得到最大的功率? (A) 6R (B) 5R (C) R/6 (D) R/5
15 如圖所示電路,若交流電源之頻率為 60 Hz,且跨 a 與 b 兩端之電流 I = 0,求交流阻抗 Z 約為多少 Ω? (A) 1 (B) 2 (C) 1+j0.5 (D) 1-j0.5
16 如圖所示,試求 2 Ω 電阻兩端 a-b 點間之戴維寧等效電壓為何? (A) 8 伏特 (B) 10 伏特 (C) 12 伏特 (D) 16 伏特
18 如圖所示,試求 6 Ω 電阻兩端 a-b 點間之諾頓等效電流為何? (A) 1 安培 (B) 2 安培 (C) 3 安培 (D) 6 安培
19 如圖一所示 Δ 接電路轉換成圖二所示之 Y 接電路時,則 Y 接電路中電阻 RA之值為多少歐姆? (A) 1 (B) 2 (C) 3 (D) 4
20 如圖所示電路,RL為可變電阻,試求 RL為幾歐姆時,可獲得最大功率? (A) 2 (B) 3 (C) 4 (D) 6
25 如圖所示,當開關 S 閉合後,此電路之充電時間常數為何? (A) (R1+R2)C (B) (R2//R3+R1)C (C) (R3+R2)C (D) (R1//R3+R2)C
27 如圖所示,穩態時之電容端電壓 νc 為多少伏特? (A) 0 (B) 50 (C) 100 (D) 200
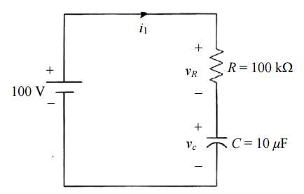
29 如圖所示,假設電容之初始電壓為零,當 t =0 秒時,開關 S 閉合,試求當 t = 2 毫秒時,電流 ic為何? (A) e -2 安培 (B) 2e-2安培 (C) 4e-2安培 (D) 6e-2安培
33 如圖所示週期性電流波形之有效值約為何? (A) 10 安培 (B) 8.61 安培 (C) 8.16 安培 (D) 7.07 安培
37 如圖所示之 RL 串聯電路,若交流電源之頻率為 60 Hz,求交流阻抗 ZT 之大小|ZT|約為多少 Ω? (A) 3.6 (B) 9.5 (C) 12 (D) 5
40 下列何者可以正確敘述如圖所示電路? (A)高通濾波器 (B)低通濾波器 (C)箝位器 (D)整流器