所屬科目:一二三等大管輪◆電機電子與自動控制
15. 試求圖5之各電阻壓降。 (A)R1的壓降為6V,R2的壓降為3V,R3的壓降為2V,R4的壓降為1V(B)R1的壓降為1V,R2的壓降為2V,R3的壓降為3V,R4的壓降為6V(C)R1的壓降為6V,R2的壓降為2V,R3的壓降為3V,R4的壓降為1V(D)R1的壓降為1V,R2的壓降為3V,R3的壓降為2V,R4的壓降為6V
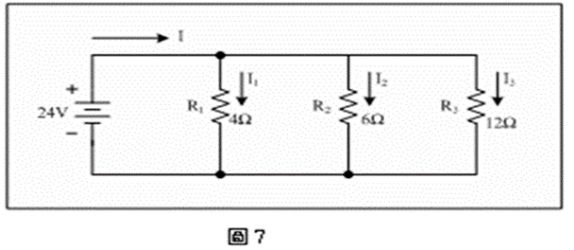
16. 圖7為一並聯電路,試求總電流。 (A)I=10A (B)I=11A (C)I=12A (D)I=13A
37. 電路中的一個負載其兩端的戴維寧等效電路電壓為Vth伏特、電阻為Rth Ω,為使能夠 從電源接受到最大的功率,此負載經正確選擇後,其最大功率為何? (A) (B) (C) (D)
41. 使用三具容量及線圈常數相同的單相變壓器做三相Δ—Δ接線時,若其中一台變壓器發 生故障時會變成V—V接線照常供電,但其容量會如何變化? (A)容量不變 (B)容量減少 為Δ—Δ時之(C)容量減少為Δ—Δ時之1/2 (D)容量減少為Δ—Δ時之1/3
44. 主機排氣溫度偵測器,是由兩種不同金屬焊接而成,一端在熱端,另一端在冷端,能 將熱勢差轉換為電勢差。此電子元件是何名稱?如圖示。 (A)熱電偶 (B)熱阻體 (C)熱電阻 (D)熱電勢