所屬科目:技檢◆汽車修護-甲級
29. 有關二極體之用途,下列敘述何者正確?(A)發光二極體簡稱為 L.E.D.,其發光顏色為紅色(B)發光二極體的符號為 (C)稽納二極體,因有定壓功用,又稱為定壓二極體(D)二極體可用於整流電路,但不可用於檢波電路。
37. 如圖所示為 4 前進檔自動變速箱,若直接離合器與後離合器 ON,OD 制動帶未作用,第二制動帶 作用束緊,則輸出軸在下列何種狀態?(A)倒車(B)前進減速(C)前進超速傳動(D)前進直接傳動。
63. 如圖所示係因為電子控制式自動變速箱故障警告燈亮起,確認其故障碼結果顯示為「節氣門位置 感測器(TPS)系統」相關故障;因此於節氣門開度開啟 1/2 時進行如圖所示中 V 位置電壓量測, 電壓量測結果為 0V,有關其故障原因之敘述,下列何者錯誤?(A)ECU 內接地回路斷路(B)感測器 接地線斷路(C)TPS 內電源回路斷路(D)ECU 內信號回路斷路。
67. 如圖所示,係進行有關前輪定位維修之實測值與規範值,分析該診斷數據資料,下列情況何者不 會產生?(A)左車輪輪胎內側磨損,車輛不會被拉向任一側(B)右車輪輪胎外側磨損,左車輪輪胎內側磨損,車輛被拉向左側(C)右車輪輪胎外側磨損,車輛被拉向左側(D)右車輪輪胎內側磨損,車輛被拉向左側。
68. 如圖所示該波形應該不屬於何種元件的波形(A)點火器(B)節氣門位置感知器(C)噴油嘴(D)點火線圈。
72. 如圖所示為霍爾式凸輪軸位置感知器的電路圖,電瓶電壓為 12V,有關檢測凸輪軸位置感知器的 敘述下列何者正確?(A)量測元件 1 號腳為 12V 及量測電腦腳 20 號腳為 0V,就可以確認電源到搭 鐵是沒有問題的(B)用示波器量測電腦 50 號腳,檢測的電壓值為趨近於 5V 與趨近於 0V 的數位訊 號代表正常(C)檢測迴路搭鐵檢測時,檢測元件端 2 號腳電壓設為 V2,檢測元件端 2.3 號之間的電 壓差設為 V23,V2–V23 要小於 200mV 才算正常(D)發現電腦腳 50 號腳無訊號,且元件端 1 號腳 電源有來,3 號腳也有搭到鐵,那麼一定是元件端 2 號腳到電腦端 50 號腳斷路。
74. 如圖所示,當鎖緊及放鬆引擎進氣歧管時,其操作順序何者錯誤? (A)鎖緊 (B)鎖緊 (C)放鬆 (D)放鬆
75. 如圖所示進行 VGT(可變幾何渦輪增壓器)之「電磁閥迴路電源檢測」時,有關使用三用電錶量測 位置及檔位之敘述,下列敘述何者錯誤?(A)歐姆檔,(紅棒)電腦腳 29 號、(黑棒)VG T 電磁閥 2 號 腳(B)電流檔,(紅棒)VGT 電磁閥 1 號腳、(黑棒)搭鐵接地(C)電壓檔,(紅棒)VG T 電磁閥 1 號腳、 (黑棒)搭鐵接地端(D)歐姆檔,(紅棒)V GT 電磁閥 2 號腳、(黑棒)電腦腳 29 號。
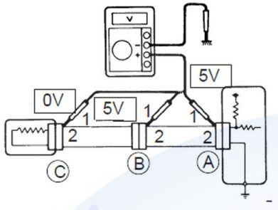
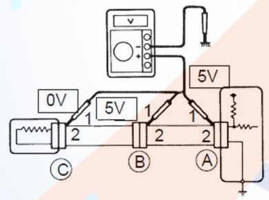
76. 如圖所示使用三用電錶檢測 A、B、C 接頭之 1 與 2 電路,測得 A1 =5V、B1 =5V、C1 =0V,維修 方式下列敘述何者錯誤?(A)更換感知器(B)更換 B 接頭至 C 接頭間之線束(C)更換控制電腦(D)另外接 搭鐵線使搭鐵正常。
78. 如圖所示為正常車輛控制區域網路之線路圖,如使用三用電錶 R×1 檔位測量時,下列敘述何者正確?(A)測量 c-d 點電阻值為 60Ω(B)測量 a- b 點電阻值為 120Ω 時,有可能 c-d 端電阻斷路(C)測量 c-d 點電阻值為 120Ω 時,有可能 a-b 端電阻短路(D)測量 a-b 點電阻值為 60Ω。
79. 如圖所示使用三用電錶檢測 A、B、C 接頭之 1 與 2 電路,所測得 A1 =5V、B1=5 V、C1 =0V 時, 下列敘述何者錯誤?(A)C1-C2 搭鐵(B)B1-C1 斷路(C)B2-A 2 短路(D)A1-B1 斷路。
80. 如圖所示汽油噴射引擎之噴油嘴電路控制圖,下列敘述何者錯誤?(A)矽功率電晶體 Tr 之 VBE>0. 7V 時,Tr 之 CE 被切斷,噴油嘴停止噴油(B)拆開 ECU 第 15 號接腳,發火開關 ON,量測線束側 之淡綠/白線與搭鐵間電壓值 V≒12V (C)ECU 內的功率電晶體 Tr 導通時,噴油嘴便關閉,停止噴 油(D)噴油嘴良好時,將 1、2 號接腳拆下,量測 1、2 號接腳間電阻 R1 -2 應接近∞Ω。