所屬科目:技檢◆工業配線-甲級
9. 左圖表示(A)AND GATE(B)NOT GATE(C)脈衝產生器(D)TIMER。
16. 如下圖所示電路,設 TR 容量為 3ψ11.4KV/220V 1000KVA,阻抗為 5%,11.4KV 側為無限 BU S,則在 F 點之故障電流對稱值約為(A)60KA(B)45KA(C)53KA(D)40KA。(線路及 NFB 之阻抗不 計)
40. 左圖符號表示(A)試驗用電壓端子(B)栓型保險絲(C)試驗用電流端子(D)保險絲。
45. 附電力保險絲之高壓負載啟斷開關(L.B.S)其符號為(A) (B) (C) (D) 。
46. 如下圖加裝電阻器之主要目的在於(A)動作後使 MC 線圈電流降低(B)減少 MC 線圈之始動電流(C) 增加直流電磁鐵吸引力(D)使動作後能自保。
52. 下圖符號表示(A)過載電驛之常閉接點(B)限時電驛之常閉接點延時開放(C)限制開關之常閉接點(D) 按鈕開關之常閉接點。
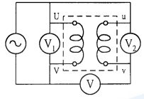
59. 減極性單相變壓器如下圖結線時,電壓表 V 之指示應為(A)V1 +V2(B)V2 /V1(C)V1 /V2(D)V1 -V2。
61. 如下圖所示,高壓接地系統之貫穿式接地保護用 CT,常用的二種 CT 比為(A)200/5A(B)100/5A(C)5 0/5A(D)400/5A。
67. 如下圖所示為感應型電動機之 Y-△起動電路之單線圖,下列敘哪些正確?
(A)MC1 與 MC3 動作 時為起動狀態(B)MC1 與 MC2 動作時為運轉狀態(C)當電動機處於起動狀態時,沒有過載保護(D)M C2 與 MC3 動作時為起動狀態。
71. 下列接線哪些錯誤?(A) (B) (C) (D) 。
73. 有關交流矽控器(TRIAC),下列敘述中哪些正確?(A)閘極觸發信號其電壓無極性的限制(B)其開啟 時間隨閘極電流之增大而減小(C)降低 T2 與 T1 的電壓使其導通電流小於維持電流 I H,即可達 到截止狀態(D)閘極觸發信號可控制其導通狀態轉換為截止狀態。
76. 如下圖所示矽控整流器 SCR(Silicon Controlled Rectifier)電路符號,目前常以其來當作開關元 件,下列哪些條件下會使 SCR 導通?(A)AK 極間所加之順向電壓高於轉態電壓(VB O)(此方式 為不正常導通狀態,儘量避免使用)(B)陽極電壓變動率 dv/dt 太大時(此方式為不正常導通狀態, 儘量避免使用)(C)工作溫度高於容許溫度(此方式為不正常導通狀態,儘量避免使用)(D)AK 極間加 順向電壓,在閘極加入觸發電流。