所屬科目:工程力學概要
一、圖一所示為空間平行力系,各力均與 z 軸平行,求此空間平行力系之合力。若此力系之合力作用位置的坐標為,求之值。 (25 分)
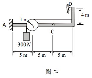
二、圖二之結構,桿件 AC 及 CD 在 C 點以鉸接連接,在 B 點有半徑為1 m 之滑輪。重 300 N 之物體以繩子掛在桿件 CD 上一點,並通過無摩擦之滑輪 B。求系統平衡時,A 點及 D 點之反力。 (略去滑輪 B、桿件 AC 及 桿件 CD 之重量) 。(25 分)
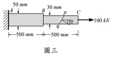
三、圖三所示之線彈性實心圓桿 ABC ,是由相同材料之 AB 桿及 BC 桿所組成, AB 桿直徑為 50 mm ,長 500 mm ; BC 桿直徑為 30 mm ,長 500 mm 。 圓桿 ABC 受100 kN 之拉力作用後,經測得 AB 桿之長度增加1 mm ,直徑 減短 0.028 mm ,則圓桿 ABC 之剪力模數(shear modulus) G = ? 又, pq 截面上的正向應力(normal stress)及剪應力各為多少?(25 分)
四、圖四所示之懸臂梁,長度為 L 、截面為每邊長為 b 之正方形,軸力 P 作用於 y = e 處(即截面的 C 點) ,使得截面上 A 點的軸向應力大小為 ,截面上 B 點的軸向應力大小為 。假設 e = 0.2b ,則 =? (25 分)