阿摩線上測驗
登入
首頁
>
技檢◆工業電子-丙級
> 112年 - 02800 工業電子 丙級 工作項目 07:測試知識 #18974
112年 - 02800 工業電子 丙級 工作項目 07:測試知識 #18974
科目:
技檢◆工業電子-丙級 |
年份:
112年 |
選擇題數:
48 |
申論題數:
0
試卷資訊
所屬科目:
技檢◆工業電子-丙級
選擇題 (48)
1. 發現儀器之保險絲燒毀時應更換(A)較高容量之保險絲(B)較低容量之保險絲(C)相同容量之保險絲(D)銅絲。
2. 不正確使用儀表所讀取的數值偏差稱為(A)系統誤差(B)人為誤差(C)隨機誤差(D)散亂誤差。
3. 以指針式三用電表量測 2PF 的電容器,則電表偏轉量(A)很大(B)不動(C)很小(D)一半。
4. 指針式三用電表中,零歐姆調整鈕可用於補償(A)溫度變化(B)電池老化(C)指針硬化(D)濕度變化。
5. 以指針式三用電表量測電壓時指針偏轉愈大,誤差愈(A)小(B)大(C)不變(D)不一定。
6. 指針式三用電表表頭為直流電流表,通常以下列何種型式為主?(A)永磁動圈式(B)動鐵式(C)整流式(D)感應式。
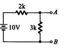
7. 使用指針式三用電表量測下圖 A-B 間電壓時,黑棒應置於(A)A 點(B)B 點(C)C 點(D)任意點。
8. 下圖若 A-B 間電壓為 1V,則 R
X
/R
B
應等於(A)10(B)9(C)8(D)7。
9. 下圖若 3kΩ 開路,則 A-B 間電壓為(A)10V(B)6V(C)4V(D)0V。
10. 若裝置一電源電路,輸出使用穩壓 IC 編號 7815,欲測量輸出電壓時三用電表應置於何檔(A)DC12V(B)AC12V(C)D C30V(D)AC30V。
11. 下圖 O/P 與 I/P 之關係為(A)F
V(B)F
I(C)I
F(D)V
F。
12. 下圖 O/P 與 I/P 之關係為(A)I
V(B)V
I(C)F
I(D)I
F。
13. 以三用電表量得 AC110V,其電壓之峰對峰值為(A)110V(B)220V(C)310V(D)410V。
14. 電表上反射鏡是用來(A)增加美觀(B)增加刻度的清晰(C)夜晚也能看得見(D)防止視覺誤差。
15. 下圖所示在 S1 閉合後瞬間以示波器量測 A-B 間電位之變化(A)先升高後下降(B)先下降後升高(C)沒有變化(D)高低 任意變化。
16. 熱敏電阻經常作為控制元件,安裝時應(A)貼緊印刷電路板(B)遠離控制點(C)靠近控制點(D)隨意擺置。
17. 一般交流電壓表所顯示之數值為(A)有效值(B)峰對峰值(C)平均值(D)最大值。
18. 若示波器所顯示波形要外加信號使其同步時,則示波器同步選擇開關應置於(A)+INT(B)-INT(C)EXT(D)LINE。
19. 要增加示波器上波形之寬度,應調整那一個鈕(A)FOCUS(B)TRIGGER(C)VOLT/DIV(D)TIME/DIV。
20. 示波器探測棒標示 10:1,若螢光幕上顯示為 2V,則實際測得電壓峰值為(A)2V(B)11V(C)20V(D)200V。
21. 我國在標示合格之電子產品規格時,標示之國家標準為何?(A)CSA(B)JIS(C)DIN(D)CNS。
22. 一般音頻信號的頻率範圍為(A)100Hz~1kHz(B)1kHz~10kHz(C)20Hz~20kHz(D)20kHz~50kHz。
23. 常用之函數波產生器無法輸出下列何種波形(A)正弦波(B)三角波(C)方波(D)非週期性之數位信號波形。
24. 絕緣測量應使用何種儀器為佳(A)三用電表(B)Q 表(C)數字式三用電表(D)絕緣電表。
25. 若一電流表滿刻度電流 I
f
=1mA,表頭內阻 R
in
=1kΩ,若用來測量 10V 的直流電壓,應串聯的倍率電阻 Rs 為 (A)0.9kΩ(B)9kΩ(C)99kΩ(D)999kΩ。
26. 惠斯登電橋(Wheatstone Bridge)是屬於何種方式測量之儀表?(A)比較測量(B)絕對測量(C)直接測量(D)間接測量。
27. 4 1/2 位數之數位式三用電表,其最大顯示值為(A)1999(B)3999(C)19999(D)39999。
28. 示波器上之校準電壓其輸出波形通常為(A)正弦波(B)三角波(C)方波(D)鋸齒波。
29. 一般數字式三用電表 AC 檔所測得之數值是指被測正弦波信號之(A)最大值(B)峰值(C)峰對峰值(D)均方根(R.M.S) 值。
30. 欲在示波器上觀測電晶體共射極輸出特性曲線,則輸入至電晶體基極之波形為(A)正弦波(B)方波(C)三角波(D)階梯波
31. 量測音頻放大器訊號,一般使用那種儀器操作 (A)網路分析儀 (B)邏輯分析儀 (C)頻譜分析儀 (D)示波器 。
32. 量測高頻訊號,一般使用那種儀器操作 (A)三用電表 (B)邏輯分析儀 (C)頻譜分析儀 (D)Q 表
33. 下列何者為電池容量規格 (A)V 電壓 (B)電流 A (C)W 功率 (D)AH 安時 。
34. 常見的訊號產生器使用的內部阻抗值為何 (A)20 歐姆 (B)50 歐姆 (C)60 歐姆 (D)80 歐姆 。
35. 下列何種儀器可以量測出發光二極體(LED)的接腳 (A)三用電表 (B)邏輯分析儀 (C)頻譜分析儀 (D)Q 表 。
36. 下列何種儀器可以量測出電晶體的接腳 (A)三用電表 (B)邏輯分析儀 (C)頻譜分析儀 (D)Q 表 。
37. 指針式三用電表若切在電壓檔下,無法量測最可能的原因為 (A)電池沒電 (B)保險絲燒毀 (C)錶頭需校正 (D)測試棒顏色不對 。
38. 下列何者無法用指針式三用電表量測其參數 (A)漏電流 (B)電壓 (C)電流 (D)頻率
39. 若以三用電表測量某一電阻上的電壓降,則電表測試棒應與該電阻 (A)串聯 (B)並聯 (C)串並聯 (D)短路 。
40. 若以三用電表測量流過某一電阻的電流,則電表測試棒應與該電阻 (A)串聯 (B)並聯 (C)串並聯 (D)短路 。
41. 下列何者不屬於測量用電子儀表? (A)示波器 (B)頻率計數器 (C)三用電表 (D)函數波產生器
42. 儀表量測時,能測量輸入信號之最小變化量稱之為 (A)精密度(precision) (B)靈敏度(sensitivity) (C)準確度(accuracy) (D)解析度(resolution) 。
43. 在做一量測,量得之電壓值為 4 伏特,若此電壓的真實值為 5 伏特,則其 量測誤差為多少? (A)20% (B)25% (C)40% (D)80% 。
44. 理想電流表其內阻應為 (A)趨近零 (B)1Ω (C)1mΩ (D)無限大 。
45. 電壓表為了減少負載效應及測量的誤差,在設計電壓表時其內阻應為 (A)趨近零 (B)愈小愈好 (C)愈大愈好 (D)無關 。
46. 示波器被動式電壓探棒上的「10X」標示代表該探棒的_____當示波器使用該探棒時,示波器對應通道的設定也必須等量,才能在示波器顯示幕上呈現量測結果的原貌。(A)放大率 (B)使用年 限 (C)頻寬 (D)衰減率
47. 關於電流計,下列敘述何者正確? (A)使用時應與待測線路串聯 (B)其負端 (黑色端子)為待測電流流入接點 (C)內部電阻無窮大 (D)顯示面板上的單位為 V 。
48. 三角波的波形是 (A)
(B)
(C)
(D)
申論題 (0)
相關試卷
114年 - 02800 工業電子 丙級 工作項目 10:數位系統 1-65(2025/10/16 更新)#132274
114年 · #132274
114年 - 02800 工業電子 丙級 工作項目 09:電子學 101-147(2025/10/16 更新)#132273
114年 · #132273
114年 - 02800 工業電子 丙級 工作項目 09:電子學 51-100(2025/10/16 更新)#132272
114年 · #132272
114年 - 02800 工業電子 丙級 工作項目 09:電子學 1-50(2025/10/16 更新)#132271
114年 · #132271
114年 - 02800 工業電子 丙級 工作項目 08:電工學 101-128(2025/10/16 更新)#132270
114年 · #132270
114年 - 02800 工業電子 丙級 工作項目 08:電工學 51-100(2025/10/16 更新)#132269
114年 · #132269
114年 - 02800 工業電子 丙級 工作項目 08:電工學 1-50(2025/10/16 更新)#132268
114年 · #132268
114年 - 02800 工業電子 丙級 工作項目 07:測試知識 1-48(2025/10/16 更新)#132267
114年 · #132267
114年 - 02800 工業電子 丙級 工作項目 06:電子儀表使用知識 1-44(2025/10/16 更新)#132266
114年 · #132266
114年 - 02800 工業電子 丙級 工作項目 05:裝配知識 1-55(2025/10/16 更新)#132265
114年 · #132265